电脑桌面
添加小米粒文库到电脑桌面
安装后可以在桌面快捷访问

叠合楼板支撑计算书

叠合楼板支撑计算书_第1页
1/6
叠合楼板支撑计算书_第2页
2/6
叠合楼板支撑计算书_第3页
3/6
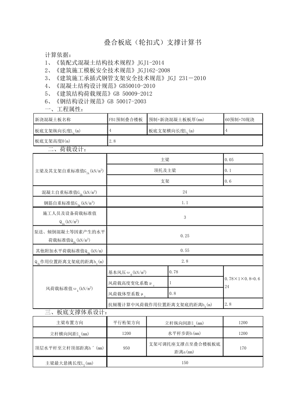
叠合板底(轮扣式)支撑计算书 计算依据: 1、《装配式混凝土结构技术规程》JGJ1-2014 2、《建筑施工模板安全技术规范》JGJ162-2008 3、《建筑施工承插式钢管支架安全技术规范》JGJ 231-2010 4、《混凝土结构设计规范》GB50010-2010 5、《建筑结构荷载规范》GB 50009-2012 6、《钢结构设计规范》GB 50017-2003 一、工程属性: 新浇混凝土板名称 FB1预制叠合楼板 预制+新浇混凝土板板厚(mm) 60预制+70现浇 板底支架纵向长度La(m) 4 板底支架横向长度Lb(m) 4 板底支架高度H(m) 2.8 二、荷载设计: 主梁及其支架自重标准值G1k(kN/m2) 主梁 0.05 顶托及主梁 0.1 支架 0.6 混凝土自重标准值G2k(kN/m3) 24 钢筋自重标准值G3k(kN/m3) 1.1 施工人员及设备荷载标准值Q1k(kN/m2) 3 泵送、倾倒混凝土等因素产生的水平荷载标准值Q2k(kN/m2) 0.25 其他附加水平荷载标准值Q3k(kN/m) 0.55 Q3k作用位置距离支架底的距离h1(m) 2.8 风荷载标准值ωk(kN/m2) 基本风压ω0(kN/m2) 0.78 0.78×1×0.8=0.624 风荷载高度变化系数μz 1 风荷载体型系数μs 0.8 抗倾覆计算中风荷载作用位置距离支架底的距离h2(m) 2.8 三、板底支撑体系设计: 主梁布置方向 平行桁架方向 立杆纵向间距la(mm) 1200 立杆横向间距lb(mm) 1200 水平杆步距h(mm) 1200 顶层水平杆至立杆顶部距离hˊ(mm) 950 支架可调托座支撑点至叠合楼板板底距离a(mm) 170 主梁最大悬挑长度L2(mm) 150 平面图 纵向剖面图 横向剖面图 四、叠合楼板验算 按简支梁 ,取1.2m单位宽度计算。计算简图如下 : W=bt2/6=1200×602/6=720000mm4 I=bt3/12=1200×603/12=21600000mm3 承载能力极限状态 q1=γGb (G2k+G3k) (h现浇+ h预制)+γQbQ1k=1.2×1.2× (24+1.1) × (0.06+0.07 )+1.4×1.2×3=9.739kN/m q1静=γGb (G2k+G3k) (h现浇+ h预制)=1.2×1.2×(24+1.1) × (0. 06+0.07)=4.7kN/m 正常使用极限状态 q=γGb (G2k+G3k) (h现浇+ h预制)+γQbQ1k=1×1.2×(24+1.1) × (0. 06+0.07)+1×1.2×3=7.52kN/m 1、强度验算 Mmax=0.125q1l2=0.125×9.739×1.22=1.753kN·m σ=Mmax/W=1.753×106/(7.2×105)=2.435N/mm2≤[f]=14.3N/mm2 满足要求! 2、挠度验算 νmax=5ql4/(384EI)=5×7.52×12004/(384×30000×216×105)=0.313mm νmax=0.313 mm≤min{1200/150,10}=8mm 满足要求! 五、主梁验算 主梁材...

1、当您付费下载文档后,您只拥有了使用权限,并不意味着购买了版权,文档只能用于自身使用,不得用于其他商业用途(如 [转卖]进行直接盈利或[编辑后售卖]进行间接盈利)。
2、本站所有内容均由合作方或网友上传,本站不对文档的完整性、权威性及其观点立场正确性做任何保证或承诺!文档内容仅供研究参考,付费前请自行鉴别。
3、如文档内容存在违规,或者侵犯商业秘密、侵犯著作权等,请点击“违规举报”。

碎片内容

叠合楼板支撑计算书

小辰+ 关注
实名认证
内容提供者

出售各种文档和资料

确认删除?
VIP
微信客服
  • 扫码咨询
会员Q群
  • 会员专属群点击这里加入QQ群
客服邮箱
回到顶部