电脑桌面
添加小米粒文库到电脑桌面
安装后可以在桌面快捷访问

可编程控制器(PLC)应用举例

可编程控制器(PLC)应用举例_第1页
1/12
可编程控制器(PLC)应用举例_第2页
2/12
可编程控制器(PLC)应用举例_第3页
3/12
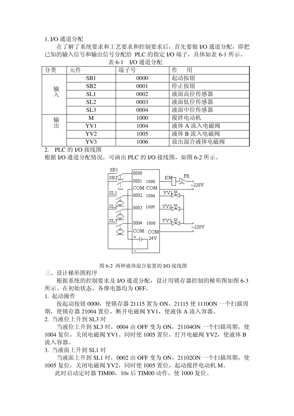
学习目标:  通过典型实例的分析,掌握可编程控制器设计的步骤;  掌握程序调试方法;  能够依据控制要求,进行顺序控制梯形图的设计。 可编程控制器应用举例 第一节 两种液体混合装置 设有两种液体A 和B,在容器内按照一定比例进行混合搅拌,装置结构如图6-1 所示。其中,SL1、SL2、SL3 为液面传感器,当液面淹没时为 ON; YV1、YV2、YV3 为电磁阀;M 为搅拌电动机。 图6-1 两种液体混合装置 一、控制要求 1. 初始状态 此时各阀门关闭,容器是空的。 YV1=YV2=YV3=OFF SL1=SL2=SL3=OFF M=OFF 2. 起动操作 按下起按钮,开始下列操作: (1) YV1=ON,液体A 流入容器;当液面到达 SL3 时,YV1=OFF,YV2=ON; (2) 液体B 流入,液面到达 SL1 时,YV2=OFF,M=ON;开始搅拌; (3) 混合液体搅拌均匀后(设时间为 10s),M=OFF,YV3=ON,放出混合液体; (4) 当液体下降到 SL2 时,SL2 从 ON 变为 OFF,再过20s后容器放空,关闭YV3,YV3=OFF,完成一个操作周期; (5) 只要没按停止按钮,则自动进入下一操作周期。 3. 停止操作 按一下停止按钮,则在当前混合操作周期结束后,才停止工作,使系统停止处于初始状态。 二、 I/O 通道分配及 I/O 接线图 1. I/O 通道分配 在了解了系统要求和工艺要求和控制要求后,首先要做I/O 通道分配,即把已知的输入信号和输出信号分配给PLC 的指定I/O 端子,具体如表6-1 所示。 表6-1 I/O 通道分配 分类 元件 端子号 作 用 输入 SB1 0000 起动按钮 SB2 0001 停止按钮 SL1 0002 液面高位传感器 SL2 0003 液面低位传感器 SL3 0004 液面中位传感器 输出 M 1000 搅拌电动机 YV1 1004 液体A 流入电磁阀 YV2 1005 液体B 流入电磁阀 YV3 1006 放出混合液体电磁阀 2. PLC 的I/O 接线图 根据I/O 通道分配情况,可画出PLC 的I/O 接线图,如图6-2 所示。 图6-2 两种液体混合装置的I/O 接线图 三、设计梯形图程序 根据系统的控制要求及 I/O 通道分配,设计用锁存器控制的梯形图如图6-3所示。在初始状态,各继电器均为 OFF。 1. 起动操作 按起动按钮0000,使锁存器21115 置为 ON,21115 使 1110ON 一个扫描周期,使锁存器21004 置位,断开电磁阀YV1,使液体A 流入容器。 2. 当液位上升到 SL3 时 当液位上升到 SL3 时,0004 由 OFF 变为 ON,21104ON 一个扫描周期,使1004...

1、当您付费下载文档后,您只拥有了使用权限,并不意味着购买了版权,文档只能用于自身使用,不得用于其他商业用途(如 [转卖]进行直接盈利或[编辑后售卖]进行间接盈利)。
2、本站所有内容均由合作方或网友上传,本站不对文档的完整性、权威性及其观点立场正确性做任何保证或承诺!文档内容仅供研究参考,付费前请自行鉴别。
3、如文档内容存在违规,或者侵犯商业秘密、侵犯著作权等,请点击“违规举报”。

碎片内容

可编程控制器(PLC)应用举例

确认删除?
VIP
微信客服
  • 扫码咨询
会员Q群
  • 会员专属群点击这里加入QQ群
客服邮箱
回到顶部