电脑桌面
添加小米粒文库到电脑桌面
安装后可以在桌面快捷访问

可编程控制器及应用实验报告

可编程控制器及应用实验报告_第1页
1/23
可编程控制器及应用实验报告_第2页
2/23
可编程控制器及应用实验报告_第3页
3/23
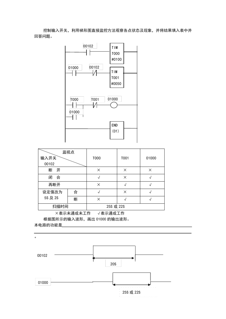
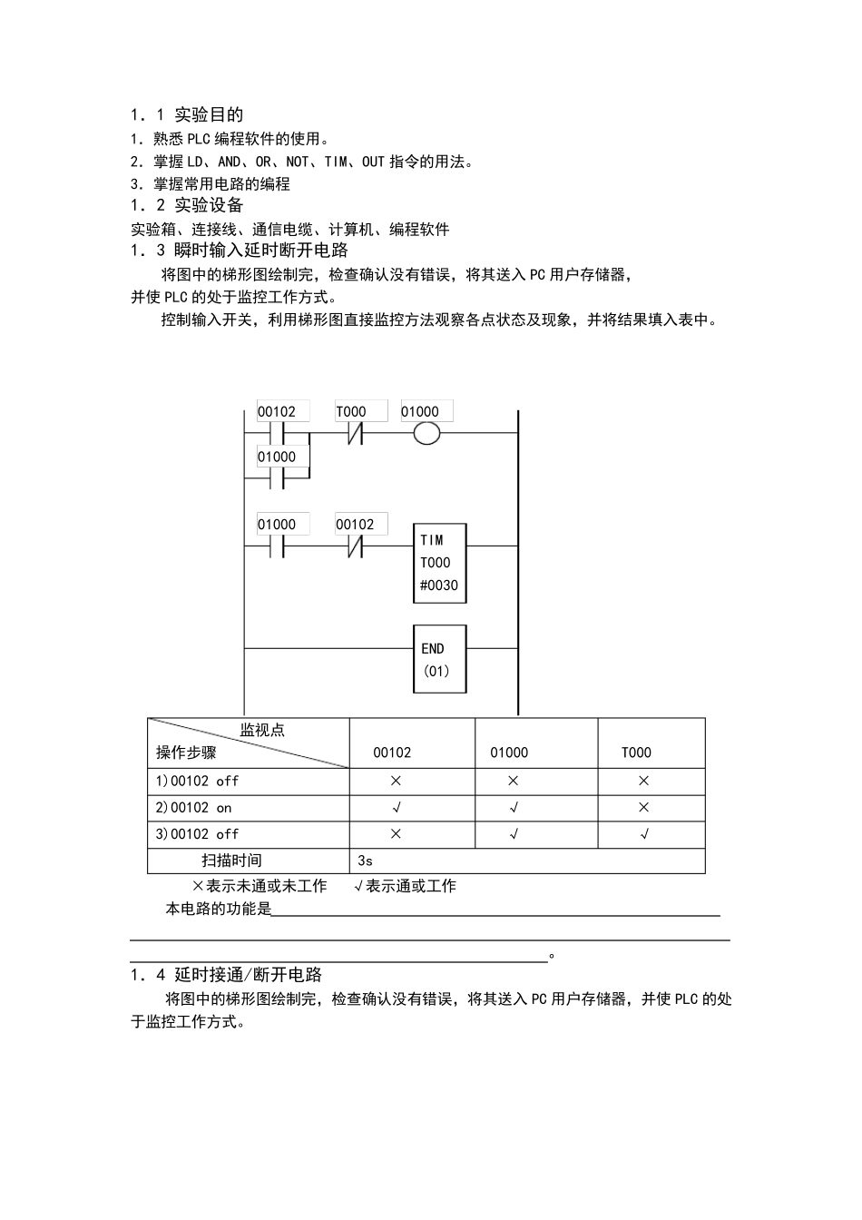
可 编 程 控 制 器 及 应 用实 验 报 告 课程名称 可编程控制器及应用 实验名称 可编程控制器及应用课程实验 实验日期 学生专业 测控技术与仪器 学生学号 9 学生姓名 任晓军 实验室名称 测控技术实验室 教师姓名 江 剑 成 绩 南京理工大学机械工程学院 仪器科学与技术系 1 几个基本电路的编程 1.1 实验目的 1.熟悉PLC 编程软件的使用。 2.掌握LD、AND、OR、NOT、TIM、OUT 指令的用法。 3.掌握常用电路的编程 1.2 实验设备 实验箱、连接线、通信电缆、计算机、编程软件 1.3 瞬时输入延时断开电路 将图中的梯形图绘制完,检查确认没有错误,将其送入PC 用户存储器, 并使PLC 的处于监控工作方式。 控制输入开关,利用梯形图直接监控方法观察各点状态及现象,并将结果填入表中。 监视点 操作步骤 00102 01000 T000 1)00102 off × × × 2)00102 on √ √ × 3)00102 off × √ √ 扫描时间 3s ×表示未通或未工作 √表示通或工作 本电路的功能是 。 1.4 延时接通/断开电路 将图中的梯形图绘制完,检查确认没有错误,将其送入PC 用户存储器,并使PLC 的处于监控工作方式。 00102 T000 01000 01000 01000 00102 TIM T000 #0030 END (01) 控制输入开关,利用梯形图直接监控方法观察各点状态及现象,并将结果填入表中并回答问题。 监视点 输入开关 00102 T000 T001 01000 断 开 × × × 闭 合 √ × √ 再断开 × √ √ 设定值改为 5S 及2S 合 √ × √ 断 × √ √ 扫描时间 25S 或 22S ×表示未通或未工作 √表示通或工作 根据图所示的输入波形,画出 01000 的输出波形。 本电路的功能是 。 01000 01000 END (01) 01000 00102 00102 T000 TIM T000 #0100 T001 TIM T001 #0050 00102 01000 20S 25S 或 22S 1.5 闪烁电路 将图中的梯形图绘制完,检查确认没有错误,将其送入PC 用户存储器,并使PLC 的处于监控工作方式。 监视点 输入开关 00102 T000 T001 01000 断 开 × × × 闭 合 √ √ √ 再断开 × × × 扫描时间 00102 闭合时间 ×表示未通或未工作 √表示通或工作 控制输入开关,利用梯形图直接监控方法观察各点状态及现象,并将结果填入表中并回答问题。 00102 画出输出波形图。 修改定时器的设定值,观察各点的变化。 本电路的功...

1、当您付费下载文档后,您只拥有了使用权限,并不意味着购买了版权,文档只能用于自身使用,不得用于其他商业用途(如 [转卖]进行直接盈利或[编辑后售卖]进行间接盈利)。
2、本站所有内容均由合作方或网友上传,本站不对文档的完整性、权威性及其观点立场正确性做任何保证或承诺!文档内容仅供研究参考,付费前请自行鉴别。
3、如文档内容存在违规,或者侵犯商业秘密、侵犯著作权等,请点击“违规举报”。

碎片内容

可编程控制器及应用实验报告

确认删除?
VIP
微信客服
  • 扫码咨询
会员Q群
  • 会员专属群点击这里加入QQ群
客服邮箱
回到顶部