电脑桌面
添加小米粒文库到电脑桌面
安装后可以在桌面快捷访问

可编程控制器应用实训形考任务四实训报告

可编程控制器应用实训形考任务四实训报告_第1页
1/17
可编程控制器应用实训形考任务四实训报告_第2页
2/17
可编程控制器应用实训形考任务四实训报告_第3页
3/17
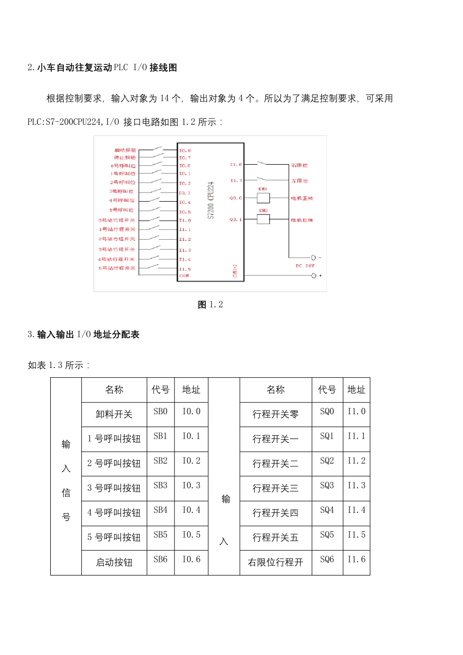
可 编 程 控 制 器 应 用 实 训 形 考 任 务 四 实 训 报 告 送 料 小 车 控 制 系 统 的 实 现 一 、实 训 目的 : 理 解PLC 控 制 系 统 的 控 制 工 序 和 要 求 , 设 计 控 制 系 统 硬 件 连 线 , 编 制PLC 程 序 , 并 进行 软 件 的 监 控 和 调 试 , 使 学 生 熟 悉PLC 的 使 用 , 训 练PLC 控 制 系 统 编 程 的 思 想 和 方 法 , 提高 应 用 PLC 的 能 力 。 二、实 训 要求: 1. 根 据 PLC 控 制 系 统 的 控 制 工 序 和 要 求 , 设 计 控 制 系 统 硬 件 连 线 , 编 制 PLC 程 序 , 并进 行 软 件 的 监 控 和 调 试 ; 2. 同 一 班 级 中 , 可 按 照 个 人 或 小 组 在 指 导 教 师 的 指 导 下 进 行 选 题 。 三、实 训 内容: 1.在 一 些 自 动 化 生 产 线 上 , 为 了 实 现 多 地 点 随 机 卸 料 或 者 多 地 点 随 机 搜 集 成 品 或 ( 废品 ), 经 常 会 用 到 一 台 装 卸 料 小 车 , 根 据 请 求 在 6 个 位 置 停 车 , 进 行 装 卸 料 , SQ0~SQ5 为6个 正 常 停 车 位 置 的 行 程 开 关 , 小 车 压 上 时 为 ON, 小 车 离 开 时 为 OFF; SQ6、SQ7 为 小 车 保护限位 行 程 开 关 , SB0 为 小 车 卸 料 琴键开 关 , SB1~SB5 为 互锁的 装 料 琴键开 关 , 用 于选 择小 车装 料 的 位 置 。 2.小 车 在 电动 机 的 拖动 下 运行 , 电动 机 正 转时 小 车 右行 , 电动 机 反转时 小 车 左行 。 3.当选 择按 钮号与小 车 位 置 压 下 的 行 程 开 关 号相同 时 , 按 下 启动 按 钮,小 车 停 止不动 。 4.当选 择按 钮号大于小 车 位 置 压 下 的 行 程 开 关 号时 , 按 下 启动 按 钮, 小 车 向右运行 直至两者 相等时 , 小 车 停 止。 当选 择按 钮号小 于小 车 位 置 压 下 的 行 程 开 关 号时 , 按 下 启动 按钮, 小 车 向左运行 直至两者 相等时 , 小 车 停 止。 5.装 料 完 毕 , 按 下 选 择 按 钮 SB0, ...

1、当您付费下载文档后,您只拥有了使用权限,并不意味着购买了版权,文档只能用于自身使用,不得用于其他商业用途(如 [转卖]进行直接盈利或[编辑后售卖]进行间接盈利)。
2、本站所有内容均由合作方或网友上传,本站不对文档的完整性、权威性及其观点立场正确性做任何保证或承诺!文档内容仅供研究参考,付费前请自行鉴别。
3、如文档内容存在违规,或者侵犯商业秘密、侵犯著作权等,请点击“违规举报”。

碎片内容

可编程控制器应用实训形考任务四实训报告

小辰3+ 关注
实名认证
内容提供者

出售各种资料和文档

确认删除?
VIP
微信客服
  • 扫码咨询
会员Q群
  • 会员专属群点击这里加入QQ群
客服邮箱
回到顶部