电脑桌面
添加小米粒文库到电脑桌面
安装后可以在桌面快捷访问

可编程控制器应用技术实训报告

可编程控制器应用技术实训报告_第1页
1/6
可编程控制器应用技术实训报告_第2页
2/6
可编程控制器应用技术实训报告_第3页
3/6
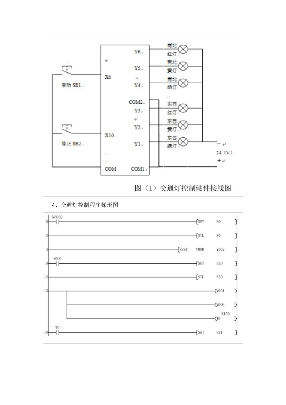
《可编程控制器应用实训报告》 学校: 姓名: 专业: 学号: 年 月 日 可编程控制器应用实训报告 一、实训时间: 二、实训地点: 三、实训目的: 1、进一步掌握PLC 指令的应用。 2、掌握使用PLC 控制十字路口交通信号灯的程序设计方法。 四、实训内容: 1、控制要求: 该单元设有启动和停止开关 S1、 S2, 用以控制系统的“启动” 与“停止”。 S3 还可屏蔽交通灯的灯光(利用 M8034, 使 PLC 的外部输出接点皆为 OFF)。 当东西方向红灯亮时, 南北方向绿灯亮, 当绿灯亮到设定时间时, 绿灯闪亮三次, 闪亮周期为 1 秒, 然后黄灯亮 2 秒。 当南北方向黄灯熄灭后, 东西方向绿灯亮, 南北方向红灯亮……周而复始, 不断循环。 2、交通灯I/O 分配表 3、交通灯控制硬件接线图 4 、交通灯控制程序梯形图 5、实验结果 程序启动后, 东西方向红灯亮时, 南北方向绿灯亮, 当绿灯亮到设定时间 15(s) 时,绿灯闪亮三次, 闪亮周期为 1 秒, 然后黄灯亮 2 秒。 当南北方向黄灯熄灭后, 东西方向绿灯亮, 南北方向红灯亮… … 周而复始, 不断循环。 五、心得体会 经过我们共同的努力,本次实训得以完成了,由于自己知识的缺乏及能力的有限,实训设计中仍存在一些小毛病。但是通过这次的实训设计,我能运用已学的知识解决我在设计中遇到的问题,使自己思考问题的能力得到了很大的提高。在做设计的过程中我查阅了很多的资料,并认真的阅读这些与我的设计相关的资料,从而我的专业涵养得到了提高,知识的储备量也有所增加。在做设计时,我复习了很多有关 PLC 知识,这使得我的专业知识得到了巩固。我想这对于自己以后的学习和工作都会有很大的帮助的。 通过这次设计我也发现自己的很多不足之处,在设计过程中我发现自己考虑问题有些不全面,自己的专业知识掌握的很不牢固,所掌握的计算机应用软件还不够多,我希望自己的这些不足之处能在今后的工作和学习中得到改善。而且,通过这次设计,我懂得了学习的重要性,学会了坚持和努力,这将为以后的学习做出了最好的榜样!同时,该设计也有不足之处,由于自己能力有限。我将会在以后更加努力的学习来补充自己的不足。

1、当您付费下载文档后,您只拥有了使用权限,并不意味着购买了版权,文档只能用于自身使用,不得用于其他商业用途(如 [转卖]进行直接盈利或[编辑后售卖]进行间接盈利)。
2、本站所有内容均由合作方或网友上传,本站不对文档的完整性、权威性及其观点立场正确性做任何保证或承诺!文档内容仅供研究参考,付费前请自行鉴别。
3、如文档内容存在违规,或者侵犯商业秘密、侵犯著作权等,请点击“违规举报”。

碎片内容

可编程控制器应用技术实训报告

您可能关注的文档

确认删除?
VIP
微信客服
  • 扫码咨询
会员Q群
  • 会员专属群点击这里加入QQ群
客服邮箱
回到顶部