电脑桌面
添加小米粒文库到电脑桌面
安装后可以在桌面快捷访问

各国模具钢钢号化学成分近似参照对照表

各国模具钢钢号化学成分近似参照对照表_第1页
1/10
各国模具钢钢号化学成分近似参照对照表_第2页
2/10
各国模具钢钢号化学成分近似参照对照表_第3页
3/10
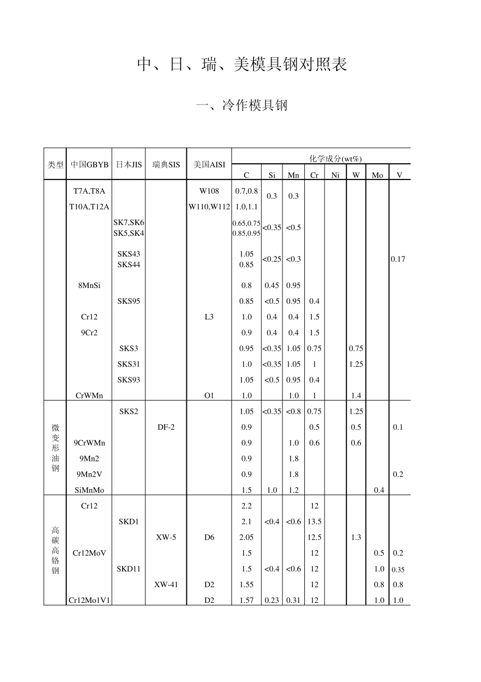
CSiMnCrNiWMoVT7A,T8AW1080.7,0.8T10A,T12AW110,W112 1.0,1.1SK7,SK60.65,0.75SK5,SK40.85,0.95SKS431.05SKS440.858MnSi0.80.450.95SKS950.85<0.50.950.4Cr12L31.00.40.41.59Cr20.90.40.41.5SKS30.95<0.35 1.050.750.75SKS311.0<0.35 1.0511.25SKS931.05<0.50.950.4CrWMnO11.01.011.4SKS21.05<0.35 <0.8 0.751.25DF-20.90.50.50.19CrWMn0.91.00.60.69Mn20.91.89Mn2V0.91.80.2SiMnMo1.51.01.20.4Cr122.212SKD12.1<0.4<0.6 13.5XW-5D62.0512.51.3Cr12MoV1.5120.50.2SKD111.5<0.4<0.6121.00.35XW-41D21.55120.80.8Cr12Mo1V1D21.570.230.31121.01.0中、日、瑞、美模具钢对照表一、冷作模具钢类型 中国GBYB日本JIS瑞典SIS美国AISI化学成分(w t%)0.30.3<0.35 <0.5<0.25 <0.30.17微变形油钢高碳高铬钢CSiMnCrNiWMoVCr4W2MoV1.20.53.82.21.01.0SKD121.0<0.40.7551.00.35Cr6WV1.061.30.6XW-10A21.05.31.10.2Cr2Mn2Si-WMoVW18Cr4VSKH-2T10.84.0181.0W6Mo5-Cr4V2ASP-301.274.26.45.03.1ASP-231.284.26.45.03.160Si2Mn92600.62.00.8SUP70.62.00.855CrW2Si0.50.61.22.2SKS410.4<0.35 <0.5 1.2539SiCr0.91.40.51.16-6-5-4-10.644.06.05.01.065Nb0.640.260.324.032.01.0MACVM0.54.522.751.0Matrix Ⅱ0.55415.01.0LD0.730.95<0.472.02.0CG20.6<0.4<0.442.013.01.0012A10.540.80.943.01.0LM10.65<0.6<0.4481.0GD0.70.8110.90.6GM0.9632.02.0XW-1015.31.10.2A210.250.651.00.25ER517.511.62.58Cr2MnW-MoVS瑞典SIS美国AISI化学成分(wt%)22.51.0类型中国GBYB日本JIS1.00.60.2SKH-51M20.854.06.05.00.8高耐磨钢易切钢0.8<0.42.0高韧钢高强韧钢1.52.50.90.650.15低铬高耐磨微变形钢高速钢高承载钢CSiMnCrNiWMoV5CrMnMoL60.550.41.40.750.2SKT30.55<0.350.81.050.40.45CrNiMo0.55<0.40.650.651.60.24CrMnSi-MoV3Cr2MoW-Vni45Cr2Ni-MoVSi5Cr2Ni-MoVSi3Cr2W8V0.35<0.4<0.4 2.458.250.35SKD50.3<0.4<0.62.59.50.40H210.350.30.33.590.504Cr5MoSiV0.3810.3551.350.45SKD60.371<0.551.250.4VD110.3810.451.30.4H110.3510.351.50.44Cr5MoSiV10.3810.3551.421.0SKD610.371<0.551.251.084070.3815.31.30.9H130.3510.351.51.04Cr5W2VSi0.371<0.4520.8SKD620.371<0.551.251.250.44CrMo2SiV10.41.251.152.01.0二、热作模具钢类型 中国GBYB日本JIS瑞典SIS美国AISI化学成分(w t%)高韧性钢0.40.950.951.40.50.30.3<0.45 <0.45 2.41.20.71.40.51.170.910.420.450.480.58...

1、当您付费下载文档后,您只拥有了使用权限,并不意味着购买了版权,文档只能用于自身使用,不得用于其他商业用途(如 [转卖]进行直接盈利或[编辑后售卖]进行间接盈利)。
2、本站所有内容均由合作方或网友上传,本站不对文档的完整性、权威性及其观点立场正确性做任何保证或承诺!文档内容仅供研究参考,付费前请自行鉴别。
3、如文档内容存在违规,或者侵犯商业秘密、侵犯著作权等,请点击“违规举报”。

碎片内容

各国模具钢钢号化学成分近似参照对照表

小辰5+ 关注
实名认证
内容提供者

出售各种资料和文档

确认删除?
VIP
微信客服
  • 扫码咨询
会员Q群
  • 会员专属群点击这里加入QQ群
客服邮箱
回到顶部