电脑桌面
添加小米粒文库到电脑桌面
安装后可以在桌面快捷访问

各种特种作业安全技术交底VIP专享

各种特种作业安全技术交底_第1页
1/11
各种特种作业安全技术交底_第2页
2/11
各种特种作业安全技术交底_第3页
3/11
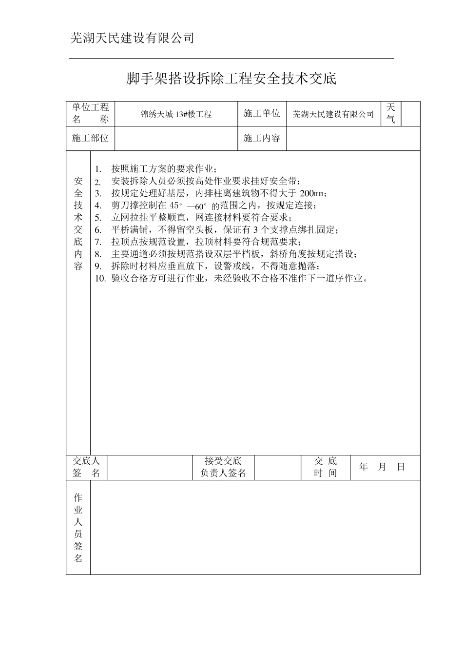
芜湖天民建设有限公司 分部(分项)工程与特种作业 安 全 技 术 交 底 芜湖天民建设有限公司 锦绣天城项目部 芜湖天民建设有限公司 说 明 一、分项工程及施工工序开工前,必须进书面安全技术交底,并 讲解安全技术操作方法、预防事故措施和劳动保护要求。 二、交底内容除包括各项安全技术措施外,还应有:施场所、环境(如高压线、地下管线)、用电防火和季节性特点的安全生产事项。 三、多工种交叉作业应向各工种进行“安全防护措施”交底。 四、分部(分项)安全技术交底要有针对性,双方实行签字手 续,各执一份。 芜湖天民建设有限公司 脚手架搭设拆除工程安全技术交底 单位工程 名 称 锦绣天城1 3 #楼工程 施工单位 芜湖天民建设有限公司 天气 施工部位 施工内容 安 全 技 术 交 底 内 容 1 . 按照施工方案的要求作业; 2 . 安装拆除人员必须按高处作业要求挂好安全带; 3 . 按规定处理好基层,内排柱离建筑物不得大于2 0 0 mm; 4 . 剪刀撑控制在45°—6 0 °的范围之内,按规定连接; 5 . 立网拉挂平整顺直,网连接材料要符合要求; 6 . 平桥满铺,不得留空头板,保证有3 个支撑点绑扎固定; 7 . 拉顶点按规范设置,拉顶材料要符合规范要求; 8 . 主要通道必须按规范搭设双层平档板,斜桥角度按规定搭设; 9 . 拆除时材料应垂直放下,设警戒线,不得随意抛落; 1 0 . 验收合格方可进行作业,未经验收不合格不准作下一道序作业。 交底人 签 名 接受交底 负责人签名 交 底 时 间 年 月 日 作 业 人 员 签 名 芜湖天民建设有限公司 塔吊安装、拆卸工程安全技术交底 单位工程名称 锦绣天城 1 3 #楼工程 施工单位 芜湖天民建设有限公司 天气 施工部位 施工内容 安全技术交底内容 1 . 专人指挥,相互配合,确保安全生产; 2 . 高处作业人员严格遵守安全技术规范; 3 . 安装及拆卸作业区内禁止闲人逗留; 4 . 认真检查吊装用的钢丝套、卡环,严格按更新标准及时更新; 5 . 认真检查各连接螺栓、锁轴,发现损坏、疲劳、开裂的要及更新; 6 . 要紧固严密液压顶升系统各部分管接头; 7 . 拆除影响安全作业的电线,检查电缆电线的绝缘是否良好,电机接线是否正确,各行程开关动作是否灵敏可靠; 8 . 必须有完好的接地设施,接地电阻值不得大于4 欧姆; 9 . 确保安全装置良好有效,如起重限制器、力矩限制器...

1、当您付费下载文档后,您只拥有了使用权限,并不意味着购买了版权,文档只能用于自身使用,不得用于其他商业用途(如 [转卖]进行直接盈利或[编辑后售卖]进行间接盈利)。
2、本站所有内容均由合作方或网友上传,本站不对文档的完整性、权威性及其观点立场正确性做任何保证或承诺!文档内容仅供研究参考,付费前请自行鉴别。
3、如文档内容存在违规,或者侵犯商业秘密、侵犯著作权等,请点击“违规举报”。

碎片内容

各种特种作业安全技术交底

确认删除?
VIP
微信客服
  • 扫码咨询
会员Q群
  • 会员专属群点击这里加入QQ群
客服邮箱
回到顶部