电脑桌面
添加小米粒文库到电脑桌面
安装后可以在桌面快捷访问

各类消防标示图示

各类消防标示图示_第1页
1/17
各类消防标示图示_第2页
2/17
各类消防标示图示_第3页
3/17
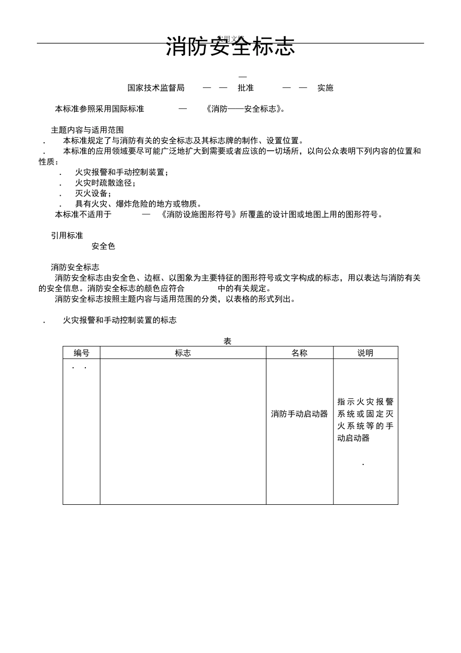
实用文档 消防安全标志 GB 13495—92 国家技术监督局 1992—06—12批准 1993—03—01实施 本标准参照采用国际标准 ISO 6309—1987《消防——安全标志》。 1 主题内容与适用范围 1.1 本标准规定了与消防有关的安全标志及其标志牌的制作、设置位置。 1.2 本标准的应用领域要尽可能广泛地扩大到需要或者应该的一切场所,以向公众表明下列内容的位置和性质: a. 火灾报警和手动控制装置; b. 火灾时疏散途径; c. 灭火设备; d. 具有火灾、爆炸危险的地方或物质。 本标准不适用于 GB 4327—84《消防设施图形符号》所覆盖的设计图或地图上用的图形符号。 2 引用标准 GB 2893 安全色 3 消防安全标志 消防安全标志由安全色、边框、以图象为主要特征的图形符号或文字构成的标志,用以表达与消防有关的安全信息。消防安全标志的颜色应符合 GB 2893中的有关规定。 消防安全标志按照主题内容与适用范围的分类,以表格的形式列出。 3.1 火灾报警和手动控制装置的标志 表 1 编号 标志 名称 说明 3.1.1 消防手动启动器 MANUAL ACTIVATING DEVICE 指 示 火 灾 报 警系 统 或 固 定 灭火 系 统 等 的 手动启动器 ISO 6309 No.1 实用文档 3.1.2 发声警报器 FIRE ALARM 可单独用来指示发声警报器,也可与3.1.1条标志一起使用,指示该手动启动装置是启动发声警报器的 ISO 6309 No.2 3.1.3 火警电话 FIRE TELEPHONE 指示在发生火灾时,可用来报警的电话及电话号码 GB 2894—88 No.4—8 3.2 火灾时疏散途径的标志 表 2 编号 标志 名称 说明 实用文档 3.2.1 紧急出口 EXIT 指示在发生火灾等紧急情况下,可使用的一切出口。在远离紧急出口的地方,应与3.5.1标志联用,以指示到达出口的方向 GB 10001—88 No.4 实用文档 3.2.2 滑动开门 SLIDE 指示装有滑动门的紧急出口。箭 头 指示该 门的开启方向 ISO 6309 No.6 3.2.3 推 开 PUSH 本 标 志 置于门上,指示门的开启方向 ISO 6309 No.7 实用文档 3.2.4 拉 开 PULL 本标志置于门上,指示门的开启方向 ISO 6309 No.8 3.2.5 击碎板面 BREAK TO OBTAIN ACCESS 指示:a.必须击碎玻璃板才能拿到钥匙或拿到开门工具。 b.必须击开板面才能制 造 一个出口 ISO 6309 No.9 3.2.6 禁止阻塞 NO OBSTRUCTING 表 示阻 塞(疏散途径或...

1、当您付费下载文档后,您只拥有了使用权限,并不意味着购买了版权,文档只能用于自身使用,不得用于其他商业用途(如 [转卖]进行直接盈利或[编辑后售卖]进行间接盈利)。
2、本站所有内容均由合作方或网友上传,本站不对文档的完整性、权威性及其观点立场正确性做任何保证或承诺!文档内容仅供研究参考,付费前请自行鉴别。
3、如文档内容存在违规,或者侵犯商业秘密、侵犯著作权等,请点击“违规举报”。

碎片内容

各类消防标示图示

确认删除?
VIP
微信客服
  • 扫码咨询
会员Q群
  • 会员专属群点击这里加入QQ群
客服邮箱
回到顶部