电脑桌面
添加小米粒文库到电脑桌面
安装后可以在桌面快捷访问

各类过滤器设计选型资料汇总

各类过滤器设计选型资料汇总_第1页
1/38
各类过滤器设计选型资料汇总_第2页
2/38
各类过滤器设计选型资料汇总_第3页
3/38
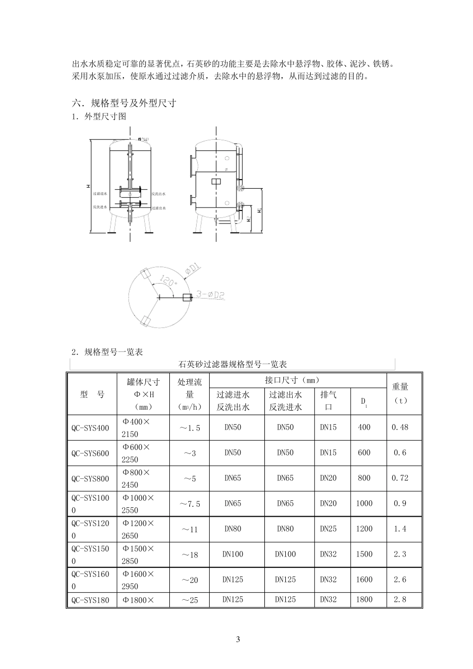
1 过滤器设计选型资料汇总目录: A、石英砂过滤器 2 B、纤维球过滤器 5 C、改性纤维球过滤器 8 D、纤维束过滤器 13 E、核桃壳过滤器 17 F、活性炭过滤器 20 G、除铁锰过滤器 23 H、除氟过滤器 27 I、除砷过滤器 31 J、除氨氮过滤器 35 2 A 、 石 英 砂 过 滤 器 一 . 产 品 功 能 石 英 砂 过 滤 是 去 除 水 中 悬 浮 物 最 有 效 手 段 之 一 , 是 污 水 深 度 处 理 、 污 水 回 用 和 给 水 处 理中 重 要 的 单 元 。 其 作 用 是 将 水 中 已 经 絮 凝 的 污 染 物 进 一 步 去 除 , 它 通 过 滤 料 的 截 留 、 沉 降 和吸 附 作 用 , 达 到 净 水 的 目 的 。 二 . 适 用 范 围 1. 用 于 要 求 出 水 浊 度 ≤ 5mg/L 能 符 合 饮 用 水 质 标 准 的 工 业 用 水 、 生 活 用 水 及 市 政 给 水系 统 ; 2. 工 业 污 水 中 的 悬 浮 物 、 固 体 物 的 去 除 ; 3. 可 用 作 离 子 交 换 法 软 化 、 除 盐 系 统 中 的 预 处 理 设 备 , 对 水 质 要 求 不 高 的 工 业 给 水 的粗 过 滤 设 备 ; 以 及 用 在 游 泳 池 循 环 处 理 系 统 、 冷 却 循 环 水 净 化 系 统 等 。 三 . 产 品 特 点 1. 独 特 的 多 滤 室 结 构 , 可 实 现在 线反冲洗(过 滤 、 排污 和 反洗同时进 行)。 2. 可 根据系 统 水 压, 罐体 材质 可 选择使用 碳钢、 玻璃钢。 四. 技术参数 1. 处 理 效 果 ①.进 水 浊 度 :<20FTU, 出 水 浊 度 :<3FTU; ②.截 污 容量:5-15Kg/m3(滤 料 )。 2. 工 作 环 境参数 ①.工 作 温度 :5-60℃(特 殊温度 可 定做); ②.工 作 压力:≤ 0.6MPa; ③.进 水 水 压:≥0.04MPa; ④.反冲洗进 水 水 压:≥0.15 MPa; ⑤.进 出 口压差:0.01-0.015MPa。 3. 运行参数 ①.工 作 方式:压力式; ②.运行方式:水 流自上而下; ③.过 滤 速度 :15-20m/h ; ④.运行周期:2-7 天; ⑤.反洗方式:水 洗, 或气水 结 合 反洗; ⑥.反洗耗水 :1-3%; ⑦.反洗强度 :4-15L/s·m2; ⑧.反洗历时:5-7min; ⑨...

1、当您付费下载文档后,您只拥有了使用权限,并不意味着购买了版权,文档只能用于自身使用,不得用于其他商业用途(如 [转卖]进行直接盈利或[编辑后售卖]进行间接盈利)。
2、本站所有内容均由合作方或网友上传,本站不对文档的完整性、权威性及其观点立场正确性做任何保证或承诺!文档内容仅供研究参考,付费前请自行鉴别。
3、如文档内容存在违规,或者侵犯商业秘密、侵犯著作权等,请点击“违规举报”。

碎片内容

各类过滤器设计选型资料汇总

确认删除?
VIP
微信客服
  • 扫码咨询
会员Q群
  • 会员专属群点击这里加入QQ群
客服邮箱
回到顶部