电脑桌面
添加小米粒文库到电脑桌面
安装后可以在桌面快捷访问

后注浆检验批

后注浆检验批_第1页
1/25
后注浆检验批_第2页
2/25
后注浆检验批_第3页
3/25
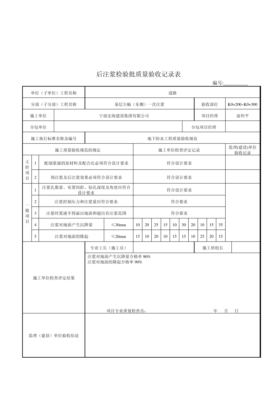
后注浆检验批质量验收记录 TJ4.1.44 单位(子单位)工程名称 苏州跃龙广场 分部(子分部)工程名称 J 基础分部工程 验收部位 后注浆 施工单位 江苏弘盛建设工程集团有限公司 项目经理 分包单位 分包项目经理 施工执行标准名称及编号 地下防水工程质量验收规范 施工质量验收规范的规定 施工单位检查评定记录 监理(建设)单位验收记录 主控项目 1 配制浆液的原材料及配合比必须符合设计要求 符合设计要求 2 预注浆及后注浆效果必须符合设计要求 符合设计要求 一般项目 1 注浆孔数量、布置间距、钻孔深度及角度应符合设计要求 符合设计要求 2 注浆控制压力和注浆量应符合要求 符合要求 3 注浆时浆液不得溢出地面和超出有注浆范围 符合要求 4 注浆对地面产生沉降量 ≤30m m 12 10 20 15 10 20 20 10 15 35 5 注浆对地面的隆起 ≤20m m 12 11 15 10 15 15 10 20 25 10 施工单位检查评定结果 专业工长(施工员) 施工班组长 项目专业质量检查员: 年 月 日 监理(建设)单位验收结论 专业监理工程师: (建设单位项目专业技术负责人): 年 月 日 预注浆、后注浆、衬砌裂缝注浆分项工程检验批质量验收记录 TJ4.1.44 nichzi 工程名称 苏州跃龙广场 检验批部位 灌注桩58#、59# 后注浆 施工执行标准 名称及编号 GB50205—2002的规定 施工单位 江苏弘盛建设工程集团有限公司 项目经理 李瞳 专业工长 陈峰 分包单位 分包项目经理 施工班组长 李志红 序号 GB50205—2002的规定 施工单位 检查评定记录 监理(建设) 单位验收记录 主 控 项 目 预 注 浆 后 注 浆 1 配制浆液的原材料及配合比必须符合设计要求 配置浆液水灰比 0.55,符合设计要求 2 注浆效果必须符合没计要求。 注浆量1.8T左右 衬 砌 裂 缝 注 浆 1 注浆材料及其配合比必须符合设计要求。 2 注浆效果必须符合设计要求。 一般 项 目 预 注 浆 后 注 浆 1 注浆孔的数量、布置间距、钻孔深度及角度应符合设计要求 注浆管 2根,深度同灌注桩深度,符合设计要求 2 注浆各阶段的控制压力和进浆量应符合设计要求。 符合设计要求 3 注浆时浆液不得溢出地面和超出有效注浆范围。 符合要求 4 注浆对地面产生 1、沉降量不得超过 30mm。 2、地面的隆起不得超过 20mm。 衬 砌 裂 缝 注 浆 1 钻孔埋管的孔径和孔距应符合设计要求。 2 注浆...

1、当您付费下载文档后,您只拥有了使用权限,并不意味着购买了版权,文档只能用于自身使用,不得用于其他商业用途(如 [转卖]进行直接盈利或[编辑后售卖]进行间接盈利)。
2、本站所有内容均由合作方或网友上传,本站不对文档的完整性、权威性及其观点立场正确性做任何保证或承诺!文档内容仅供研究参考,付费前请自行鉴别。
3、如文档内容存在违规,或者侵犯商业秘密、侵犯著作权等,请点击“违规举报”。

碎片内容

后注浆检验批

您可能关注的文档

确认删除?
VIP
微信客服
  • 扫码咨询
会员Q群
  • 会员专属群点击这里加入QQ群
客服邮箱
回到顶部