电脑桌面
添加小米粒文库到电脑桌面
安装后可以在桌面快捷访问

人防工程验收表格最新

人防工程验收表格最新_第1页
1/28
人防工程验收表格最新_第2页
2/28
人防工程验收表格最新_第3页
3/28
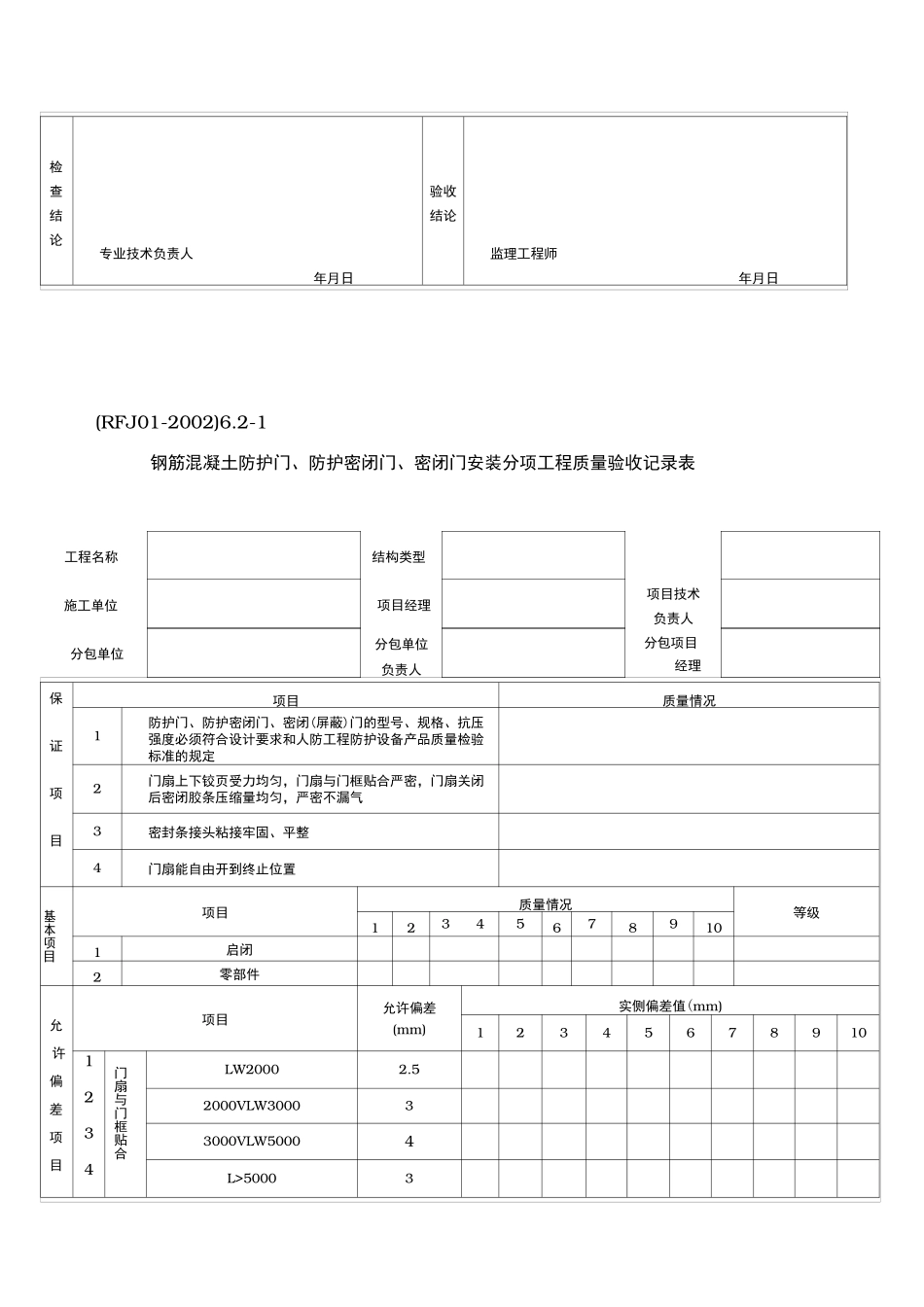
人防工程分部、分项名称表序号分部工程名称分项工程名称1结构工程土石方,爆破掘进,盾构,沉井,地下连续墙,打(压)桩,灌注桩,模板,钢筋,混凝土,喷射混凝土,构件安装,钢结构,砌砖,砌石等2防水工程防水混凝土,水泥砂浆防水层,涂料防水层,卷材防水层,金属防水层,油膏嵌缝防水,止水带防水等3孔口防护工程防护门、防护密闭门、密闭门门框墙制作,防护门、防护密闭门、密闭门安装,防爆波活门、防爆超压排气活门或自动排气活门安装,进出工程管线的防护密闭等4建筑装修工程般抹灰,装饰抹灰,油漆,刷浆,裱糊,饰面,罩面板及钢、铝合金骨架安装,整体地面,板块地面,木质板地面,门窗安装等5给水排水工程给水管道安装,给水管道附件及卫生器具给水配件安装,给水附属设备安装,排水管道安装,卫生器具安装,洗消器具安装,立式污水泵安装等6采暖、通风与空调工程采暖管道安装,散热器及太阳能热水器安装,采暖附属设备安装,金属风管制作,无机玻璃钢风管制作,通风部件制作,风管及部件安装,非金属风管(风道)制作与安装,过滤器,除尘器,过滤吸收器安装,密闭阀门安装,消声设备制作与安装,通风机和除湿机、柜式空调机安装,防腐与油漆等7建筑电气安装工程电缆线路,配管及管内穿线,护套线配线,槽板(桥架)配线,变压器安装,成套配电柜(盘)及动力开关柜安装,低压电器安装,电气照明器具及配电箱(盘)安装,接地装置安装,柴油发电机组安装等8防火设备安装工程防火门和防火卷帘安装,灭火器具安装,防烟排烟部件制作与安装,火灾自动报警装置安装,火灾事故广播、消防通迅设备安装等(RFJ01-2002)6.1-1防护门、防护密密闭门门框墙制作分项工程质量验收记录表工程名称结构类型部位施工单位项目经理项目技术负责人分包单位分包单位负责人分包项目经理保证项目项目质量情况1钢筋的品种和质量、焊条、焊剂的牌号、性能均必须符合记时计要求和有关标准的规定2钢筋的规格、形状、尺寸、数量、接头位置必须符合设计要求和施工规范的规定3带有颗粒状或片状老锈,经除锈后仍留有麻点的钢筋严禁按原规格使用,钢筋表面应保持清洁4混凝土所用的水泥,水、骨料等必须符合施工规范规定5混凝土配合比,原材料计量、搅拌、养护必须符合施工规范规定6门框的预埋件均无锈蚀并涂油,位置准确,固定牢靠7门框墙严禁胡蜂窝、孔洞和露筋基本项目项目质量情况等级123456789101麻面允许偏差项目项目允许偏差(mm)实侧偏差值(mm)钢筋砼圆拱门...

1、当您付费下载文档后,您只拥有了使用权限,并不意味着购买了版权,文档只能用于自身使用,不得用于其他商业用途(如 [转卖]进行直接盈利或[编辑后售卖]进行间接盈利)。
2、本站所有内容均由合作方或网友上传,本站不对文档的完整性、权威性及其观点立场正确性做任何保证或承诺!文档内容仅供研究参考,付费前请自行鉴别。
3、如文档内容存在违规,或者侵犯商业秘密、侵犯著作权等,请点击“违规举报”。

碎片内容

人防工程验收表格最新

确认删除?
VIP
微信客服
  • 扫码咨询
会员Q群
  • 会员专属群点击这里加入QQ群
客服邮箱
回到顶部