电脑桌面
添加小米粒文库到电脑桌面
安装后可以在桌面快捷访问

一套完整的弱电数据中心机房季巡检记录表

一套完整的弱电数据中心机房季巡检记录表_第1页
1/50
一套完整的弱电数据中心机房季巡检记录表_第2页
2/50
一套完整的弱电数据中心机房季巡检记录表_第3页
3/50
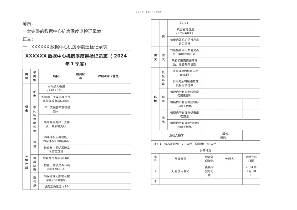
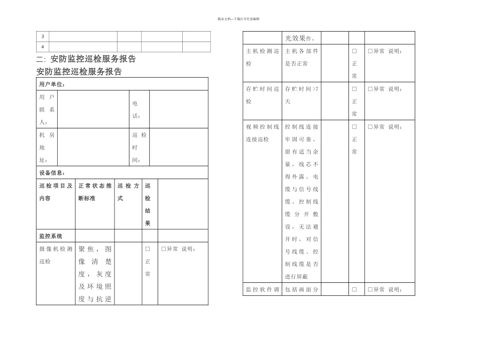
精品文档---下载后可任意编辑前言:一套完整的数据中心机房季度巡检记录表正文:一:XXXXXX 数据中心机房季度巡检记录表XXXXXX 数据中心机房季度巡检记录表( 2024 年 1 季度)类别子类别项目检测状态详细说明(备注)供电配电 市电输入电压(220±5%) 配电柜开关及电线是否有损坏或有异味异响不间断供电系统 UPS 无报警声及错误显示 电池外观完好,无膨胀,漏液或变形环境控制环境 清理地板所有垃圾,确保地板和机柜清洁 检查室内照明系统工作是否正常机房防盗检查是否有防盗门窗 检查门窗锁是否有锁芯或把手松动空调系 确保空调无报警及控制屏无错误报警 机房室内温度(20-统30℃) 机房室内湿度(20%-60%)检查内外机的运行声音是否正常防火防火气瓶柜内部压力值是否在正常的范围之内 气瓶柜表面无损坏现象,检验有效日期机柜机柜环境 清除机柜内所有无用的东西 机柜内所有线路应在其各自线槽中弱电机柜内所有弱电线缆是否通讯正常机柜内所有弱电线缆标示牌无损坏强电机柜内所有强电供电是否正常机柜内所有强电线缆标示牌无损坏巡检人签字 组长: 成员:注:1、状态正常用“√”表示,异常用“×”表示异常处理序号故障原因异常处理措施处理人处理完成日期1灯管使用老化更换同型号灯管2024 年7 月 10日2精品文档---下载后可任意编辑34二:安防监控巡检服务报告安防监控巡检服务报告用户单位:用 户联 系人:电话:机 房地址:巡 检时间:设备信息:巡 检 项 目 及内容正 常 状 态 推断标准巡 检 方式巡检结果监控系统摄 像 机 检 测巡检聚 焦 , 图像清楚度 , 灰 度及 环 境 照度 与 抗 逆□正常□异常 说明:光效果作,主 机 检 测 巡检主 机 各 部 件是否正常□正常□异常 说明:存 贮 时 间 巡检存 贮 时 间 >7天□正常□异常 说明:视 频 控 制 线连接巡检控 制 线 连 接牢 固 可 靠 ,留 有 适 当 余量 , 线 芯 不得 外 露 。 电缆 与 信 号 线缆 、 控 制 线缆 分 开 敷设 , 无 法 避开 时 , 对 信号 线 缆 、 控制 线 缆 是 否进行屏蔽□正常□异常 说明:监 控 软 件 调包 括 画 面 分□□异常 说明:精品文档---下载后可任意编辑试巡检割 功 能 、 控制 功 能 、 显示 功 能 、 存储 功 能 、 回放 功 能 、 远程 传 输 功能 、 报 警 联动 系 统 等等...

1、当您付费下载文档后,您只拥有了使用权限,并不意味着购买了版权,文档只能用于自身使用,不得用于其他商业用途(如 [转卖]进行直接盈利或[编辑后售卖]进行间接盈利)。
2、本站所有内容均由合作方或网友上传,本站不对文档的完整性、权威性及其观点立场正确性做任何保证或承诺!文档内容仅供研究参考,付费前请自行鉴别。
3、如文档内容存在违规,或者侵犯商业秘密、侵犯著作权等,请点击“违规举报”。

碎片内容

一套完整的弱电数据中心机房季巡检记录表

您可能关注的文档

确认删除?
VIP
微信客服
  • 扫码咨询
会员Q群
  • 会员专属群点击这里加入QQ群
客服邮箱
回到顶部