电脑桌面
添加小米粒文库到电脑桌面
安装后可以在桌面快捷访问

一灯单控一灯双控一灯三控一灯多控照明电路图

一灯单控一灯双控一灯三控一灯多控照明电路图_第1页
1/11
一灯单控一灯双控一灯三控一灯多控照明电路图_第2页
2/11
一灯单控一灯双控一灯三控一灯多控照明电路图_第3页
3/11
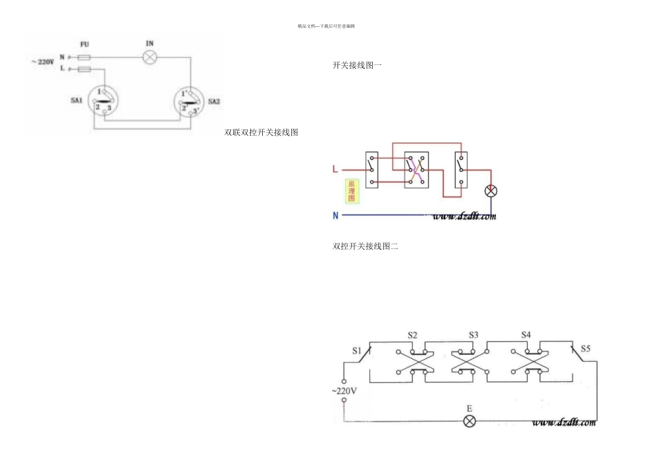
精品文档---下载后可任意编辑双控开关接线图三控开关接线图日光灯接线图精品文档---下载后可任意编辑 精品文档---下载后可任意编辑双联双控开关接线图 开关接线图一双控开关接线图二精品文档---下载后可任意编辑双控开关接线图三 单联双控开关接线原理图双联或多联双控开关接线原理参照此图即可精品文档---下载后可任意编辑单联双控开关接线/物件图双联或多联双控开关接线原理参照此图即可精品文档---下载后可任意编辑单联多控开关接线原理图双联或多联多控开关接线原理参照此图即可精品文档---下载后可任意编辑单联多控开关接线物件图双联或多联多控开关接线原理参照此图即可精品文档---下载后可任意编辑单联双控开关接线图、单联多控开关接线原理图/比较图精品文档---下载后可任意编辑单联双控开关接线图、单联多控开关接线图/比较图楼梯间双控开关接线图及实物连线图双联双控开关接线图,整理双联双控开关接线图的三种接线方法精品文档---下载后可任意编辑特别提醒,采纳省线法,虽然节约些导线,但安全隐患非常大,特别是使用的开关质量不好时,常由于切换接线端时,由于开关分离不彻底,比较容易导致开关内部短路,从而导致整个线路短路,烧毁电表保险丝,假如使用了一段时间之后,这种表现尤为突出。因此不提倡使用这种省线法布线。精品文档---下载后可任意编辑一灯三控接线图三个位置控制一个灯,需要两只双控开关加一只中途开关;四个位置控制一个灯,需要两只双控开关加两只中途开关;五个位置控制一个灯,需要两只双控开关加三只中途开关,以此类推。在电线排设上,同双控的排线一样都是排双线,只要注意两个双控开关装配在双线的前后两端,中途开关装配在中间即可(中途开关在中间实现两条电线的换向通断)。双控开关好买,中途开关不好买而且巨贵,不过可以自己动手改制。简单的办法是买一个两开双控开关,中间用 502 胶水点一下,让两个双控开关一起联动,就是中途开关了。接线可看下面的原理图。

1、当您付费下载文档后,您只拥有了使用权限,并不意味着购买了版权,文档只能用于自身使用,不得用于其他商业用途(如 [转卖]进行直接盈利或[编辑后售卖]进行间接盈利)。
2、本站所有内容均由合作方或网友上传,本站不对文档的完整性、权威性及其观点立场正确性做任何保证或承诺!文档内容仅供研究参考,付费前请自行鉴别。
3、如文档内容存在违规,或者侵犯商业秘密、侵犯著作权等,请点击“违规举报”。

碎片内容

一灯单控一灯双控一灯三控一灯多控照明电路图

您可能关注的文档

确认删除?
VIP
微信客服
  • 扫码咨询
会员Q群
  • 会员专属群点击这里加入QQ群
客服邮箱
回到顶部