电脑桌面
添加小米粒文库到电脑桌面
安装后可以在桌面快捷访问

250mm厚地下室顶板(扣件式)计算书(支撑高度:5.57m)

250mm厚地下室顶板(扣件式)计算书(支撑高度:5.57m)_第1页
1/11
250mm厚地下室顶板(扣件式)计算书(支撑高度:5.57m)_第2页
2/11
250mm厚地下室顶板(扣件式)计算书(支撑高度:5.57m)_第3页
3/11
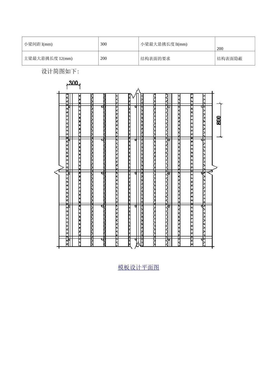
10.1、250mm 厚地下室顶板(扣件式)计算书(支撑高度:5.57m)计算依据:1、《建筑施工脚手架安全技术统一标准》GB51210-20162、《建筑施工扣件式钢管脚手架安全技术规范》JGJ130-20113、《建筑施工模板安全技术规范》JGJ162-20084、《混凝土结构设计规范》GB50010-20105、《建筑结构荷载规范》GB50009-20126、《钢结构设计标准》GB50017-2017、工程属性新浇混凝土楼板名称1新浇混凝土楼板板厚(mm)250模板支架高度 H(m)5.57模板支架纵向长度 L(m)64模板支架横向长度 B(m)53二、荷载设计模板及其支架自重标准值 G1k(kN/m2)面板0.1面板及小梁0.3楼板模板0.5混凝土自重标准值 G2k(kN/m3)24 钢筋自重标准值 G3k(kN/m3)1.1施工荷载标准值 Q1k(kN/m2)2.5模板支拆环境不考虑风荷载三、模板体系设计结构重要性系数 Y01.1脚手架安全等级I 级主梁布置方向平行立杆纵向方向立杆纵向间距 la(mm)800立杆横向间距 lb(mm)800水平拉杆步距 h(mm)1500小梁间距 l(mm)300小梁最大悬挑长度 ll(mm)200主梁最大悬挑长度 12(mm)200结构表面的要求结构表面隐蔽设计简图如下:模板设计平面图^anw+U.lr'-ihJFl-■JUHh」L-'lHM 門 MH口J*uJA>ftV!in5nTLV■hV'-iLV}■■■■-.I/zzz!■■■■■-.j模板设计剖面图 ( 模板支架纵 向 ) •;:・••::・:冷•・:,":.:咛・::・:;▽*:・::;:$奢J/」:/:.:兀・••・::・:;•:・:%£:・::皆:・:•;:・:;•/・・::.:;・:.:兀■总护J::."®;:/也用推:■::■:7TV:-fXXXXXXr>::■::■::■::.■::■::

1、当您付费下载文档后,您只拥有了使用权限,并不意味着购买了版权,文档只能用于自身使用,不得用于其他商业用途(如 [转卖]进行直接盈利或[编辑后售卖]进行间接盈利)。
2、本站所有内容均由合作方或网友上传,本站不对文档的完整性、权威性及其观点立场正确性做任何保证或承诺!文档内容仅供研究参考,付费前请自行鉴别。
3、如文档内容存在违规,或者侵犯商业秘密、侵犯著作权等,请点击“违规举报”。

碎片内容

250mm厚地下室顶板(扣件式)计算书(支撑高度:5.57m)

wxg+ 关注
实名认证
内容提供者

该用户很懒,什么也没介绍

确认删除?
微信客服
  • 扫码咨询
会员Q群
  • 会员专属群点击这里加入QQ群