电脑桌面
添加小米粒文库到电脑桌面
安装后可以在桌面快捷访问

人防电气工程施工方案

人防电气工程施工方案_第1页
1/10
人防电气工程施工方案_第2页
2/10
人防电气工程施工方案_第3页
3/10
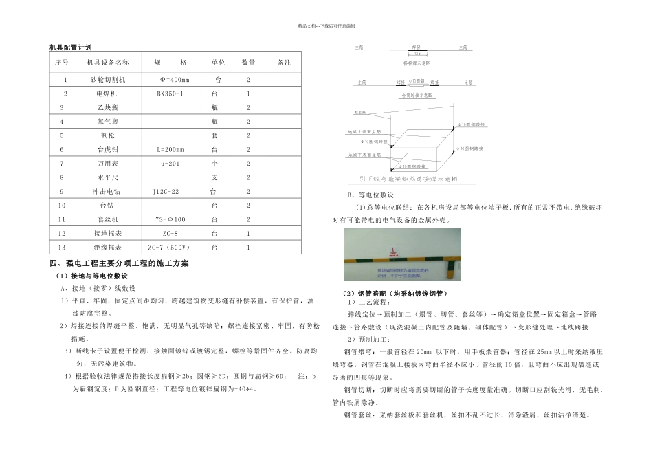
精品文档---下载后可任意编辑防电气工程施工方审批:审核:编制:盛世名门二期项目一、编制依据二、 工程概况地下室平常为停车场,战时为三个六级乙类人防物资库和一个移动电站,搬运方式为人工搬运 2,掩蔽面积为 6500m 2.本工程为附建式乙类人防工程,工程抗力级别为:防常规武器抗力级别为 6 级,防化学武器级别为丁级,战时人防总配电箱引出配电线路均按电施要求实施,顶板或梁底用吊钩或穿管埋地暗敷。穿墙,埋地敷设的线路必须配合土建施工做好预埋。管材选用 SC 钢管(厚度不小于 2.5mm),各人员出入口、连通口密闭门门框墙上各预埋 5SC50 热镀锌钢管。穿越围护结构、防护密闭隔墙、密闭墙的电缆、线穿墙套管均应采纳壁厚不小于 2.5mm 的热镀锌钢管。平常管线穿越人防外墙、临空墙及密闭隔墙的各种电缆管线和预留备用管应进行防护或密闭处理处理,各人员出入口装设疏散指示灯;引至防护密闭门外灯具的照明线路应在防护门内侧单独设置熔断器保护,具体详见 07FD02-31、32 页及电施-01。为了满足战时要求,防护区内的灯具应采纳链吊式或线吊,平战相,结合灯具,若没有满足战时要求条件时,在临战前要改装或加装防掉落保护网罩,防护区外的灯具不受此限制,所有配电箱均挂墙明装。本工程配电采纳 TN-S 系统,电源在进线处 PE 线做重复接地并做总等电位联结,总等电位端子箱底边距地坪,0.3m 处,明装,具体作法见图集:02D501-2。接地系统利用工程结构钢筋网做总等电位联结,所有电气设备及正常时不带电事故时有可能带电的金属外壳,底座支架等均需可靠接地,人防密闭门(或临战封堵)专用接地引上线,采纳-40x4 镀锌扁钢从接地网引上至地下室距地 0.3 米预埋,进出防空地下室的线路一律用埋地敷设的电缆经防爆波井引入或引出;穿墙管应采纳钢管。穿越防护密闭墙的管线密闭处理,其方法为:在预埋套管与电缆之间用沥青麻丝或其它具有较好粘着力和,柔性的材料嵌实,在墙外侧用抗力片旋紧,内侧用封口材料敷在表面。平常设计选用的吸顶文件名称编号类别《高层民用建筑设计防火法律规范》GB50045-2024 版《汽车库、修车库、停车场设计防火法律规范》GB50067-1999 版《民用建筑电气设计法律规范》JGJ16-2024 《供配电系统设计法律规范》GB50052-2024 《低压配电设计法律规范》GB50054-2024 《建筑物防雷设计法律规范》GB50057-2024 《建筑照明设计标准》GB50034-2024《人民防空地下室设计法律规范》GB50038-2024《人...

1、当您付费下载文档后,您只拥有了使用权限,并不意味着购买了版权,文档只能用于自身使用,不得用于其他商业用途(如 [转卖]进行直接盈利或[编辑后售卖]进行间接盈利)。
2、本站所有内容均由合作方或网友上传,本站不对文档的完整性、权威性及其观点立场正确性做任何保证或承诺!文档内容仅供研究参考,付费前请自行鉴别。
3、如文档内容存在违规,或者侵犯商业秘密、侵犯著作权等,请点击“违规举报”。

碎片内容

人防电气工程施工方案

您可能关注的文档

确认删除?
VIP
微信客服
  • 扫码咨询
会员Q群
  • 会员专属群点击这里加入QQ群
客服邮箱
回到顶部