电脑桌面
添加小米粒文库到电脑桌面
安装后可以在桌面快捷访问

复工复产安全检查表VIP专享

复工复产安全检查表_第1页
1/24
复工复产安全检查表_第2页
2/24
复工复产安全检查表_第3页
3/24
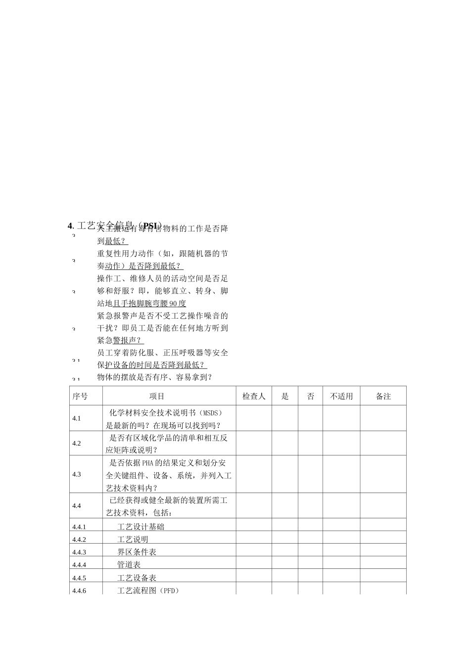
公司复工复产安全检查表1.人身安全序号项目检查人是否不适用备注1.1是否准确全面识别了现场的危害,并对有关人员(操作,维护,技术,主管)进行安全培训,危害告知,1.2个人防护1.2.1个人安全防护设施配备是否符合现场危害特性?1.2.2个人安全防护设施足够吗?1.2.3个人安全防护设施是否检验合格且在有效期内?1.2.4个人安全防护设施是否放在合适和容易取到的位置?1.2.5个人安全防护设施相应人员都已受训并能正确使用吗?1.3安全监测1.3.1便携式和固定式安全监测仪表已到位?1.3.2便携式和固定式安全监测仪表是否检验合格且在有效期限内,并可以正常工作?1.3.3相应人员都已受训并能正确使用吗?1.4安全警示标识1.4.1是否有足够的标志牌、围栏等来标示工作区域或危险区域?1.4.2仓储区(暂存区)是否有明确的标识?1.4.3现场受限空间(如阀门井、隔油池、电缆沟、下水井、易缺氧或易中毒场所等)是否有安全标识?1.4.4生产过程中产生的危险化学品是否都设置了相应的警示标识,标明其危害特性及防护处理措施?1.4.5对曾经装运危险物料的管道、桶、贮槽等是否做出识别、处理及标识?1.4.6上锁点有清楚的标示/标签且容易操作1.5现场防护1.5.1所有冷/热表面有适当防护,来防止烫伤或冻伤1.5.2撞到/绊倒的危害被识别,且所有锐角被移除1.5.3噪音高的区域是否米取了降噪措施或有明显标识?1.5.4地面的孔洞具有护盖1.5.5 通往高处平台是否有通道或梯子?3.3.3.3.3.13.1人工搬运有毒有害物料的工作是否降到最低?重复性用力动作(如,跟随机器的节奏动作)是否降到最低?操作工、维修人员的活动空间是否足够和舒服?即,能够直立、转身、脚站地且手抱脚腕弯腰 90 度 紧急报警声是否不受工艺操作噪音的干扰?即员工是否能在任何地方听到紧急警报声?员工穿着防化服、正压呼吸器等安全保护设备的时间是否降到最低?物体的摆放是否有序、容易拿到?4.工艺安全信息(PSI)序号项目检查人是否不适用备注4.1化学材料安全技术说明书(MSDS)是最新的吗?在现场可以找到吗?4.2是否有区域化学品的清单和相互反应矩阵或说明?4.3是否依据 PHA 的结果定义和划分安全关键组件、设备、系统,并列入工艺技术资料内?4.4已经获得或健全最新的装置所需工艺技术资料,包括:4.4.1工艺设计基础4.4.2工艺说明4.4.3界区条件表4.4.4管道表4.4.5工艺设备表4.4.6工艺流程图(PFD)1.5.5 通往高处平台是否有通道或梯子?4.4.7管道及仪表流程图(PID、UID)4.4.8工艺设备...

1、当您付费下载文档后,您只拥有了使用权限,并不意味着购买了版权,文档只能用于自身使用,不得用于其他商业用途(如 [转卖]进行直接盈利或[编辑后售卖]进行间接盈利)。
2、本站所有内容均由合作方或网友上传,本站不对文档的完整性、权威性及其观点立场正确性做任何保证或承诺!文档内容仅供研究参考,付费前请自行鉴别。
3、如文档内容存在违规,或者侵犯商业秘密、侵犯著作权等,请点击“违规举报”。

碎片内容

复工复产安全检查表

确认删除?
VIP
微信客服
  • 扫码咨询
会员Q群
  • 会员专属群点击这里加入QQ群
客服邮箱
回到顶部