电脑桌面
添加小米粒文库到电脑桌面
安装后可以在桌面快捷访问

不同温度下空气中饱和水分含量及饱和蒸汽压真空设备有限责任公司VIP免费

不同温度下空气中饱和水分含量及饱和蒸汽压真空设备有限责任公司_第1页
1/13
不同温度下空气中饱和水分含量及饱和蒸汽压真空设备有限责任公司_第2页
2/13
不同温度下空气中饱和水分含量及饱和蒸汽压真空设备有限责任公司_第3页
3/13
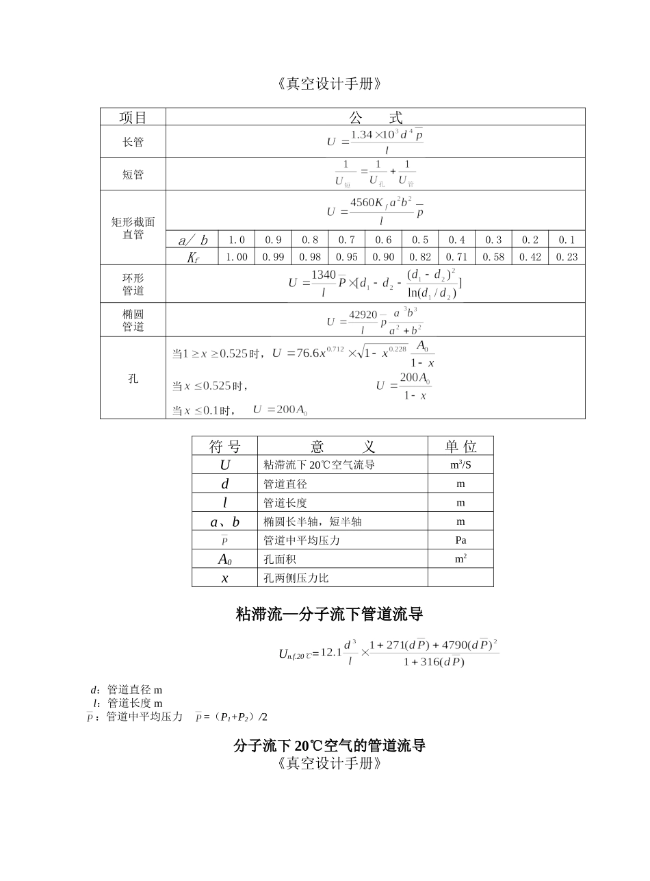
不同温度下空气中饱和水分含量及饱和蒸汽压真空设备有限责任公司温度℃饱和水分含量g/m3饱和蒸汽压Pa温度℃饱和水分含量g/m3饱和蒸汽压Pa4050.917368.624-121.81217.38243846.006618.708-141.52181.28523641.515935.392-161.27150.78243437.405314.68-181.06125.07483233.644483.512-200.888103.36323030.304238.42-220.73685.2482827.203776.22-240.59070.06322624.303357.972-260.50457.2762421.802981.016-280.41446.75322219.402641.356-300.34038.09522017.302336.33-320.27730.76921815.362061.936-340.22624.90841613.631815.516-360.18420.11321412.051597.068-380.14916.11721210.681401.264-400.12012.9204109.351226.77-420.09610.256488.281072.26-440.0778.125267.28933.732-460.0616.393646.39812.52-480.0495.061625.60704.628-500.0383.862804.85609.923-520.0303.0636-24.14516.816-540.0242.3976-43.52436.896-560.0181.8648-63.00368.298-580.0141.4652-82.54309.8232-600.0111.0656-102.14259.74-900.0093粘滞流下20℃空气的管道流导《真空设计手册》项目公式长管短管矩形截面直管a/b1.00.90.80.70.60.50.40.30.20.1Kf1.000.990.980.950.900.820.710.580.420.23环形管道椭圆管道孔当时,当时,当时,符号意义单位U粘滞流下20℃空气流导m3/Sd管道直径ml管道长度ma、b椭圆长半轴,短半轴m管道中平均压力PaA0孔面积m2x孔两侧压力比粘滞流—分子流下管道流导Un.f.20℃=d:管道直径ml:管道长度m:管道中平均压力=(P1+P2)/2分子流下20℃空气的管道流导《真空设计手册》项目公式圆长管圆孔圆短管L/d00.050.10.20.40.60.8a10.9650.9310.870.7690.690.6251.0246810204060801000.5720.40.250.1820.1430.1170.06250.0320.020.0010正方形矩形b/a10.6670.5000.3330.2000.1250.100Kf1.1081.1261.1511.1981.2971.4001.444等边三角形扁缝形a>>bl/b0.10.20.40.81Kb0.0360.0680.130.220.26234510>100.400.520.600.670.941环形d2/d100.2590.50.7070.8660.966Ka11.0721.1541.2541.4301.675椭圆形锥形直角弯管按直管计算,管道计算长度缩孔符号:——流导(L/s)a和b——椭圆长半轴、短半轴——管长(cm)——面积(cm2)——管道直径(cm)材料物理性能组别牌号重度g/cm3膨胀系数d×106导热系数卡/厘米.秒.度电阻系数Ω.mm2/m熔点℃纯铜T18.920℃17.70.961083T28.917.70.951080T48.8917.40.431080黄铜H908.818.20.40.039H808.6519.10.340.054H658.4720.10.2880.069H628.4320.60.260.071纯铝20~100℃20~200℃L62.712424.80.54658L42.712424.80.52LY112.82223.40.41铸铝ZL22.810.230.240.33~0.354.66~4.926ZL52.580.2450.2550.218.21ZL102.650.190.210.385.27~5.57ZL142.70.220.230.35~0.455.88~6.67碳钢10钢7.8511.60.8080.13245钢7.8111.590.5020.132不锈钢1Cr18Ni97.90.0390.0420.1630.731Cr18Ni9Ti7.750.0390.0420.1630.73GB5832.2-86气体中微量水分的测定-露点法1适用范围本标准适用于氧、氮、氢、氦、氖、氩、氪、氙、二氧化碳等气体中微量水分露点的测定。其测量范围0℃~-70℃。2原理2.1术语说明水分露点——在恒定的压力下,气体中的水蒸气达到饱和时的温度。2.2方法原理本法用露点仪进行测定。使被测气体在恒定压力下,以一定的流量流经露点仪溅定室中的抛光金属镜面。该镜面的温度可人为地降低并可精确地测量。当气体中的水蒸气随着镜面温度的逐渐降低而达到饱和时,镜面上开始出现露,此时所测量到的镜面温度即为露点。(由露点和气体中水分含量的换算式或查表,即可得到气体中微量水分含量。)3仪器3.1概述仪器可以用不同的方法设计,主要的不同在于金属镜面的性质、用于冷却镜面的方法、如何控制镜面的温度、测定温度的方法以及检测出露的方法。镜子和它的附件通常安放在气体样品流经的测定室中。3.2仪器的一般要求提供下述装置、满足基本要求的任何露点仪都可以使用。3.2.1当仪器温度高于气体中水分露点至少2℃时,可以控制气体进出仪器的流量。3.2.2把流动的样品气冷到足够低的温度,使得水蒸气能凝结,冷却的速度可调。3.2.3能观察露的出现和准确地测量露点。3.2.4...

1、当您付费下载文档后,您只拥有了使用权限,并不意味着购买了版权,文档只能用于自身使用,不得用于其他商业用途(如 [转卖]进行直接盈利或[编辑后售卖]进行间接盈利)。
2、本站所有内容均由合作方或网友上传,本站不对文档的完整性、权威性及其观点立场正确性做任何保证或承诺!文档内容仅供研究参考,付费前请自行鉴别。
3、如文档内容存在违规,或者侵犯商业秘密、侵犯著作权等,请点击“违规举报”。

碎片内容

不同温度下空气中饱和水分含量及饱和蒸汽压真空设备有限责任公司

您可能关注的文档

文章天下+ 关注
实名认证
内容提供者

各种文档应有尽有

确认删除?
VIP
微信客服
  • 扫码咨询
会员Q群
  • 会员专属群点击这里加入QQ群
客服邮箱
回到顶部