电脑桌面
添加小米粒文库到电脑桌面
安装后可以在桌面快捷访问

光面爆破施工方案

光面爆破施工方案_第1页
1/5
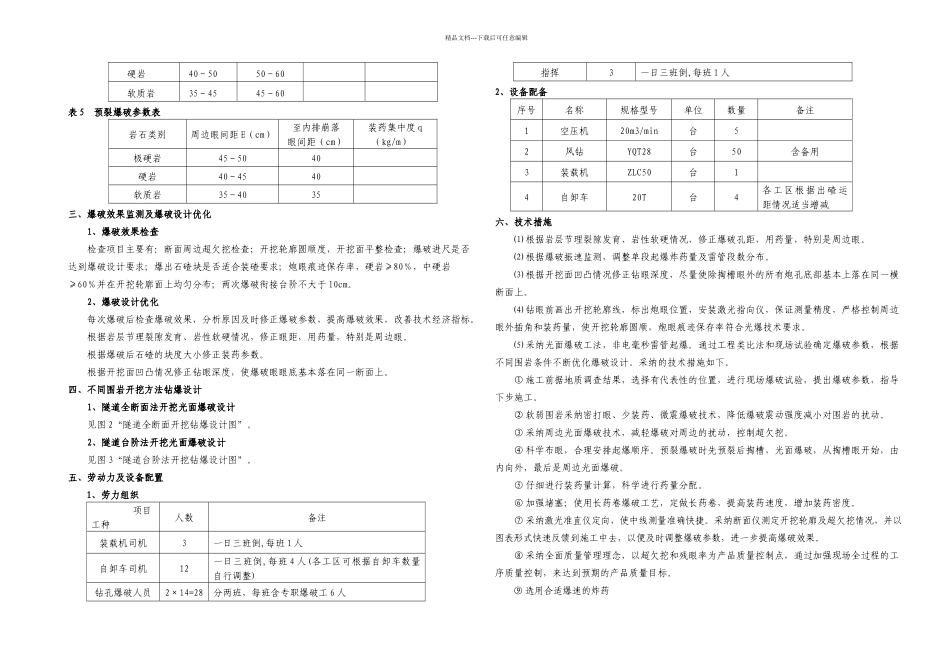
光面爆破施工方案_第2页
2/5
光面爆破施工方案_第3页
3/5
放样布眼定位开眼 钻 眼 清 孔 装 药联起爆网络 起 爆 通 风光爆效果检查继续实施地质调查初步爆破方案光爆参数选择掏槽眼设计初步光爆设计修改爆破设计没达标达标关键工序、特别过程施工方案【光面爆破】编制:复核:审核:中交太中银铁路工程第八项目经理部二 OO 六年十二月光面爆破施工方案一、工程说明太中银铁路 ZQ-II 标八项目管段内共有 7 座隧道,2 座为黄土隧道,其余均为石质隧道,通过地层主要为砂岩夹泥岩地层,岩层产状水平,节理裂隙发育。地下水主要为基岩裂隙水及第四系孔隙潜水,部分地段地下水为承压水。由于本段围岩所具有的特点决定了隧道开挖成拱性差,开挖支护难度大,进而影响施工进度、施工质量及施工安全,因此对隧道的光面爆破提出了更高的要求。本段内围岩级别有Ⅱ、Ⅲ、Ⅳ、Ⅴ级,针对不同的围岩级别采纳不同的开挖方法,主要有全断面法、台阶法、中隔壁法,本施工方案针对不同的开挖方法、不同的地质情况确定合理的钻爆方案,选择合理的爆破参数和施工工艺,提高光爆效果和效率。二、隧道光面爆破施工工艺1、光面爆破施工工艺流程见图 1“光面爆破施工工艺流程图”。2、光面爆破工艺要求⑴ 钻爆设计① 设计原则:根据围岩特点合理选择周边眼间距及周边眼的最小抵抗线,辅助炮眼交错均匀布置,周边炮眼与辅助炮眼眼底在同一垂直面上,掏槽眼加深 10~20cm。严格控制周边眼装药量,间隔装药,使药量沿炮眼全长均匀分布。选用低密度低爆速、低猛度的炸药;本工程采纳岩石销铵炸药和乳化炸药,非电毫秒雷管起爆。采纳微差爆破,周边眼采纳导爆索起爆,以减小起爆时差。② 钻爆设计要求爆破作业由爆破工程师根据地质条件、开挖断面、开挖方法、掘进循环进尺、钻眼机具、爆破器材等进行爆破设计。合理选择爆破参数,根据围岩情况合理选择中空直眼或斜眼掏槽。爆破后要求炮眼痕迹保存率:硬岩≥80%,中硬岩≥60%,并在开挖轮廓面上均匀分布,两次爆破衔接台阶不大于 15cm。每次爆破后通过爆破效果检查,分析原因,及时修正爆破参数,提高爆破效果,改善技术经济指标。洞口附近爆破施工严格控制单段装药量,降低震速,确保周边民房及其他构筑物的安全。图 1 光面爆破施工工艺流程图⑵ 掏槽方式采纳中空直眼或斜眼掏槽。直眼掏槽操作较简单,钻孔方向易掌握;当石质较硬、断面较大时,采纳斜眼掏槽,以便减少钻眼数量。⑶ 放样布眼钻眼前,测量人员要用红铅油准确绘出开挖面的中线和轮廓线,标出...

1、当您付费下载文档后,您只拥有了使用权限,并不意味着购买了版权,文档只能用于自身使用,不得用于其他商业用途(如 [转卖]进行直接盈利或[编辑后售卖]进行间接盈利)。
2、本站所有内容均由合作方或网友上传,本站不对文档的完整性、权威性及其观点立场正确性做任何保证或承诺!文档内容仅供研究参考,付费前请自行鉴别。
3、如文档内容存在违规,或者侵犯商业秘密、侵犯著作权等,请点击“违规举报”。

碎片内容

光面爆破施工方案

确认删除?
VIP
微信客服
  • 扫码咨询
会员Q群
  • 会员专属群点击这里加入QQ群
客服邮箱
回到顶部