电脑桌面
添加小米粒文库到电脑桌面
安装后可以在桌面快捷访问

公路试验检测频率一览表

公路试验检测频率一览表_第1页
1/22
公路试验检测频率一览表_第2页
2/22
公路试验检测频率一览表_第3页
3/22
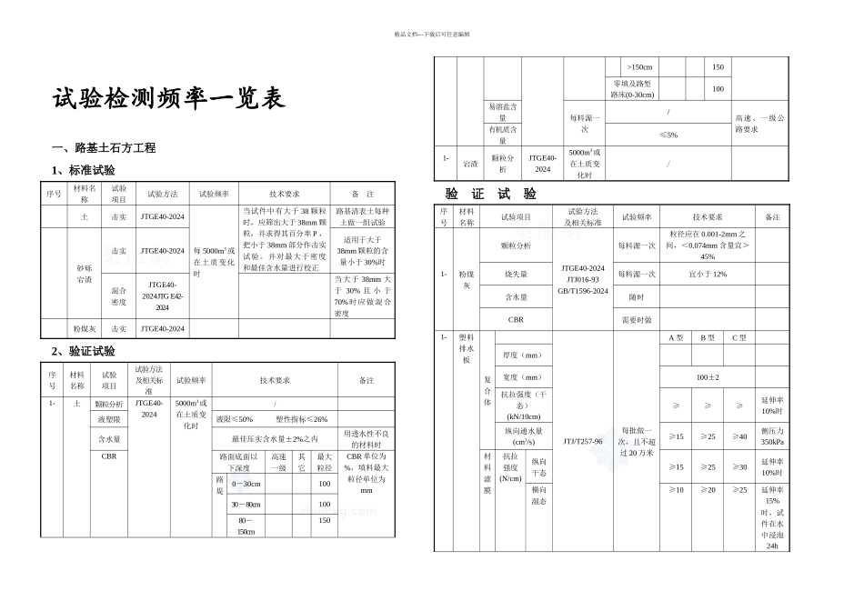
精品文档---下载后可任意编辑试验检测频率一览表一、路基土石方工程1、标准试验序号材料名称试验项目试验方法试验频率技术要求备 注土击实JTGE40-2024每 5000m3 或在土质变化时当试件中有大于 38 颗粒时,应筛出大于 38mm 颗粒,并求得其百分率 P ,把小于 38mm 部分作击实试验。并对最大于密度和最佳含水量进行校正路基清表土每种土做一组试验砂砾宕渣击实JTGE40-2024适用于大于38mm 颗粒的含量小于 30%时 混合密度JTGE40-2024JTG E42-2024当大于 38mm 大于 30% 且 小 于70%时应做混合密度粉煤灰击实JTGE40-20242、验证试验序号材料名称试验项目试验方法及相关标准试验频率技术要求备注1-土颗粒分析JTGE40-20245000m3或在土质变化时/液塑限液限≤50% 塑性指标≤26%含水量最佳压实含水量±2%之内用透水性不良的材料时CBR路面底面以下深度高速一级其它最大粒径CBR 单位为%,填料最大粒径单位为mm路堤0-30cm10030-80cm10080-150cm150>150cm150零填及路堑路床(0-30cm)100易溶盐含量每料源一次/高速、一级公路要求有机质含量≤5%1-宕渣颗粒分析JTGE40- 20245000m3或在土质变化时/验 证 试 验序号材料名称试验项目试验方法及相关标准试验频率技术要求备注1-粉煤灰颗粒分析JTGE40-2024 JTJ016-93GB/T1596-2024每料源一次粒径应在 0.001-2mm 之间,<0.074mm 含量宜>45%烧失量每料源一次宜小于 12%含水量随时CBR需要时做1-塑料排水板复合体JTJ/T257-96每批做一次,且不超过 20 万米A 型B 型C 型厚度(mm)宽度(mm)100±2抗拉强度(干态)(kN/10cm)≥≥≥延伸率10%时纵向通水量(cm3/s)≥15≥25≥40侧压力350kPa材料滤膜抗拉强度(N/cm)纵向干态≥15≥25≥30延伸率10%时横向湿态≥10≥20≥25延伸率15%时,试件在水中浸泡24h精品文档---下载后可任意编辑渗透系数(cm/s)≥5×10-4试件在水中浸泡 24h等效孔径(μm)<75以 O98计注:A 型排水板适用于打设深度小于 15m;B 型排水板适用于打设深度小于 25m;C 型排水板适用于打设深度小于 35m。另:若设计图纸有指标要求时按设计图纸执行。验 证 试 验序号材料名称试验项目拟采纳的目的试验频度备注加筋过滤排水坡面防护冲刷防护路面裂缝防治1-土工合成材料单位面积质量★★★★★★1 次/10000m2在组织现场施工以前及在材料来源发生变化时进行该指标试验。厚度△★★△★△孔径★★△★★★垂直渗透系数△★★×★×水平渗透系数△★★×★×条带拉伸★★...

1、当您付费下载文档后,您只拥有了使用权限,并不意味着购买了版权,文档只能用于自身使用,不得用于其他商业用途(如 [转卖]进行直接盈利或[编辑后售卖]进行间接盈利)。
2、本站所有内容均由合作方或网友上传,本站不对文档的完整性、权威性及其观点立场正确性做任何保证或承诺!文档内容仅供研究参考,付费前请自行鉴别。
3、如文档内容存在违规,或者侵犯商业秘密、侵犯著作权等,请点击“违规举报”。

碎片内容

公路试验检测频率一览表

办公文档专营+ 关注
实名认证
内容提供者

大量办公文档,欢迎选择

确认删除?
VIP
微信客服
  • 扫码咨询
会员Q群
  • 会员专属群点击这里加入QQ群
客服邮箱
回到顶部