电脑桌面
添加小米粒文库到电脑桌面
安装后可以在桌面快捷访问

大桥桥接线工程盖梁施工方案VIP免费

大桥桥接线工程盖梁施工方案_第1页
1/20
大桥桥接线工程盖梁施工方案_第2页
2/20
大桥桥接线工程盖梁施工方案_第3页
3/20
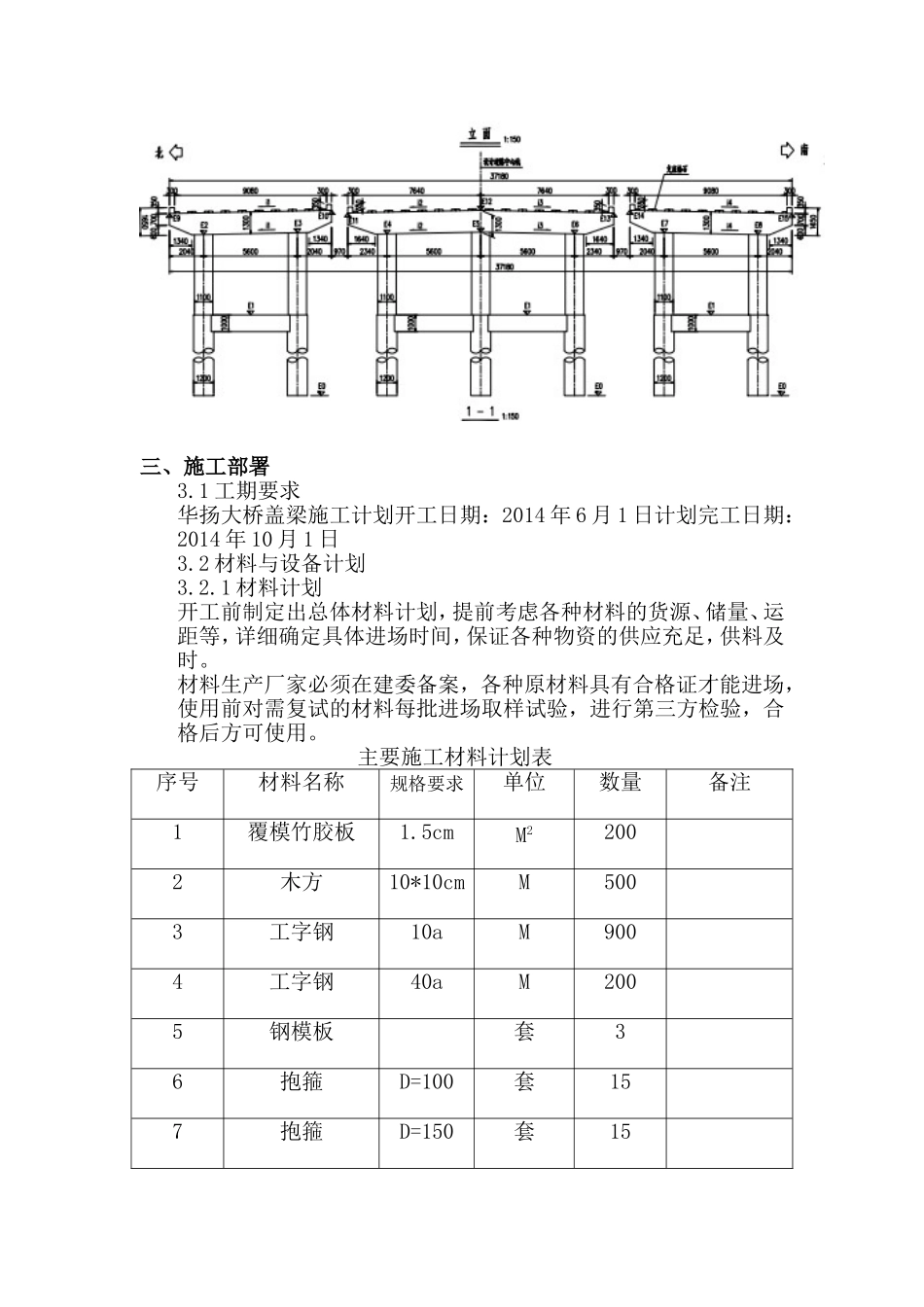
盖梁施工方案一、编制依据1.1《建筑施工模板安全技术规范》JGJ162-20081.2《工程施工图纸及施工组织设计》1.3《公路桥涵钢结构及木结构设计规范》JGJ025-861.4《公路桥涵施工技术规范》JTJ/TF50-20111.5《建筑结构荷载规范》GB50009-20121.6《建筑施工计算手册》1.7《路桥施工计算手册》二、工程概况编制范围:华扬大桥桥墩盖梁支架华扬路大桥工程桥梁宽度为37m,桥跨组合为4*20+5*35+4*20=335m。其中桥梁两侧引桥均为4*20m简支空心板梁结构,主桥为5*35m预制箱梁先简支后连续结构,盖梁分为双柱式盖梁及三柱式盖梁,非机动道为双柱式盖梁,机动车道为三柱式盖梁,分为主桥与引桥;主桥1.5(高)*2(宽)m,引桥1.3(高)*1.7(宽),主桥双柱式盖梁方量为23.455M3,间距为5m;三柱式方量为42.5m3,间距为5.4m,三柱式间距为5.4m。按照城乡建设部建质【2009】87号文有关要求,针对桥梁施工重点对模板与支架的施工应编制安全专项方案,并报企业技术负责人进行审查。为了规范本工程模板与支架搭设、拆除过程中的作业行为,防止各类安全事故的发生,有效的保障施工作业中的人员安全,特制定模板与支架专项施工方案。三、施工部署3.1工期要求华扬大桥盖梁施工计划开工日期:2014年6月1日计划完工日期:2014年10月1日3.2材料与设备计划3.2.1材料计划开工前制定出总体材料计划,提前考虑各种材料的货源、储量、运距等,详细确定具体进场时间,保证各种物资的供应充足,供料及时。材料生产厂家必须在建委备案,各种原材料具有合格证才能进场,使用前对需复试的材料每批进场取样试验,进行第三方检验,合格后方可使用。主要施工材料计划表序号材料名称规格要求单位数量备注1覆模竹胶板1.5cmM22002木方10*10cmM5003工字钢10aM9004工字钢40aM2005钢模板套36抱箍D=100套157抱箍D=150套153.2.2设备计划在施工中,必须配足相关设备,调整好机械设备的统筹使用。做好设备使用、保养、维修工作,保证各种设备的正常运行。支架、模板施工选用的主要机械、设备图见下表。主要施工机械、设备机械名称规格要求单位数量备注挖掘机PC200台1吊车25T台1电焊机台2氧气、乙炔套2千斤顶10T台4混凝土泵车HB60辆1混凝土运输车辆63.3劳动力计划根据总体施工进度计划,劳动力计划见下表劳动力计划表6月7月8月9月备注管理人员5555木工混凝土工8888操作工3333钢筋工1010105普工10101010合计36363631四、支架搭设总体方案为了满足工程施工需要,现浇结构的支架及模板体系必须保证足够的强度、刚度和稳定性,以承受新浇混凝土结构荷载和施工荷载,达到模板不破坏、不变形等要求,保证结构的各部件形状、尺寸和位置的正确性。模板设计方案应考虑施工搭设拆除方便及确保施工安全。4.1总体设计桥墩盖梁采用在墩柱上设置抱箍作支撑,抱箍上放置40a工字钢,用U型螺栓连接,再于工字钢上设置间距0.475m10a工字钢作横梁,中间加密一道10*10的木方,横梁与纵梁采用U型螺栓连接,于横梁上铺设底模、绑扎钢筋及浇筑混凝土。抱箍采用两块半圆弧型钢板(板厚t=16mm)制成,M24的高强螺栓连接,抱箍高50cm,采用16根高强螺栓连接。抱箍紧箍在墩柱上产生摩擦力提供上部结构的支承反力,是主要的支承受力结构。为了提高墩柱与抱箍间的摩擦力,同时对墩柱砼面保护,在墩柱与抱箍之间设一层2~3mm厚的橡胶垫。盖梁侧模采用定型钢模,每一米设置四道螺栓以固定侧模,间距为0.5米。每个抱箍下面用2根20a槽钢支撑,钢丝固定在墩柱上。保证结构的稳定。具体简图见附图。4.2施工防护及施工平台4.2.1栏杆采用φ50的钢管搭设,在横梁上每隔2米设一道1.2m高的钢管立柱,竖向间隔0.5m设一道钢管横杆,钢管之间采用扣件连接。立柱与横梁的连接采用在横梁上设0.2m高的支座。钢管与支座之间采用销连接。4.2.2工作平台设在横梁悬出端,在横梁上铺设5cm厚的木板,木板与横梁之间采用铁丝绑扎牢靠,工作平台宽度为0.75m,外侧用防护网进行防护,边缘处设置20cm高的挡脚板,上下盖梁工作平台采用钢管搭设临时扶梯。五、施工方法及技术措施5.1施工工艺流程盖梁抱箍法施工工艺流程:安装钢管桩脚手支架→在墩柱上设置抱箍→拧紧10.9级高强度螺栓→放置40a工...

1、当您付费下载文档后,您只拥有了使用权限,并不意味着购买了版权,文档只能用于自身使用,不得用于其他商业用途(如 [转卖]进行直接盈利或[编辑后售卖]进行间接盈利)。
2、本站所有内容均由合作方或网友上传,本站不对文档的完整性、权威性及其观点立场正确性做任何保证或承诺!文档内容仅供研究参考,付费前请自行鉴别。
3、如文档内容存在违规,或者侵犯商业秘密、侵犯著作权等,请点击“违规举报”。

碎片内容

大桥桥接线工程盖梁施工方案

您可能关注的文档

确认删除?
VIP
微信客服
  • 扫码咨询
会员Q群
  • 会员专属群点击这里加入QQ群
客服邮箱
回到顶部