电脑桌面
添加小米粒文库到电脑桌面
安装后可以在桌面快捷访问

故障类型和影响分析

故障类型和影响分析_第1页
1/11
故障类型和影响分析_第2页
2/11
故障类型和影响分析_第3页
3/11
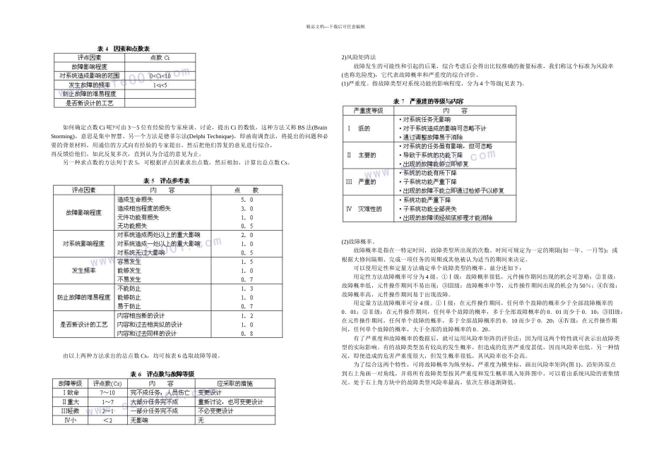
精品文档---下载后可任意编辑1 目的 FMEA 的目的是辨识单一设备和系统的故障模式及每种故障模式对系统或装置造成的影响。评价人员通常提出增加设备可靠性的建议,进而提出工艺安全对策。 2 故障和故障类型 1)故障 元件、子系统、系统在运行时,达不到设计规定的要求,不能完成任务的情况称为故障。 2)故障类型 系统、子系统或元件发生的每一种故障的形式称为故障类型。例如,—个阀门故障可以有 4 种故障类型:内漏、外漏、打不开、关不严。 3)故障等级 根据故障类型对系统或子系统影响程度的不同而划分的等级称为故障等级。 3 资料文件的要求 使用 FMEA 方法需要如下资料:①系统或装置的 P&IDS;②设备、配件一览表;③设备功能和故障模式方面的知识;④系统或装置功能及对设备故障处理方法知识。FMEA 方法可由单个分析人员完成,但需要其他人进行审查,以保证完整性。对评价人员的要求随着评价的设备项目大小和尺度有所不同。所有的 FMEA 评价人员都应对设备功能及故障模式熟悉,并了解这些故障模式如何影响系统或装置的其他部分。 4 故障分类 故障类型及发生故障的原因见表 1。 5 故障类型分级方法 5.1 定性分级方法 定性分级方法按故障类型对子系统或系统影响的严重程度分为 4 级(见表 2)。 划分故障等级主要是为了分出轻重缓急以实行相应的对策,提高系统的安全性。 5.2 半定量故障等级划分法 依据损失的严重程度、故障的影响范围、故障的发生频率、防止故障的难易程度和工艺设计等情况来确定半定量等级(见表 3)。 1)评点法 在难于取得可靠性数据的情况下,可以采纳评点法,此法较简单,划分精确。它从几个方面来考虑故障对系统的影响程度,用一定的点数表示程度的大小,通过计算,求出故障等级。 利用下式求评点数:式中 Cs——总点数,0

1、当您付费下载文档后,您只拥有了使用权限,并不意味着购买了版权,文档只能用于自身使用,不得用于其他商业用途(如 [转卖]进行直接盈利或[编辑后售卖]进行间接盈利)。
2、本站所有内容均由合作方或网友上传,本站不对文档的完整性、权威性及其观点立场正确性做任何保证或承诺!文档内容仅供研究参考,付费前请自行鉴别。
3、如文档内容存在违规,或者侵犯商业秘密、侵犯著作权等,请点击“违规举报”。

碎片内容

故障类型和影响分析

文森传品+ 关注
实名认证
内容提供者

一家传播文化教育的小店,资料丰富,随意挑选。

确认删除?
微信客服
  • 扫码咨询
会员Q群
  • 会员专属群点击这里加入QQ群