电脑桌面
添加小米粒文库到电脑桌面
安装后可以在桌面快捷访问

建筑节能工程检验批填写范例的目录VIP免费

建筑节能工程检验批填写范例的目录_第1页
1/17
建筑节能工程检验批填写范例的目录_第2页
2/17
建筑节能工程检验批填写范例的目录_第3页
3/17
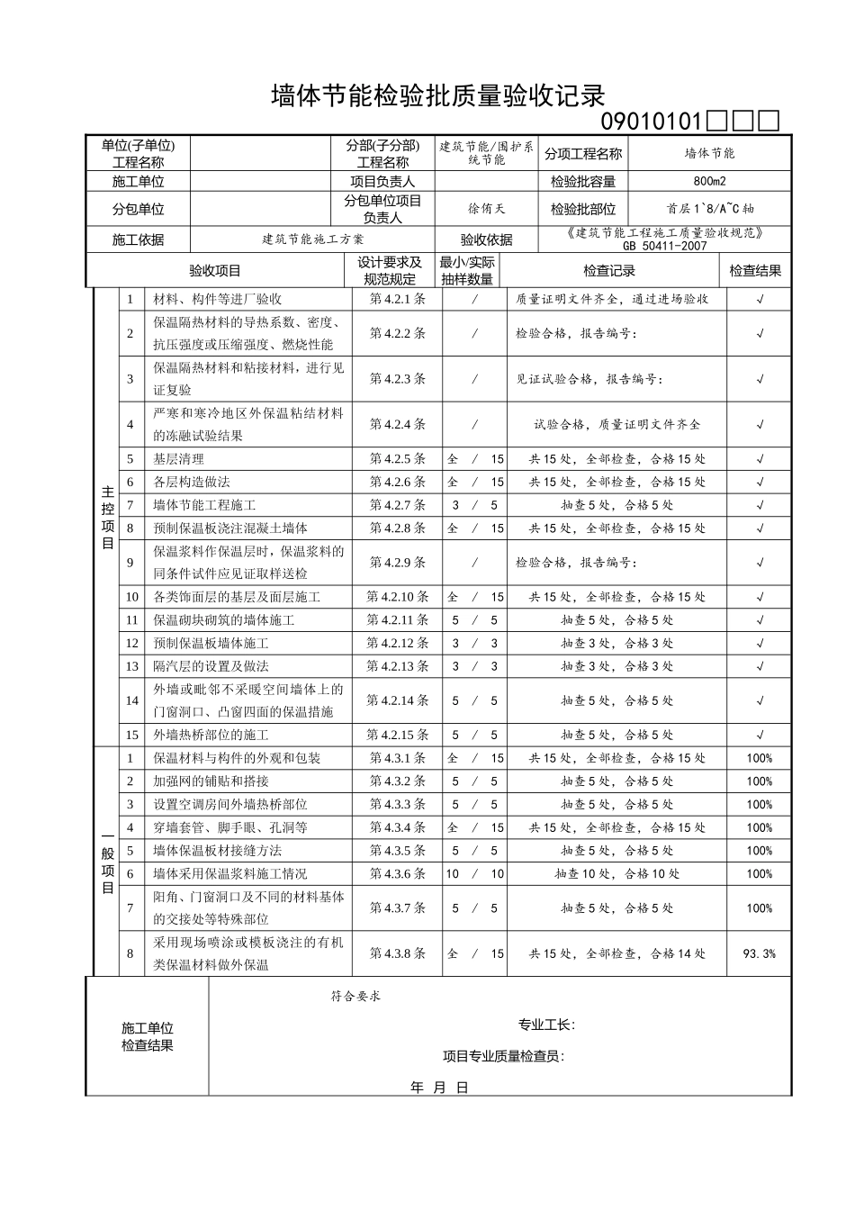
建筑节能工程检验批填写范例的目录0、建筑节能分部工程质量验收记录1、墙体节能检验批质量验收记录2、幕墙节能检验批质量验收记录3、门窗节能检验批质量验收记录4、屋面节能检验批质量验收记录5、地面节能检验批质量验收记录6、供暖节能检验批质量验收记录7、通风与空调设备节能检验批质量验收记录8、空调与供暖系统冷热源节能检验批质量验收记录9、空调与供暖系统管网节能检验批质量验收记录10、配电节能检验批质量验收记录(现场检查原始记录)11、照明节能检验批质量验收记录12、监测系统节能检验批质量验收记录13、控制系统节能检验批质量验收记录表G__建筑节能__分部工程质量验收记录编号:单位(子单位)工程名称三门·东方银座综合楼子分部工程数量3分项工程数量8施工单位方远建设集团股份有限公司项目负责人技术(质量)负责人孙文友分包单位/分包单位负责人/分包内容/序号子分部工程名称分项工程名称检验批数量施工单位检查结果监理单位验收结论1维护系统节能墙体节能4符合要求合格2门窗节能4符合要求合格3层面节能1符合要求合格4供暖空调设备及管网节能供暖节能5符合要求合格5通风与空调节能5符合要求合格6空调与供暖系统管网节能5符合要求合格7电气动力节能配电节能5符合要求合格8照明节能5符合要求合格质量控制资料检查16项,齐全有效合格安全和功能检验结果检查5项,符合要求合格观感质量检验结果一般综合验收结论建筑节能分部工程验收合格施工单位项目负责人:年月日勘察单位项目负责人:年月日设计单位项目负责人:年月日监理单位总监理工程师:年月日注:1、地基与基础分部工程的验收应由施工、勘察、设计单位项目负责人和总监理工程师参加并签字。2、主体结构、节能分部工程的验收应由施工、设计单位项目负责人和总监理工程师参加并签字。墙体节能检验批质量验收记录09010101□□□单位(子单位)工程名称分部(子分部)工程名称建筑节能/围护系统节能分项工程名称墙体节能施工单位项目负责人检验批容量800m2分包单位分包单位项目负责人徐侑天检验批部位首层1`8/A~C轴施工依据建筑节能施工方案验收依据《建筑节能工程施工质量验收规范》GB50411-2007验收项目设计要求及规范规定最小/实际抽样数量检查记录检查结果主控项目1材料、构件等进厂验收第4.2.1条/质量证明文件齐全,通过进场验收√2保温隔热材料的导热系数、密度、抗压强度或压缩强度、燃烧性能第4.2.2条/检验合格,报告编号:√3保温隔热材料和粘接材料,进行见证复验第4.2.3条/见证试验合格,报告编号:√4严寒和寒冷地区外保温粘结材料的冻融试验结果第4.2.4条/试验合格,质量证明文件齐全√5基层清理第4.2.5条全/15共15处,全部检查,合格15处√6各层构造做法第4.2.6条全/15共15处,全部检查,合格15处√7墙体节能工程施工第4.2.7条3/5抽查5处,合格5处√8预制保温板浇注混凝土墙体第4.2.8条全/15共15处,全部检查,合格15处√9保温浆料作保温层时,保温浆料的同条件试件应见证取样送检第4.2.9条/检验合格,报告编号:√10各类饰面层的基层及面层施工第4.2.10条全/15共15处,全部检查,合格15处√11保温砌块砌筑的墙体施工第4.2.11条5/5抽查5处,合格5处√12预制保温板墙体施工第4.2.12条3/3抽查3处,合格3处√13隔汽层的设置及做法第4.2.13条3/3抽查3处,合格3处√14外墙或毗邻不采暖空间墙体上的门窗洞口、凸窗四面的保温措施第4.2.14条5/5抽查5处,合格5处√15外墙热桥部位的施工第4.2.15条5/5抽查5处,合格5处√一般项目1保温材料与构件的外观和包装第4.3.1条全/15共15处,全部检查,合格15处100%2加强网的铺贴和搭接第4.3.2条5/5抽查5处,合格5处100%3设置空调房间外墙热桥部位第4.3.3条5/5抽查5处,合格5处100%4穿墙套管、脚手眼、孔洞等第4.3.4条全/15共15处,全部检查,合格15处100%5墙体保温板材接缝方法第4.3.5条5/5抽查5处,合格5处100%6墙体采用保温浆料施工情况第4.3.6条10/10抽查10处,合格10处100%7阳角、门窗洞口及不同的材料基体的交接处等特殊部位第4.3.7条5/5抽查5处,合格5处100%8采用现场喷涂或模板浇注的有机类保温材料做外保温第4.3.8条全/15共15处,全部检查,合格14处93.3%施工单位检...

1、当您付费下载文档后,您只拥有了使用权限,并不意味着购买了版权,文档只能用于自身使用,不得用于其他商业用途(如 [转卖]进行直接盈利或[编辑后售卖]进行间接盈利)。
2、本站所有内容均由合作方或网友上传,本站不对文档的完整性、权威性及其观点立场正确性做任何保证或承诺!文档内容仅供研究参考,付费前请自行鉴别。
3、如文档内容存在违规,或者侵犯商业秘密、侵犯著作权等,请点击“违规举报”。

碎片内容

建筑节能工程检验批填写范例的目录

确认删除?
VIP
微信客服
  • 扫码咨询
会员Q群
  • 会员专属群点击这里加入QQ群
客服邮箱
回到顶部