电脑桌面
添加小米粒文库到电脑桌面
安装后可以在桌面快捷访问

扣件式钢管脚手架在高支模中的应用VIP免费

扣件式钢管脚手架在高支模中的应用_第1页
1/11
扣件式钢管脚手架在高支模中的应用_第2页
2/11
扣件式钢管脚手架在高支模中的应用_第3页
3/11
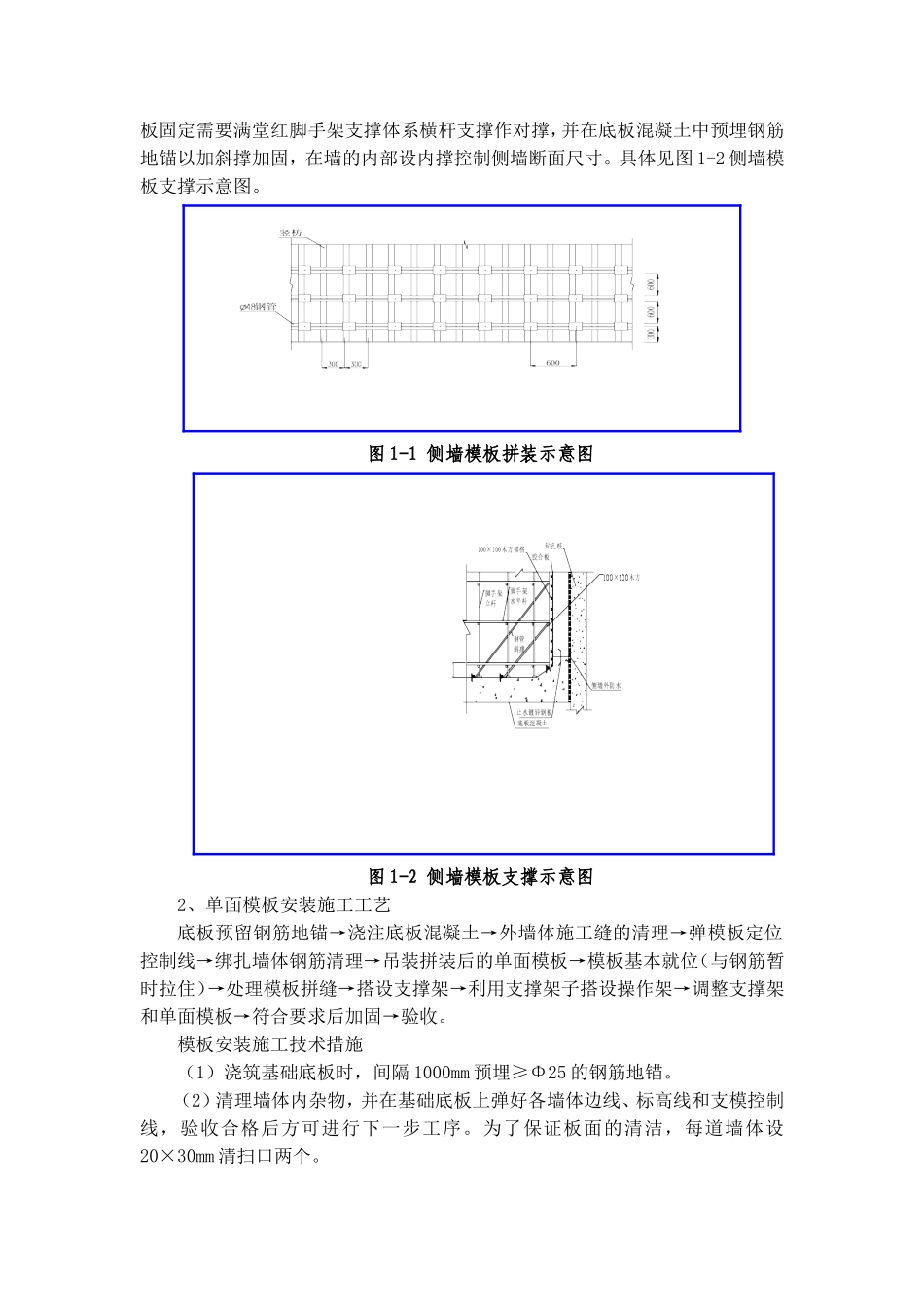
扣件式钢管脚手架在高支模中的应用)摘要:本文主要通过工程实例介绍扣件式钢管脚手架在高大模板支撑中的应用,并根据有关规范规定及相关专业软件在支模架的受力计算方面进行了探讨,结合实践经验对支模架施工中应注意的几个方面进行了总结。关键词:脚手架模板支撑应用一、工程概况简介杭州地铁1号线【九堡东站~乔司南站盾构区间及地下明挖段、U型槽段】(22号盾构)K29+820~K30+050为盾构始发井及明挖段长230m,结构形式为闭合框架结构,盾构井高9.05m,跨度13.3m,顶板厚90ccm,边墙厚80cm,明挖段高6.15m,跨度9~13m,顶板厚60~90cm,中墙厚40~50cm,边墙厚70~80cm。根据浙江省建设厅浙建【2003】37号文件中的规定,属于高支模。二、模板支撑形式的选择由于顶板跨度较大,支模高度较高,且混凝土浇筑采用泵送施工,考虑脉冲水平推力和输送混凝土速度快所引起过载及侧压力,若采用门式钢管脚手架的话因其为标准构件,受其自身宽度和每组长度的约束,对平面布置有一定限制,很难满足施工要求。而扣件式钢管脚手架则具有平面布置灵活、架设效率高、可形成纵横通道等特点,为了确保模板系统有足够强度、刚度和稳定性,模板支撑系统采用483.5扣件式钢管满堂红脚手架,立杆采用顶部带可调上托、底部套150×150×8定型钢板底座的Q235A钢管。三、结构布置及施工工艺1、侧墙模板施工由于设计围护结构为主体外墙结构外皮,因此在侧墙施工时,模板要进行单侧支模。如何保证侧墙的结构尺寸和外墙的防水不被破坏将是施工的关键。主体侧墙施工工艺:基面处理、防水层施工→凿毛清理混凝土面→绑扎侧墙钢筋→测放轮廓线→立模加支撑→浇注混凝土。外侧墙模板采用22厚聚酯胶合板、80×100mm及100×100mm的木方及碗扣脚手架组合成模板体系。竖向用间距300mm的80×100(mm)木枋作内楞。用铁钉将木枋在夹板上定位。竖向木枋接头处要用小木枋连接,并在已浇底板上安装地脚铁件与侧模底排钢管拉结。用8号铁丝内外拉结作为临时固定,具体见图1-1侧墙模板拼装示意图。外侧墙模板施工在墙体钢筋施工完毕,外侧墙模板因不能采用穿墙螺栓,模板固定需要满堂红脚手架支撑体系横杆支撑作对撑,并在底板混凝土中预埋钢筋地锚以加斜撑加固,在墙的内部设内撑控制侧墙断面尺寸。具体见图1-2侧墙模板支撑示意图。图1-1侧墙模板拼装示意图图1-2侧墙模板支撑示意图2、单面模板安装施工工艺底板预留钢筋地锚→浇注底板混凝土→外墙体施工缝的清理→弹模板定位控制线→绑扎墙体钢筋清理→吊装拼装后的单面模板→模板基本就位(与钢筋暂时拉住)→处理模板拼缝→搭设支撑架→利用支撑架子搭设操作架→调整支撑架和单面模板→符合要求后加固→验收。模板安装施工技术措施(1)浇筑基础底板时,间隔1000mm预埋≥Φ25的钢筋地锚。(2)清理墙体内杂物,并在基础底板上弹好各墙体边线、标高线和支模控制线,验收合格后方可进行下一步工序。为了保证板面的清洁,每道墙体设20×30mm清扫口两个。(3)上述程序检查合格后开始吊装模板。按照图纸和模板设计要求的位置循序拼装,以保证模板系统的整体稳定。将预拼装模板位置线吊装就位,安装斜撑或用工具型斜撑将其稳定坐落在基准面上。(4)根据弹好的控制线调整模板的位置和其垂直度,调整好后固定模板。(5)固定支撑架支顶,用勾头钢筋将模板主楞与支撑架连接起来。(6)墙体模板支设完毕后对模板上口抄平,模板控制标高校准后方可对模板进行加固。3、顶板模板的安装1)顶板施工工艺流程:放轮廓线→顶板支撑→配模、立模→绑扎顶板钢筋→浇注混凝土→混凝土养护。2)立模方法(1)结构模板支架采用满堂红支架,如图1-3顶板及中墙模板支设示意图所示。顶板垂直支撑选用Φ48×3.5碗扣式钢管脚手架。搭设时一般设3道水平拉杆和剪刀撑,并留出检查通道。1-3顶板及中墙模板支设示意图(2)主体结构支模如图1-4主体结构支模示意图。立杆顶端加可调顶托,以便调整模板高程。图1-4主体结构支模示意图四、支模架搭设计算计算依据浙江省工程建设标准《建筑施工扣件式钢管模板支架技术规程》(J10905-2006)。模板支架搭设高度为8.2米,搭设尺寸为:立杆的纵距b=0.60米,立杆的...

1、当您付费下载文档后,您只拥有了使用权限,并不意味着购买了版权,文档只能用于自身使用,不得用于其他商业用途(如 [转卖]进行直接盈利或[编辑后售卖]进行间接盈利)。
2、本站所有内容均由合作方或网友上传,本站不对文档的完整性、权威性及其观点立场正确性做任何保证或承诺!文档内容仅供研究参考,付费前请自行鉴别。
3、如文档内容存在违规,或者侵犯商业秘密、侵犯著作权等,请点击“违规举报”。

碎片内容

扣件式钢管脚手架在高支模中的应用

文章天下+ 关注
实名认证
内容提供者

各种文档应有尽有

确认删除?
VIP
微信客服
  • 扫码咨询
会员Q群
  • 会员专属群点击这里加入QQ群
客服邮箱
回到顶部