电脑桌面
添加小米粒文库到电脑桌面
安装后可以在桌面快捷访问

机械制造维修专业知识试题

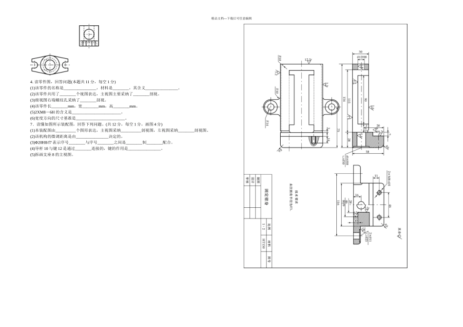
机械制造维修专业知识试题_第1页
1/7
机械制造维修专业知识试题_第2页
2/7
机械制造维修专业知识试题_第3页
3/7
A B C DA B C D精品文档---下载后可任意编辑本试卷分第 I 卷(选择题)和第 II 卷(非选择题)两部分。满分 200 分,考试时间 120 分钟。考试结束后,将本试卷和答题卡一并交回。第 I 卷(选择题,共 100 分)一、单项选择题(本大题共 50 个小题,每小题 2 分,共 100 分。在每小题列出的四个选项中,只有一项符合题目要求,请将符合题目要求的选项选出)1. 离合器是机器的( )部分2. A 型普通平键,其 b=8mm,L=30mm,则其有效工作长度为A. 30mm B. 26mm C. 22mm D. 25mm3. 普通平键连接中,平键与键槽有配合公差要求的是A.4. 空调管道连接所有螺纹牙型角为ºººº5. 外螺纹 M20×2LH-5g6g,能与之相配合的螺纹是×××2-5H6H6. 广泛用于传递轴向载荷且被连接件厚度不大,能从两面进行安装的螺纹连接件是( )A. 普通螺栓连接 B. 双头螺柱连接 C. 螺钉连接 D .紧定螺钉连接7. 某机器中的两轴轴线存在同轴度误差,为保证两轴联接后运转平稳,宜采纳的联轴器是( )A、套筒联轴器 B、凸缘联轴器 C、剪切销式安全联轴器 D、滑块联轴器8. 牙嵌离合器中具有牙根强度高、牙磨损后能自动补偿,冲击小,应用广的牙型是( )A、三角形 B、矩形 C、梯形 D、锯齿形9. 对心式曲柄滑块机构中曲柄长度为 10mm,则曲柄转动一周,滑块的行程是A.10mm B.20mmC.30mmD.40mm10.某铰链四杆机构,AB=300mm,BC=400mm,CD=850mm,AD=800mm,AD 为机架,若使机构存在死点位置,则主动件应为 A. AB 杆 B. BC 杆 C .CD 杆 D. AD 杆 11.当机构处于死点位置时,其压力角 α 为ºººº12..下列不属于摩擦带传动的是13. 在机床的传动系统中,高速级采纳带传动的目的是:A.能获得准确的传动比 B. 传动平稳无噪声 C.传动效率高 D.承载能力14. 套筒滚子链中,以下各配合为过盈配合的是: 15. 自行车中的链传动,大链轮齿数为 50,小链轮齿数为 20,链条有 52 个链节,传动比为:16. 一对标准安装的直齿圆柱齿轮传动中,若中心距略微变大,则以下保持不变的是A.啮合角大小 B.分度圆关系 C. 重叠系数 D. 传动比17. 两相互啮合的标准直齿圆柱齿轮,传动比不等于 1,则下列几何尺寸不相同的是:A.分度圆齿厚 B. 齿顶高 C.分度圆直径 D.全齿高18. 标准齿轮,模数一定时,若齿数增多,则下列说法正确的是:A.齿厚不变,载荷能力不变 B.齿厚变大,承载能力增大 C.分度圆直径变大...

1、当您付费下载文档后,您只拥有了使用权限,并不意味着购买了版权,文档只能用于自身使用,不得用于其他商业用途(如 [转卖]进行直接盈利或[编辑后售卖]进行间接盈利)。
2、本站所有内容均由合作方或网友上传,本站不对文档的完整性、权威性及其观点立场正确性做任何保证或承诺!文档内容仅供研究参考,付费前请自行鉴别。
3、如文档内容存在违规,或者侵犯商业秘密、侵犯著作权等,请点击“违规举报”。

碎片内容

机械制造维修专业知识试题

确认删除?
VIP
微信客服
  • 扫码咨询
会员Q群
  • 会员专属群点击这里加入QQ群
客服邮箱
回到顶部