电脑桌面
添加小米粒文库到电脑桌面
安装后可以在桌面快捷访问

消防检测收费标准

消防检测收费标准_第1页
1/10
消防检测收费标准_第2页
2/10
消防检测收费标准_第3页
3/10
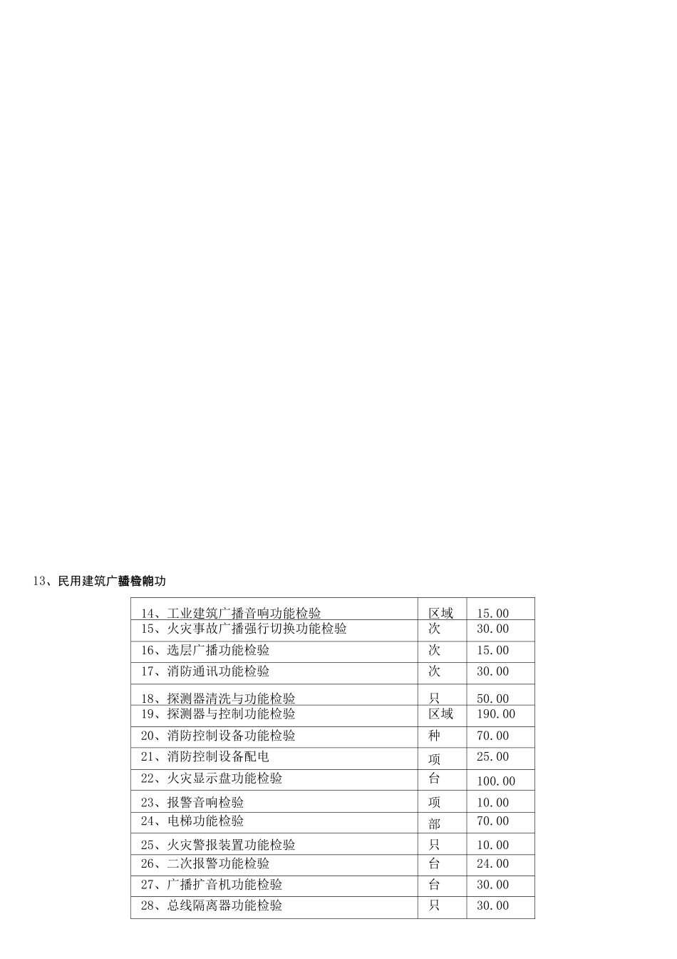
附件:山东省建筑自动消防设施检测收费标准一)火灾自动报警和消防联动控制系统单位:元检查项目检查项目名称计算单位收费标准外观检查1、探测器只2.402、手动报警按钮只2.403、控制器台2.404、火灾显示盘台2.405、消防联动控制器台2.406、火灾警报装置只2.407、广播扩音机台2.40系统布线检测1、布线质量处8.002、系统绝缘电阻及接地电阻检测系统100.003、导线截面积测量及计算规格16.004、传输导线穿管保护检验处28.005、传输线路管路材料检验处8.00系 统 安装检测1、探测器安装质量及尺寸测量只15.002、手动报警按钮安装质量及尺寸测量只15.003、控制器安装质量及尺寸测量台30.004、火灾显示盘安装质量及尺寸台15.005、消防联动控制器安装质量及尺寸台15.006、火灾警报装置安装质量只8.007、消防广播扬声器安装质量及尺寸处8.00系统功能检验1、电源自动切换功能检验台24.002、主电源容量试验台120.003、备用电源容量试验台96.004、主电源负载稳定性检验台60.005、主电源电压稳定性检验台60.006、报警自检功能检验路30.007、故障报警功能检验路24.008、报警记忆功能检验路50.009、消音复位功能检验台50.0010、火灾优先功能检验台48.0011、探测器报警功能检验只50.0013、民用建筑广播音响功能检验14、工业建筑广播音响功能检验区域15.0015、火灾事故广播强行切换功能检验次30.0016、选层广播功能检验次15.0017、消防通讯功能检验次30.0018、探测器清洗与功能检验只50.0019、探测器与控制功能检验区域190.0020、消防控制设备功能检验种70.0021、消防控制设备配电项25.0022、火灾显示盘功能检验台100.0023、报警音响检验项10.0024、电梯功能检验部70.0025、火灾警报装置功能检验只10.0026、二次报警功能检验台24.0027、广播扩音机功能检验台30.0028、总线隔离器功能检验只30.0029、消防控制室图形显示装置功能检验系统350.0030、传输设备功能检验台190.00二)消防给水灭火系统单位:元检查项目检查项目名称计算单位收费标准外观检查1、消防水池及消防水箱容量测量及计算处4.002、水泵和稳压泵组件完整检查台4.003、气压给水装置组件完整检查台4.004、报警阀、雨淋阀、警铃台4.005、水泵接合器、延迟器台4.006、供水总控制阀台4.007、水流扌日示器台4.008、系统管网的管材管件外观及组件完整性检查处4.009、配水支管及组件完整性检查处4.0010、管路支管及组件完整性检查处4.0011、喷头外观及组件完整性检查处4.0012、室内消火栓、箱组件检查套4.0013...

1、当您付费下载文档后,您只拥有了使用权限,并不意味着购买了版权,文档只能用于自身使用,不得用于其他商业用途(如 [转卖]进行直接盈利或[编辑后售卖]进行间接盈利)。
2、本站所有内容均由合作方或网友上传,本站不对文档的完整性、权威性及其观点立场正确性做任何保证或承诺!文档内容仅供研究参考,付费前请自行鉴别。
3、如文档内容存在违规,或者侵犯商业秘密、侵犯著作权等,请点击“违规举报”。

碎片内容

消防检测收费标准

您可能关注的文档

wxg+ 关注
实名认证
内容提供者

该用户很懒,什么也没介绍

确认删除?
VIP
微信客服
  • 扫码咨询
会员Q群
  • 会员专属群点击这里加入QQ群
客服邮箱
回到顶部