电脑桌面
添加小米粒文库到电脑桌面
安装后可以在桌面快捷访问

机械设计课程设计题目

机械设计课程设计题目_第1页
1/5
机械设计课程设计题目_第2页
2/5
机械设计课程设计题目_第3页
3/5
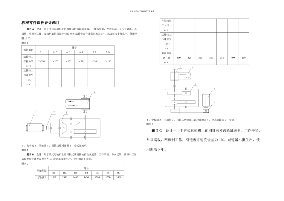
精品文档---下载后可任意编辑机械零件课程设计题目题目 A 设计一用于带式运输机上的圆锥园柱齿轮减速器。工作常常载,空载起动,工作有轻震,不反转。单班制工作。运输机卷筒直径D=320 mm,运输带容许速度误差为 5%。减速器为小批生产,使用期限 10 年。附表 1原始数据题号A1A2A3A4A5A6运输带工作拉力F(N)2×103×103×103×103×103×103运输带工作速度V(m/s)1.电动机2.联轴器3.圆锥齿轮减速器4.带式运输机附图 1题目 B 设计一用于带式运输机上的同轴式两级圆柱齿轮减速器。工作平稳。单向运转,两班制工作。运输带容许速度误差为 5%。减速器成批生产,使用期限10年。附表 2原始数据题号B1B2B3B4B5B6B7运输机工1300135014001450150015501600作轴扭矩T(N。m)运输带工作速度V(m/s)卷筒直径D(mm)3003203503503504003501.带传动2.电动机3.同轴式两级圆柱齿轮减速器4.带式运输机5.卷筒附图 2题目 C 设计一用于链式运输机上的圆锥圆柱齿轮减速器。工作平稳,常常满载,两班制工作,引链容许速度误差为 5%。减速器小批生产,使用期限5年。精品文档---下载后可任意编辑附表 31.电动机2.联轴器3.圆锥齿轮减速器4.链传动5.链式运输机附图 3题目 D 设计一斗式提升机传动用的二级斜齿圆柱齿轮同轴式减速器。传动简图如下,设计参数列于附表 4。附表4斗式提升机的设计参数 题 号参 数题 号D1D2D3D4生产率Q(t/h)15162024提升带速度V(m/s)2提升高度H(mm)32282722提升鼓轮直径D(mm)400400450500 注:1)斗式提升机用来提升谷物、面粉、水泥、型沙等物品; 2)提升机驱动鼓轮(图 2.7 中的件 5)所需功率为: Pw=QH(1+0.8 v)/367(KW) 3)斗式提升机运转方向不变,工作载荷稳定,传动机构中装有保安装置(如安全联轴器); 4)工作寿命 8 年,每年 300 个工作日,每日工作 16 小时。1.电动机2。联轴器3.减速器4.驱动嘉鼓轮5.运料斗6.提升带附图 4题目 E:设计用于带式运输机上的展开式二级圆柱齿轮减速器。连续单项运转,空载启动,中等冲击,两班制工作,运输带速度允许误差为 5%,工作期限为 10 年。附表 5原始数据题号E1E2E3E4E5E6E7E8E9E10原始数据题号C1C2C3C45C6CC7曳引链拉力F(N)9×103×10310×103×10311×103×10312×103曳引链速度V(m/s)曳引链链轮齿数Z8888888...

1、当您付费下载文档后,您只拥有了使用权限,并不意味着购买了版权,文档只能用于自身使用,不得用于其他商业用途(如 [转卖]进行直接盈利或[编辑后售卖]进行间接盈利)。
2、本站所有内容均由合作方或网友上传,本站不对文档的完整性、权威性及其观点立场正确性做任何保证或承诺!文档内容仅供研究参考,付费前请自行鉴别。
3、如文档内容存在违规,或者侵犯商业秘密、侵犯著作权等,请点击“违规举报”。

碎片内容

机械设计课程设计题目

元素商铺+ 关注
实名认证
内容提供者

欢迎挑选合适的文档

确认删除?
VIP
微信客服
  • 扫码咨询
会员Q群
  • 会员专属群点击这里加入QQ群
客服邮箱
回到顶部