电脑桌面
添加小米粒文库到电脑桌面
安装后可以在桌面快捷访问

机电设备安装与调试

机电设备安装与调试_第1页
1/4
机电设备安装与调试_第2页
2/4
机电设备安装与调试_第3页
3/4
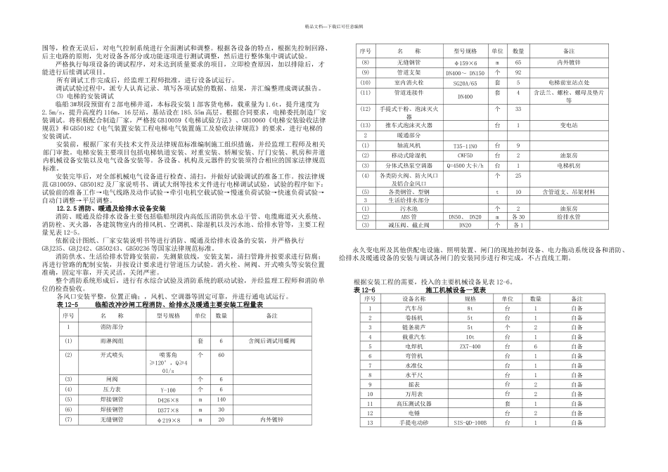
精品文档---下载后可任意编辑临船坝段改建冲沙闸工程机电设备安装与调试工程包括设备的开箱、保管、运输、安装、检查及调试。将依据施工计划及工程总进度的安排,根据招标文件、制造厂的技术要求及相关法律规范标准完成各项机电设备的安装与调试。机电安装与调试工程主要项目有:⑴ 10KV 变电所及其他供配电设施⑵ 跨临船电缆的迁移和敷设安装⑶ 照明工程⑷ 电力拖动及控制系统设备⑸ 电梯⑹ 消防报警系统设备⑺ 消防、暖通及给排水设备⑻ 电缆敷设及二期埋件等临船永久变电所内设有 2 台 630KVA 三相干式变压器,4 台 10KA 负荷开关柜,7 台 0.4KV 低压开关柜;另需安装 10 块动力分电箱及电缆桥架、电缆等,变电所供配电主要设备及材料见表 12-1。12.2.1.1 变压器、高低开关柜及分电箱等电气设备的安装根据设计图纸要求,将变压器、高低压开关柜的基础槽钢安放好后找平、找正,并固定焊接牢靠,同时将基础可靠接地。变压器、高低开关柜及分电箱等电气设备运至现场开箱后,会同监理工程师验证设备的出厂合格证、装箱单、安装使用说明书、出厂试验报告(或记录)等各类资料是否齐全,并逐一清点核对,进行各项检查工作。变压器、高低开关柜采纳汽车吊由坝顶 185.00m 高程永久变电所吊物孔直接吊入室内,利用三角架、滚杠等辅助就位。严格按设计图纸、厂家安装使用说明书以及(GBJ-232-82、GBJ148-90、GBJ149-90、GB50171-92)等法律规范要求,安装变压器、高低压开关柜等电气设备。变压器安装确保轨道水平,轨距与轮距相配合,低压套管与母线中心线相符;变压器引出线相位正确,连接螺栓压接紧密;一、二次联线、地线及控制管线的安装和电压切换装置、测温装置、套管等附件安装符合标准要求。高低压开关柜安装牢固,接地良好,垂直度,水平偏差,柜面偏差,接缝偏差符合法律规范要求;各种标识齐全、正确、清楚;柜内配线整齐、美观,导线(或电缆)绝缘良好、线芯无损伤。依据标书,电缆主要敷设于电缆廊道、电缆竖井、电缆沟的电缆架上,部分电缆穿钢管敷设或明敷。⑴ 电缆支架的配制安装按施工图纸及(GB50168-92)法律规范要求,制作,安装电缆支架。安装前,先放测量放样,确保电缆支架横平竖直。电缆支架应固定可靠,按要求设置伸缩缝,并有多点良好的接地。⑵ 电缆敷设敷设前,高压电缆进行耐压试验,低压电缆采纳摇表测量绝缘电阻。按设计图纸和法律规范(GB50168-92)要求制作好电缆头,将电缆排列有序地固定...

1、当您付费下载文档后,您只拥有了使用权限,并不意味着购买了版权,文档只能用于自身使用,不得用于其他商业用途(如 [转卖]进行直接盈利或[编辑后售卖]进行间接盈利)。
2、本站所有内容均由合作方或网友上传,本站不对文档的完整性、权威性及其观点立场正确性做任何保证或承诺!文档内容仅供研究参考,付费前请自行鉴别。
3、如文档内容存在违规,或者侵犯商业秘密、侵犯著作权等,请点击“违规举报”。

碎片内容

机电设备安装与调试

您可能关注的文档

确认删除?
VIP
微信客服
  • 扫码咨询
会员Q群
  • 会员专属群点击这里加入QQ群
客服邮箱
回到顶部