电脑桌面
添加小米粒文库到电脑桌面
安装后可以在桌面快捷访问

模架专项安全施工方案

模架专项安全施工方案_第1页
1/29
模架专项安全施工方案_第2页
2/29
模架专项安全施工方案_第3页
3/29
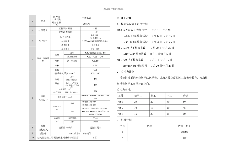
精品文档---下载后可任意编辑1.1 施工图纸4B-1,4B-2, 4B-3,4B-4 结构施工图及建筑施工图。序号参考资料法律规范规程编号1建筑结构荷载法律规范GB 50009-20012混凝土结构设计法律规范GB50010-20243钢结构设计法律规范GB 50017-20244建筑施工扣件式钢管脚手架安全技术规程JGJ130-20015建筑施工高处作业安全技术规程JGJ80-916建筑施工碗扣式脚手架安全技术规程JGJ166-20247建筑施工模板安全技术法律规范JGJ162-20248建设工程施工现场安全资料管理规程DB11/T695-20249绿色施工管理规程DB11/513-202410建设工程施工现场安全资料管理规程DB11/383-202411钢管脚手架,模板支架安全选用技术规程DB11/T538-202412建筑工程高大模板支撑系统施工安全监督导则13危险性较大的分部分项工程安全管理办法14北京市危险性较大分部分项工程安全专项施工方案专家论证细则施 组 名 称编 制 日 期编 制 人六九九厂 4B 厂房工程施工组织设计2024.05二、工程概况总体工程概况序号项 目内 容1工程名称六九九厂 4B 厂房工程2工程地址航天二院 701 库3建设单位航天二院六九九厂4设计单位中国航天建筑设计讨论院5监理单位北京京航联工程建设监理有限责任公司6施工总承包单位中航天建设工程公司7合同工期目标2024 年 5 月 20 日至 2024 年 10 月 25 日8合同质量目标合格9合同安全目标争创北京市安全文明施工场地标准建筑工程概况序号项目内容1建筑功能生产厂房2建筑面积11660m23用地面积14568m24建筑安全等级地震设防烈度 8 度,耐火等级二类5建筑层数地上 1 层,局部 2 层6建筑高度4B-14B-24B-34B-4序号项目内容1结构形式基础结构形式独立柱基础+筏板基础+钢筋混凝土灌注桩主体结构形式框架精品文档---下载后可任意编辑2地基持力层土质类别二类砾岩地基承载力200kPa4抗震等级工程设防烈度8 度框架抗震等级二级5地下防水结构自防水防水混凝土(抗渗等级 S8)材料防水2 层 3mmSBS 聚酯胎防水卷材构造防水止水钢板6混凝土强度等级基础垫层C15、C20基础筏板C30 钢渣混凝土、S8独立柱基础C30、C35、C40墙体地下室外墙C30S8梁柱C30顶板C307结构断面尺寸基础底板厚度(mm)500、350外墙厚度地下(煤矸石烧结砖)370地上(加气混凝土、混凝土空心砌块)300内墙厚度(mm)(加气混凝土、混凝土空心砌块) 200 柱断面尺寸(mm)600×600、700×700 、700×950、750×750梁断面尺寸(mm)基础400×900、300×700400×700、300×500主体350...

1、当您付费下载文档后,您只拥有了使用权限,并不意味着购买了版权,文档只能用于自身使用,不得用于其他商业用途(如 [转卖]进行直接盈利或[编辑后售卖]进行间接盈利)。
2、本站所有内容均由合作方或网友上传,本站不对文档的完整性、权威性及其观点立场正确性做任何保证或承诺!文档内容仅供研究参考,付费前请自行鉴别。
3、如文档内容存在违规,或者侵犯商业秘密、侵犯著作权等,请点击“违规举报”。

碎片内容

模架专项安全施工方案

您可能关注的文档

确认删除?
VIP
微信客服
  • 扫码咨询
会员Q群
  • 会员专属群点击这里加入QQ群
客服邮箱
回到顶部