电脑桌面
添加小米粒文库到电脑桌面
安装后可以在桌面快捷访问

模板支撑计算书高支模

模板支撑计算书高支模_第1页
1/18
模板支撑计算书高支模_第2页
2/18
模板支撑计算书高支模_第3页
3/18
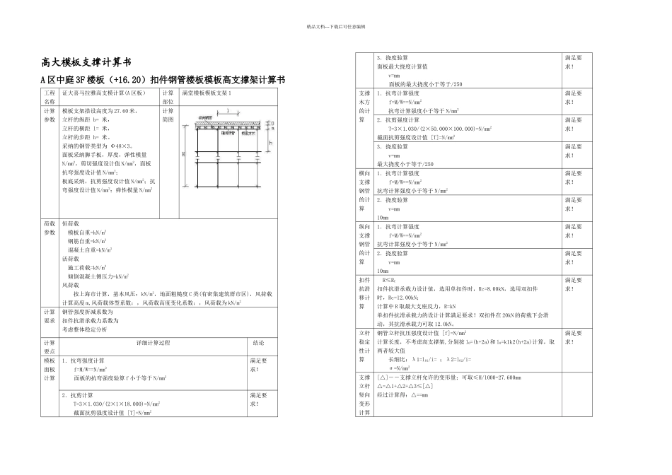
精品文档---下载后可任意编辑高大模板支撑计算书A 区中庭 3F 楼板(+16.20)扣件钢管楼板模板高支撑架计算书工程名称证大喜马拉雅高支模计算(A 区板)计算部位满堂楼板模板支架 1计算参数模板支架搭设高度为 27.60 米,立杆的纵距 b= 米,立杆的横距 l= 米,立杆的步距 h= 米。采纳的钢管类型为 Φ48×3。面板采纳脚手板,厚度,弹性模量N/mm2,剪切强度设计值 N/mm2,面板抗弯强度设计值 N/mm2;板底采纳,抗剪强度设计值 N/mm2;抗弯强度设计值 N/mm2;弹性模量 N/mm2计算简图荷载参数恒荷载 模板自重=kN/m2 钢筋自重=kN/m3 混凝土自重=kN/m3活荷载 施工荷载=kN/m2 倾倒混凝土侧压力=kN/m2风荷载按上海市计算,基本风压:kN/m2,地面粗糙度 C 类(有密集建筑群市区),风荷载计算高度 m,风荷载体型系数:,风荷载高度变化系数:,风荷载为 kN/m2计算要求钢管强度折减系数为扣件抗滑承载力系数为考虑整体稳定分析计算要点详细计算过程 结论模板面板计算1.抗弯强度计算f=M/W==N/mm2面板的抗弯强度验算 f 小于等于 N/mm2满足要求!2.抗剪计算T=3×1.030/(2×1×18.000)=N/mm2截面抗剪强度设计值 [T]=N/mm2满足要求!3.挠度验算面板最大挠度计算值v=mm面板的最大挠度小于等于/250满足要求!支撑木方的计算1.抗弯计算强度f=M/W==N/mm2抗弯计算强度小于等于 N/mm2满足要求!2.抗剪强度计算T=3×1.030/(2×50.000×100.000)=N/mm2截面抗剪强度设计值 [T]=N/mm2满足要求!3.挠度验算v=mm最大挠度小于等于/250满足要求!横向支撑钢管的计算1.抗弯计算强度f=M/W==N/mm2抗弯计算强度小于等于 N/mm2满足要求!2.挠度验算v=mm10mm满足要求!纵向支撑钢管的计算1.抗弯计算强度f=M/W==N/mm2抗弯计算强度小于等于 N/mm2满足要求!2.挠度验算v=mm10mm满足要求!扣件抗滑移计算 R≤RC扣件抗滑承载力设计值,选用单扣件时,Rc=8.00kN,选用双扣件时,Rc=12.00kN;计算中 R 取最大支座反力,R=kN单扣件抗滑承载力的设计计算满足要求!双扣件在 20kN 的荷载下会滑动,其抗滑承载力可取 12.0kN。满足要求!立杆稳定性计算钢管立杆抗压强度设计值 [f]=N/mm2计算长度,不考虑高支撑架,分别按 l0=(h+2a)和 l0=k1k2(h+2a)计算,取两者较大值长细比:λ1=l01/i= ;λ2=l02/i=σ=N/mm2满足要求!支撑立杆竖向变形计算[△]――支撑立杆允许的变形量;可取≤H/1000=27.600mm△=△1+△2+△3≤[△]经过计算得:△==mm精品...

1、当您付费下载文档后,您只拥有了使用权限,并不意味着购买了版权,文档只能用于自身使用,不得用于其他商业用途(如 [转卖]进行直接盈利或[编辑后售卖]进行间接盈利)。
2、本站所有内容均由合作方或网友上传,本站不对文档的完整性、权威性及其观点立场正确性做任何保证或承诺!文档内容仅供研究参考,付费前请自行鉴别。
3、如文档内容存在违规,或者侵犯商业秘密、侵犯著作权等,请点击“违规举报”。

碎片内容

模板支撑计算书高支模

您可能关注的文档

确认删除?
VIP
微信客服
  • 扫码咨询
会员Q群
  • 会员专属群点击这里加入QQ群
客服邮箱
回到顶部