电脑桌面
添加小米粒文库到电脑桌面
安装后可以在桌面快捷访问

宁波2号线一期工程初步设计轨道说明

宁波2号线一期工程初步设计轨道说明_第1页
1/38
宁波2号线一期工程初步设计轨道说明_第2页
2/38
宁波2号线一期工程初步设计轨道说明_第3页
3/38
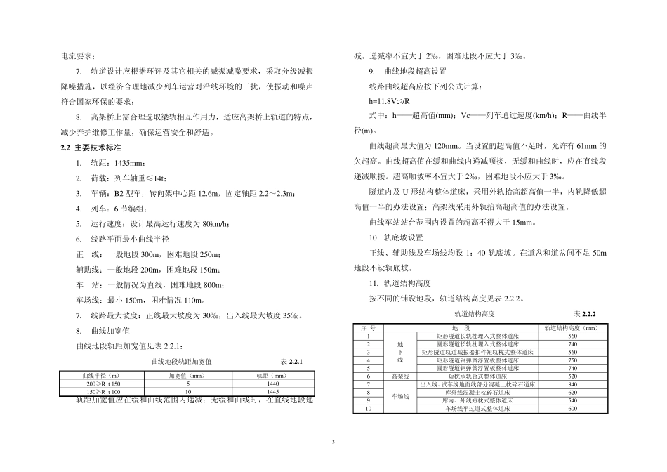
1 1 . 设计依据及设计范围 1 .1 工程概况 宁波市轨道交通2 号线是城市西南-东北方向的基本骨干线,规划线路起自鄞州区古林,止于北仑,规划线路长度约50km 。工程分为两期实施。 2 号线一期工程起点站为机场站,终点站为东外环路站,线路全长28.35km ,共设22 座车站,平均站间距1.331km 。 一期工程机场站至孔浦站采用地下线,孔浦站后设置过渡段,过渡段后线路沿现状环城北路、宁镇公路采用高架线敷设方式。一期工程地下线21.604km,高架线6.392km,过渡段0.354km;地下车站18 座,高架车站4座;设黄隘车辆段1座和东外环停车场1座;设主变电所 2 座(分别位于丽园南路站和双桥站附近);设控制中心 1 处(与 1 号线合建、共享);与轨道交通网络中 1、3、4、5、6 号线衔接换乘。 车辆采用B 型车(鼓形车),列车编组初、近期为4 辆,远期为6 辆编组。 1 .2 设计依据 1. 宁波市轨道交通2 号线一期工程设计 209 标设计合同 2. 宁波市轨道交通2 号线一期工程设计 209 标招投标文件 3. 宁波市轨道交通2 号线一期工程设计 209 标中标通知书 4. 《宁波市轨道交通2 号线一期工程总体设计》(2009 年 9 月) 5. 《宁波市轨道交通2 号线一期工程总体设计》评估会专家组评审意见 6. 《宁波市轨道交通2 号线一期工程环境影响报告书》及国家环保总局的批复 7. 《宁波市轨道交通2 号线一期工程初步设计技术要求》 8. 《宁波市轨道交通2 号线一期工程初步设计文件编制统一规定》 9. 执行与参考的主要设计规范 《地铁设计规范》(GB50157-2003) 《城市轨道交通工程项目建设标准》(建标 104-2008) 《城市轨道交通技术规范》(GB50490-2009) 《城市区域环境振动标准》(GB10070-88) 《城市区域环境噪声标准》(GB3096-93) 《地下铁道电动车组司机室、客室噪声限值》(GB 14892-2006) 《铁路轨道设计规范》(TB10082-2005) 《铁路线路设计规范》(GB50090-2006) 《铁路车站及枢纽设计规范》(GB50091-2006) 《地铁杂散电流腐蚀防护技术规程》(CJJ-49-92) 《无缝线路铺设及养护维修方法》(TB2098-2007) 《混凝土结构设计规范》(GB50010-2002) 10. 国家以及浙江省、宁波市其它相关规范、规程 1 .3 设计范围 宁波市轨道交通2 号线一期工程轨道工程初步设计范围为全线正线及辅助线轨道工程,以及黄隘车辆段、东外环停车场车场线及其出入段(场)线轨道工程。 一期...

1、当您付费下载文档后,您只拥有了使用权限,并不意味着购买了版权,文档只能用于自身使用,不得用于其他商业用途(如 [转卖]进行直接盈利或[编辑后售卖]进行间接盈利)。
2、本站所有内容均由合作方或网友上传,本站不对文档的完整性、权威性及其观点立场正确性做任何保证或承诺!文档内容仅供研究参考,付费前请自行鉴别。
3、如文档内容存在违规,或者侵犯商业秘密、侵犯著作权等,请点击“违规举报”。

碎片内容

宁波2号线一期工程初步设计轨道说明

您可能关注的文档

确认删除?
VIP
微信客服
  • 扫码咨询
会员Q群
  • 会员专属群点击这里加入QQ群
客服邮箱
回到顶部