电脑桌面
添加小米粒文库到电脑桌面
安装后可以在桌面快捷访问

安全动态管理日检查表VIP专享

安全动态管理日检查表_第1页
1/146
安全动态管理日检查表_第2页
2/146
安全动态管理日检查表_第3页
3/146
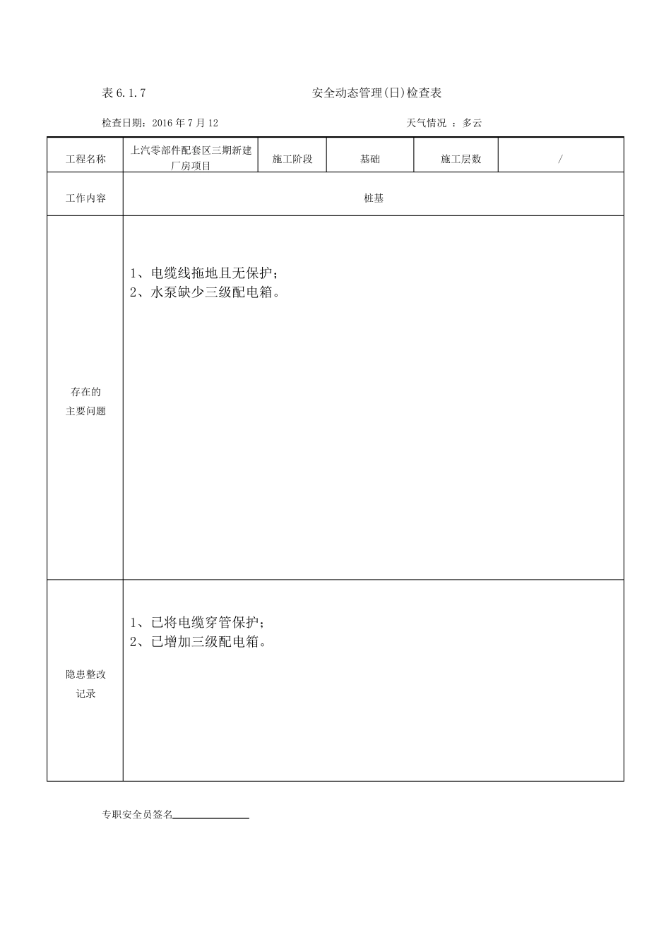
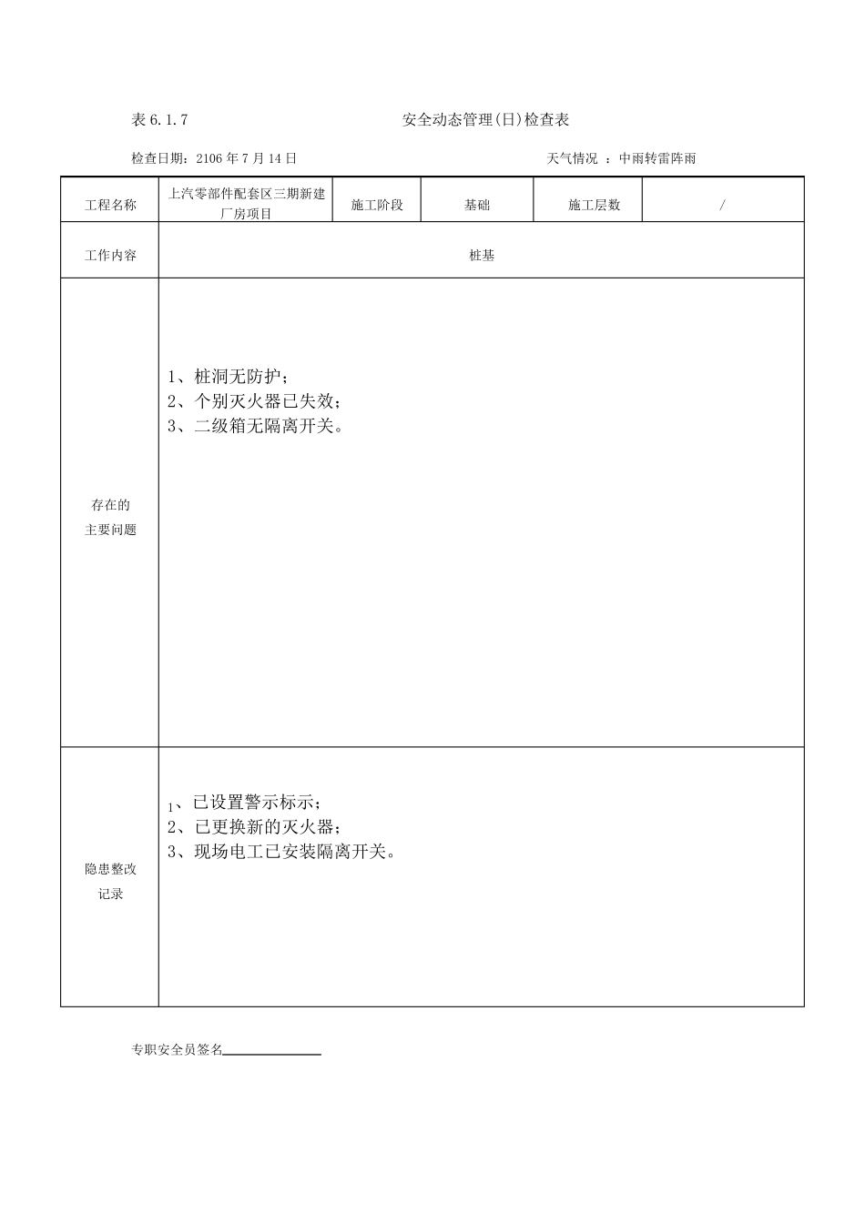
表6.1.7 安全动态管理(日)检查表 检查日期:2016 年7 月12 天气情况 :多云 工程名称 上汽零部件配套区三期新建厂房项目 施工阶段 基础 施工层数 / 工作内容 桩基 存在的 主要问题 1、电缆线拖地且无保护; 2、水泵缺少三级配电箱。 隐患整改 记录 1、已将电缆穿管保护; 2、已增加三级配电箱。 专职安全员签名 表6.1.7 安全动态管理(日)检查表 检查日期: 2106 年7 月13 日 天气情况 :雷阵雨 工程名称 上汽零部件配套区三期新建厂房项目 施工阶段 基础 施工层数 / 工作内容 桩基 存在的 主要问题 1、桩机电缆浸泡在水中,易发生触电事故; 2、办公区二级箱无接地装置。 隐患整改 记录 1、已将电缆架空; 2、已增设基地装置。 专职安全员签名 表6.1.7 安全动态管理(日)检查表 检查日期:2106 年7 月14 日 天气情况 :中雨转雷阵雨 工程名称 上汽零部件配套区三期新建厂房项目 施工阶段 基础 施工层数 / 工作内容 桩基 存在的 主要问题 1、桩洞无防护; 2、个别灭火器已失效; 3、二级箱无隔离开关。 隐患整改 记录 1、已设置警示标示; 2、已更换新的灭火器; 3、现场电工已安装隔离开关。 专职安全员签名 表6.1.7 安全动态管理(日)检查表 检查日期:2016 年7 月15 日 天气情况 :中雨转雷阵雨 工程名称 上汽零部件配套区三期新建厂房项目 施工阶段 基础 施工层数 / 工作内容 桩基 存在的 主要问题 1、电缆浸泡于水中。 隐患整改 记录 1、已将电缆移出水面,并架空。 专职安全员签名 表6.1.7 安全动态管理(日)检查表 检查日期:2016 年7 月16 日 天气情况 :多云 工程名称 上汽零部件配套区三期新建厂房项目 施工阶段 基础 施工层数 / 工作内容 桩基 存在的 主要问题 1、电缆有破损; 2、电缆接头处不符合要求。 隐患整改 记录 1、已用绝缘胶带修补; 2、已将接头重新处理。 专职安全员签名 表6.1.7 安全动态管理(日)检查表 检查日期:2016 年7 月17 日 天气情况 :多云转雷阵雨 工程名称 上汽零部件配套区三期新建厂房项目 施工阶段 基础 施工层数 / 工作内容 桩基 存在的 主要问题 1、电焊机缺少二次降压保护器; 2、吊车支撑未完全打开。 隐患整改 记录 1、电焊机已增加二次降压保护; 2、已对相关人员进行教育,使用吊车时必须将支撑完全打开,并使用垫木。 专职安全员签名 表6.1.7...

1、当您付费下载文档后,您只拥有了使用权限,并不意味着购买了版权,文档只能用于自身使用,不得用于其他商业用途(如 [转卖]进行直接盈利或[编辑后售卖]进行间接盈利)。
2、本站所有内容均由合作方或网友上传,本站不对文档的完整性、权威性及其观点立场正确性做任何保证或承诺!文档内容仅供研究参考,付费前请自行鉴别。
3、如文档内容存在违规,或者侵犯商业秘密、侵犯著作权等,请点击“违规举报”。

碎片内容

安全动态管理日检查表

确认删除?
VIP
微信客服
  • 扫码咨询
会员Q群
  • 会员专属群点击这里加入QQ群
客服邮箱
回到顶部