电脑桌面
添加小米粒文库到电脑桌面
安装后可以在桌面快捷访问

安全生产检查记录表5

安全生产检查记录表5_第1页
1/6
安全生产检查记录表5_第2页
2/6
安全生产检查记录表5_第3页
3/6
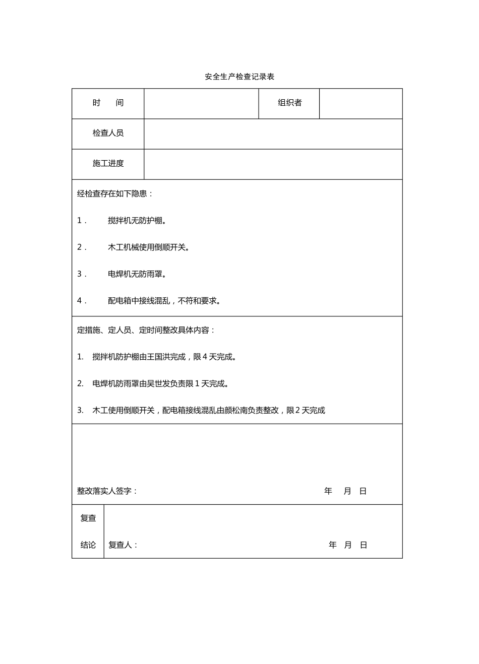
安全生产检查记录表 时 间 组 织 者 检 查 人 员 施 工 进 度 经 检 查 存 在 如 下 隐 患 : 1. 搅 拌 机 无 防 护 棚 。 2. 木 工 机 械 使 用 倒 顺 开 关 。 3. 电 焊 机 无 防 雨 罩 。 4. 配 电 箱 中 接 线 混 乱 , 不 符 和 要 求 。 定 措 施 、定 人 员 、定 时 间 整改具体内容: 1. 搅 拌 机 防 护 棚 由王国洪完成, 限 4 天完成。 2. 电 焊 机 防 雨 罩 由吴世发负责限 1 天完成。 3. 木 工 使 用 倒 顺 开 关 , 配 电 箱 接 线 混 乱 由颜松南负责整改, 限2 天完成 整改落实人 签字: 年 月 日 复查结论 复查 人 : 年 月 日 安全生产检查记录表 时 间 组 织 者 检 查 人 员 施 工 进 度 经 检 查 存 在 如 下 隐 患 : 1、 钢筋无防护棚。 2、 字架安全网未挂设。 3、 场地材料堆放较混乱。 4、 施 工 用电较混乱。 定措施 、定人 员 、定时 间 整改具体内容: 1、 筋防护棚由王国洪完成,限 2 天完成。 2、 字架安全网由王国洪负责整改,限 2 天完成. 3、 场地整理由金银宝负责安排各班组 人 员 整理,限 4 天整改完成。 4、 施 工 用电由颜松南负责整理,限 2 天整改完成。 整改落实人 签字: 年 月 日 复查结论 复查 人 : 年 月 日 安全生产检查记录表 时 间 组 织 者 检 查 人 员 施 工 进 度 经 检 查 存 在 如 下 隐 患 : 1.围 墙 未 封 闭 。 2.外 架 拉 结 点 未 即 时 跟 上 。 3.井 字 架 安 全 门 未 设 置 。 4.搅 拌 机 无 手 柄 保 险 装 置 。 定 措 施 、定 人 员 、定 时 间 整改具体内容: 1.围 墙 修复由金银宝负责安 排人 员 完成,限 6 天完成。 2.外 架 拉 结 点 由王国洪负责派人 焊接好限 3 天完成。 3.井 字 架 安 全 门 、搅 拌 机 手 柄 由机 修工 小金负责修整完成,限2 天完成. 整改落实人 签字 : 年 月 日 复查结 论 复查 人 : 年 月 日 安全生产检查记录表 时 间 组 织 者 检 查 人 员 施 工 进 度 经 检 查 存 在 如 下 隐 患 : 1.外 架 排 水 沟 未 设 置 完 成 。 2.外 架 毛 竹 片 未 铺...

1、当您付费下载文档后,您只拥有了使用权限,并不意味着购买了版权,文档只能用于自身使用,不得用于其他商业用途(如 [转卖]进行直接盈利或[编辑后售卖]进行间接盈利)。
2、本站所有内容均由合作方或网友上传,本站不对文档的完整性、权威性及其观点立场正确性做任何保证或承诺!文档内容仅供研究参考,付费前请自行鉴别。
3、如文档内容存在违规,或者侵犯商业秘密、侵犯著作权等,请点击“违规举报”。

碎片内容

安全生产检查记录表5

确认删除?
VIP
微信客服
  • 扫码咨询
会员Q群
  • 会员专属群点击这里加入QQ群
客服邮箱
回到顶部