电脑桌面
添加小米粒文库到电脑桌面
安装后可以在桌面快捷访问

安全生产重大风险管控责任清单

安全生产重大风险管控责任清单_第1页
1/22
安全生产重大风险管控责任清单_第2页
2/22
安全生产重大风险管控责任清单_第3页
3/22
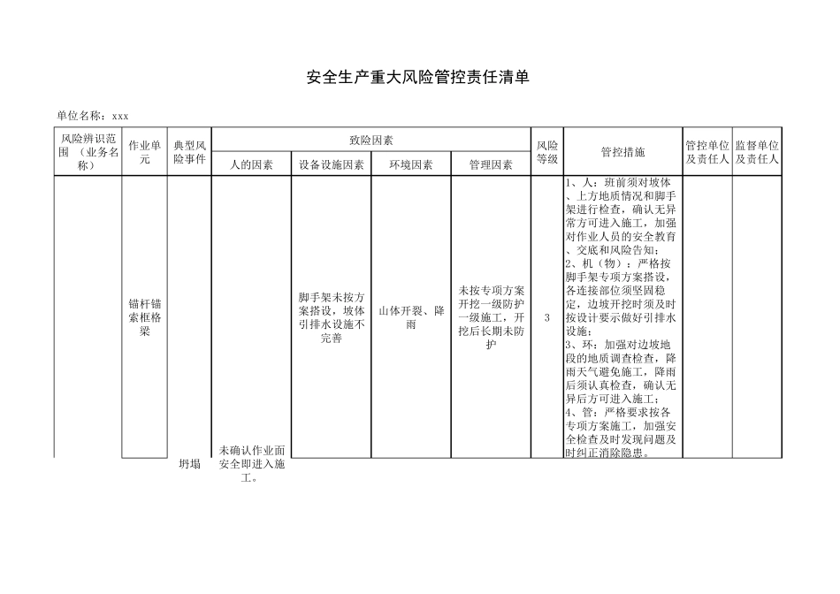
人的因素设备设施因素环境因素 管理因素职、民工驻地办公生活区滑塌泥石流选址不合理。使用简易材料建盖房屋地质不良自然降水标准化建设规定执行不力,巡查治理、预警工作工作不到位31、人:做好职民工驻地的选址;2、机(物):监督使用合格材料按标准建盖房屋;3、环:做好驻地四周引排水设施,及时清理堵塞物;4、管:严格落实职民工驻地选址建盖方案,在雨季汛期加强对职民工驻地的检查和整改治理。作业单元安全生产重大风险管控责任清单单位名称:xxx致险因素风险辨识范围 (业务名称)典型风险事件风险等级管控措施 管控单位及责任人监督单位及责任人人的因素设备设施因素环境因素 管理因素作业单元安全生产重大风险管控责任清单单位名称:xxx致险因素风险辨识范围 (业务名称)典型风险事件风险等级管控措施 管控单位及责任人监督单位及责任人路基施工土石方爆破爆炸操作不当,打残眼、超量装药、无证操作。起爆器故障雷电、静电流未认真执行爆破规程,交底不到位31、人:做好涉爆人员安全教育、交底和风险告知工作,加强涉爆人员资质审核;2、机(物):做好起爆器材的检查、维护、保养工作,保证其安全性能记好;3、环:禁止在雷雨天气和周围有超出规程要求的静电流的环境中实施爆破作业;4、管:严格执行爆破操作规程,加强安全检查及时发现问题及时纠正消除隐患。人的因素设备设施因素环境因素 管理因素作业单元安全生产重大风险管控责任清单单位名称:xxx致险因素风险辨识范围 (业务名称)典型风险事件风险等级管控措施 管控单位及责任人监督单位及责任人锚杆锚索框格梁脚手架未按方案搭设,坡体引排水设施不完善山体开裂、降雨未按专项方案开挖一级防护一级施工,开挖后长期未防护31、人:班前须对坡体、上方地质情况和脚手架进行检查,确认无异常方可进入施工,加强对作业人员的安全教育、交底和风险告知;2、机(物):严格按脚手架专项方案搭设,各连接部位须坚固稳定,边坡开挖时须及时按设计要示做好引排水设施;3、环:加强对边坡地段的地质调查检查,降雨天气避免施工,降雨后须认真检查,确认无异后方可进入施工;4、管:严格要求按各专项方案施工,加强安全检查及时发现问题及时纠正消除隐患。坍塌未确认作业面安全即进入施工。人的因素设备设施因素环境因素 管理因素作业单元安全生产重大风险管控责任清单单位名称:xxx致险因素风险辨识范围 (业务名称)典型风险事件风险等级管控措施 管控单位及责任人监督单...

1、当您付费下载文档后,您只拥有了使用权限,并不意味着购买了版权,文档只能用于自身使用,不得用于其他商业用途(如 [转卖]进行直接盈利或[编辑后售卖]进行间接盈利)。
2、本站所有内容均由合作方或网友上传,本站不对文档的完整性、权威性及其观点立场正确性做任何保证或承诺!文档内容仅供研究参考,付费前请自行鉴别。
3、如文档内容存在违规,或者侵犯商业秘密、侵犯著作权等,请点击“违规举报”。

碎片内容

安全生产重大风险管控责任清单

确认删除?
VIP
微信客服
  • 扫码咨询
会员Q群
  • 会员专属群点击这里加入QQ群
客服邮箱
回到顶部