电脑桌面
添加小米粒文库到电脑桌面
安装后可以在桌面快捷访问

安全管理手册

安全管理手册_第1页
1/13
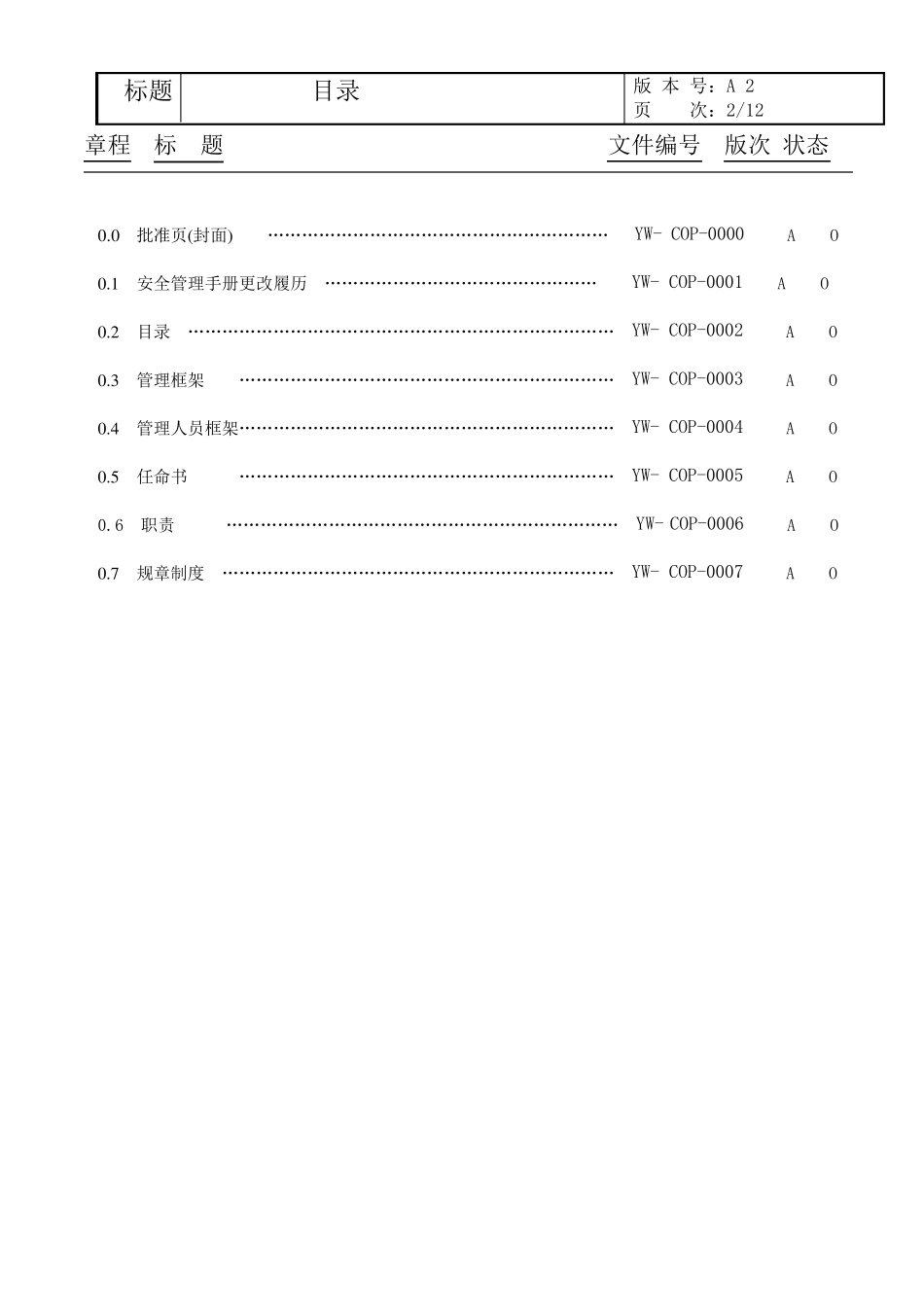
安全管理手册_第2页
2/13
安全管理手册_第3页
3/13
深圳市有为信息技术发展科技有限公司 安全管理手册 FIRE MANUAL 文件编号: YW-2008 版 本: A 2 生效日期: 2011-10-20 编 制: 罗朝辉 审 核: 批 准: 受控状态: No. 标题号 更改单编号 修改内容和/或代号 生效日期 修改人 版次 1.0 管理人员框架 行政部负责人变更为梁珍 2010-02-02 张 军 A 1 2.0 管理人员框架 变更行政,仓库,品质部负责人 2011-10-20 罗朝辉 A 2 安全管理手册 文件编号:YW- COP-0002 生效日期:2011 年 10 月 20 日 安全管理手册 文件编号:YW- COP-0001 生效日期:2011 年 10 月 20 日 版 本 号:A 2 页 次:1/12 标题 质量手册更改履历 标题 目录 版 本 号:A 2 页 次:2/12 章程 标 题 文件编号 版次 状态 0 .0 批准页(封面) …………………………………………………… YW- COP-0000 A O 0 .1 安全管理手册更改履历 ………………………………………… YW- COP-0001 A O 0 .2 目录 ………………………………………………………………… YW- COP-0002 A O 0 .3 管理框架 ………………………………………………………… YW- COP-0003 A O 0 .4 管理人员框架………………………………………………………… YW- COP-0004 A O 0 .5 任命书 ………………………………………………………… YW- COP-0005 A O 0.6 职责 …………………………………………………………… YW- COP-0006 A O 0 .7 规章制度 …………………………………………………………… YW- COP-0007 A O 安全管理手册 文件编号:YW-COP-0003 生效日期:2011 年10 月20 日 版 本 号:A 2 页 次:3/12 标题 管 理 框 架 1 .1 . 职责和权限 本标题描述了本公司安全生产管理框架。主要根据运作需要规定公司组织结构,并说明各部门或职能的相互关系,组织结构分解到部门以下的最小管理单元。 1 .1 .2 . 在本公司内按照“办公安全保证能力要求”,制订安全管理职责,明确各级人员的责任与权限。 1 .1 .2 .管理层组织制定组织架构图的相关人员职责和权限报本单位领导批准。经批准后的职责和权限用以表示对各管理人员的授权及作为人力资源配置的依据。 1 .1 .2 . 管理组织架构图 公司如下组织结构图为人员配置提供依据,也为有效的沟通奠定基础。 维 修 部 0 3 生 产 ...

1、当您付费下载文档后,您只拥有了使用权限,并不意味着购买了版权,文档只能用于自身使用,不得用于其他商业用途(如 [转卖]进行直接盈利或[编辑后售卖]进行间接盈利)。
2、本站所有内容均由合作方或网友上传,本站不对文档的完整性、权威性及其观点立场正确性做任何保证或承诺!文档内容仅供研究参考,付费前请自行鉴别。
3、如文档内容存在违规,或者侵犯商业秘密、侵犯著作权等,请点击“违规举报”。

碎片内容

安全管理手册

您可能关注的文档

确认删除?
VIP
微信客服
  • 扫码咨询
会员Q群
  • 会员专属群点击这里加入QQ群
客服邮箱
回到顶部