电脑桌面
添加小米粒文库到电脑桌面
安装后可以在桌面快捷访问

综合布线系统自检记录表VIP免费

综合布线系统自检记录表_第1页
1/16
综合布线系统自检记录表_第2页
2/16
综合布线系统自检记录表_第3页
3/16
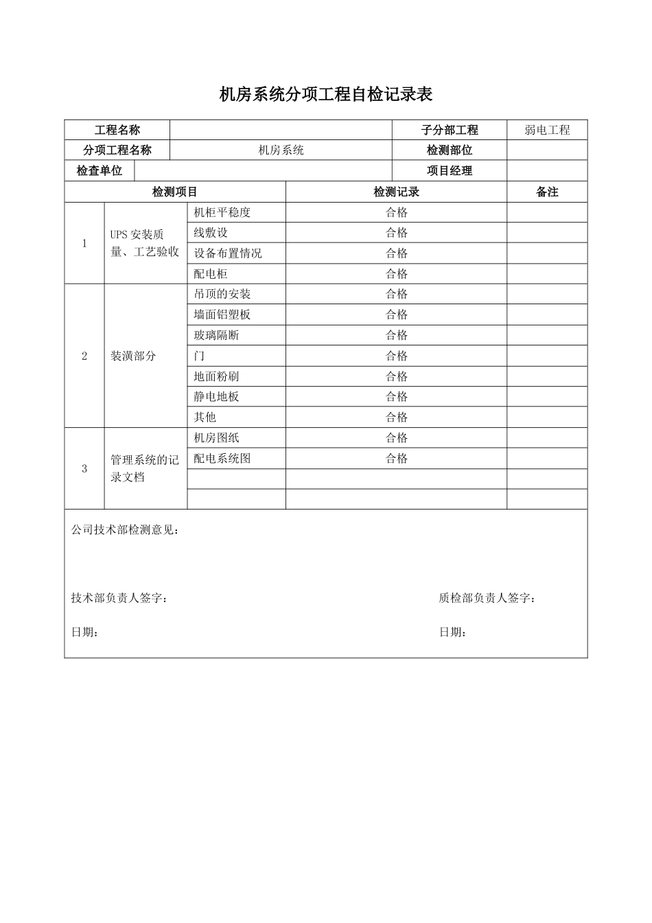
综合布线系统自检记录表工程名称子分部工程弱电工程分项工程名称综合布线系统检测部位检查单位技术经理检测项目检测记录备注1机柜安装质量、工艺验收机柜平稳度合格线敷设合格设备布置情况合格线缆标记合格2标识符与标签的设置设置合格终接色码合格终接点两端色码标签一致合格标识符的组成合格标签的选用合格跳线的色码合格其他合格3管理系统的记录文档配线架记录表合格点位标号图合格电话跳线表合格4电话线路整理和标号二楼机房合格重新整理线路四楼机房合格五楼机房合格七楼机房合格公司技术部检测意见:技术负责人签字:公司负责人签字:日期:日期:机房系统分项工程自检记录表工程名称子分部工程弱电工程分项工程名称机房系统检测部位检查单位项目经理检测项目检测记录备注1UPS安装质量、工艺验收机柜平稳度合格线敷设合格设备布置情况合格配电柜合格2装潢部分吊顶的安装合格墙面铝塑板合格玻璃隔断合格门合格地面粉刷合格静电地板合格其他合格3管理系统的记录文档机房图纸合格配电系统图合格公司技术部检测意见:技术部负责人签字:质检部负责人签字:日期:日期:红外报警系统质量检查记录表工程名称子分部工程弱电工程分项工程名称红外报警系统检测部位检查单位技术经理检测项目(主控项目)检查评定记录备注1探测器设置探测器盲区合格探测器抽检数量不低于20%,且不少于3台,抽检设备合格率100%时为合格;各项系统功能和联动功能全部检测,符合设计要求为合格,合格率为100%时系统检测合格。防动物功能合格2探测器防破坏功能防拆报警合格信号线开路、短路报警合格电源线被剪报警合格3探测器灵敏度是否符合设计要求合格4系统控制功能系统撤防合格系统布防合格关机报警合格后备电源自动切换合格5系统通信功能报警信息传输合格报警响应合格6现场设备接入率合格完好率合格7系统电子地图联动功能合格8系统打印机联动功能合格9线路整理和标号合格重新整理10探测器标号合格公司技术部检测意见:技术部负责人签字:公司负责人签字:日期:日期:背景音乐及紧急广播系统分项工程自检记录表工程名称子分部工程弱电工程分项工程名称背景音乐系统检测部位检查单位项目经理检测项目检测记录备注1机柜安装质量、工艺验收机柜平稳度合格音频线敷设合格设备布置情况合格线缆标记合格2放声系统分区播放情况良好3扬声器、音量控制安装工艺、功能检验扬声器安装平整/牢固度良好音量大小控制良好4扬声器音响效果主观评价良好5功能检测背景音乐播放良好业务分区呼叫良好紧急广播良好其他功能公司技术部、质检部检测意见:技术部负责人签字:质检部负责人签字:日期:日期:四楼会议系统分项工程自检记录表工程名称子分部工程弱电工程分项工程名称会议系统检测部位检查单位项目经理序号检测项目检测记录备注1投影机能正确显示摄像机、DVD和计算机信号实现参照技术指标:3000ANSI注明2投影幕能正常升降正常参照标准:无刺耳噪声,运转流畅3DVD工作正常,能正常播放碟片正常4调音台工作正常,能把输入的音频信号经电平调整后正确送至接收的设备正常5音箱声音清晰,对音源的声音能正确护专,无啸叫现象正常6无线话筒的声音能通过音箱正常扩声正常公司技术部、质检部检测意见:技术部负责人签字:质检部负责人签字:日期:日期:五楼大教室系统分项工程自检记录表工程名称子分部工程弱电工程分项工程名称大教室系统检测部位检测单位技术经理序号检测项目检测记录备注1投影机能正确显示摄像机、DVD和计算机信号实现参照技术指标:3000ANSI注明2投影幕能正常升降正常参照标准:无刺耳噪声,运转流畅3DVD工作正常,能正常播放碟片正常4调音台工作正常,能把输入的音频信号经电平调整后正确送至接收的设备正常5音箱声音清晰,对音源的声音能正确护专,无啸叫现象正常6无线话筒的声音能通过音箱正常扩声正常公司技术部检测意见:技术部负责人签字:公司负责人签字:日期:日期:七楼培训室系统分项工程自检记录表工程名称子分部工程弱电工程分项工程名称培训室系统检测部位施工单位项目经理分包单位分包项目经理序号检测项目检测记录备注1电视机能正确显示电视机和计算机信号实现234567公司技术部、质检部...

1、当您付费下载文档后,您只拥有了使用权限,并不意味着购买了版权,文档只能用于自身使用,不得用于其他商业用途(如 [转卖]进行直接盈利或[编辑后售卖]进行间接盈利)。
2、本站所有内容均由合作方或网友上传,本站不对文档的完整性、权威性及其观点立场正确性做任何保证或承诺!文档内容仅供研究参考,付费前请自行鉴别。
3、如文档内容存在违规,或者侵犯商业秘密、侵犯著作权等,请点击“违规举报”。

碎片内容

综合布线系统自检记录表

确认删除?
VIP
微信客服
  • 扫码咨询
会员Q群
  • 会员专属群点击这里加入QQ群
客服邮箱
回到顶部