电脑桌面
添加小米粒文库到电脑桌面
安装后可以在桌面快捷访问

多层及商铺和北区地下车库工程施工组织VIP免费

多层及商铺和北区地下车库工程施工组织_第1页
1/12
多层及商铺和北区地下车库工程施工组织_第2页
2/12
多层及商铺和北区地下车库工程施工组织_第3页
3/12
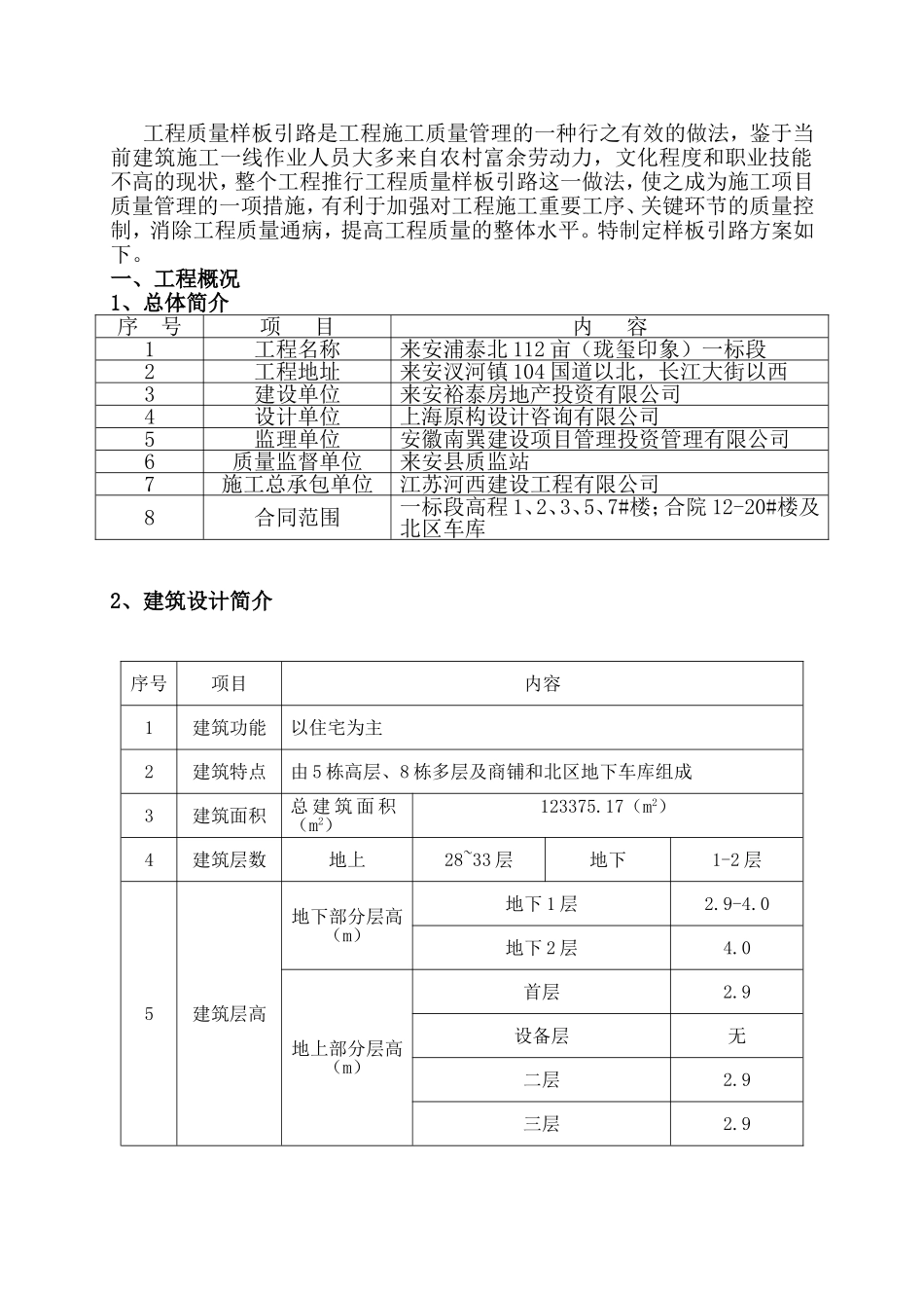
目录一、工程概况...................................................11、总体简介..................................................12、建筑设计简介.............................................23、结构设计..................................................34、设备安装工程概况..........................................4二、施工准备...................................................6三、分部分项工程实物样板施工....................................71、防水工程..................................................71.1、地下防水................................................71.2、厨房、卫生间、阳台防水实物样板..........................82、混凝土结构工程...........................................92.1模板分项工程............................................92.2钢筋分项工程...........................................103、砌筑分部工程............................................114、户内立面线管,开关、插座底盒及电箱的安装................125、内墙装饰.................................................126、门窗安装工程.............................................137、外墙装饰.................................................148、样板房..................................................16四、样板引路施工注意事项…...............................................................16工程质量样板引路是工程施工质量管理的一种行之有效的做法,鉴于当前建筑施工一线作业人员大多来自农村富余劳动力,文化程度和职业技能不高的现状,整个工程推行工程质量样板引路这一做法,使之成为施工项目质量管理的一项措施,有利于加强对工程施工重要工序、关键环节的质量控制,消除工程质量通病,提高工程质量的整体水平。特制定样板引路方案如下。一、工程概况1、总体简介序号项目内容1工程名称来安浦泰北112亩(珑玺印象)一标段2工程地址来安汊河镇104国道以北,长江大街以西3建设单位来安裕泰房地产投资有限公司4设计单位上海原构设计咨询有限公司5监理单位安徽南巽建设项目管理投资管理有限公司6质量监督单位来安县质监站7施工总承包单位江苏河西建设工程有限公司8合同范围一标段高程1、2、3、5、7#楼;合院12-20#楼及北区车库2、建筑设计简介序号项目内容1建筑功能以住宅为主2建筑特点由5栋高层、8栋多层及商铺和北区地下车库组成3建筑面积总建筑面积(m2)123375.17(m2)4建筑层数地上28~33层地下1-2层5建筑层高地下部分层高(m)地下1层2.9-4.0地下2层4.0地上部分层高(m)首层2.9设备层无二层2.9三层2.96建筑高度绝对标高(m)17.30-17.10室内外高差(m)-0.3基底标高(m)-7.5/-6.3最大基坑深度(m)7.5檐口高度(m)10.00-99.90建筑总高(m)103.007建筑防火建筑物耐火等级为一级8墙面保温1.20厚混合砂浆2、180厚加气混凝土砌块墙、混凝土墙3.15厚1:2水泥砂浆掺5%防水剂,6厚1:2.5水泥砂浆粉面,水刷带出小麻面4.胶粘剂5.35厚膨胀珍珠岩保温板6.界面剂一道7.5厚抗裂砂浆复合耐碱玻纤网格布(首层应再加一层加强玻纤网格布)8.涂料饰面(真石漆)9外装修檐口真石漆外墙装修真石漆门窗工程铝合金门窗屋面工程不上人屋面1.40厚C20细石混凝土随打随抹平2.干铺玻纤布一道3.挤塑聚苯板保温层(厚度详见各单体节能设计)4.2厚聚氨酯防水涂料+4厚聚酯毡胎体SBS改性沥青防水卷材5.刷基层处理剂一道6.现浇钢筋混凝土屋面板(结构板顶面2%结构找坡),打磨平整,表面扫净上人屋面1.粘贴8-10厚地砖,干水泥擦缝,每3x6米留10宽缝2.25厚1:3干硬性水泥砂浆结合层3.2厚聚氨酯防水涂料+40厚C20细石混凝土随打随抹,内配φ4@100双向钢筋网片4.干铺无纺布一道5.挤塑聚苯板保温层(厚度详见各单体节能设计)6.2厚聚氨酯防水涂料+4厚聚酯毡胎体SBS改性沥青防水卷材7.刷基层处理剂一道8.现浇钢筋混凝土屋面板(结构板顶面2%结构找坡),打磨平整,表面扫净主入口贴石材面和干挂石材面11内装修顶棚除卫生间外所有住宅房...

1、当您付费下载文档后,您只拥有了使用权限,并不意味着购买了版权,文档只能用于自身使用,不得用于其他商业用途(如 [转卖]进行直接盈利或[编辑后售卖]进行间接盈利)。
2、本站所有内容均由合作方或网友上传,本站不对文档的完整性、权威性及其观点立场正确性做任何保证或承诺!文档内容仅供研究参考,付费前请自行鉴别。
3、如文档内容存在违规,或者侵犯商业秘密、侵犯著作权等,请点击“违规举报”。

碎片内容

多层及商铺和北区地下车库工程施工组织

确认删除?
VIP
微信客服
  • 扫码咨询
会员Q群
  • 会员专属群点击这里加入QQ群
客服邮箱
回到顶部