电脑桌面
添加小米粒文库到电脑桌面
安装后可以在桌面快捷访问

城镇生活污水处理厂运行评估考核标准及细则VIP免费

城镇生活污水处理厂运行评估考核标准及细则_第1页
1/6
城镇生活污水处理厂运行评估考核标准及细则_第2页
2/6
城镇生活污水处理厂运行评估考核标准及细则_第3页
3/6
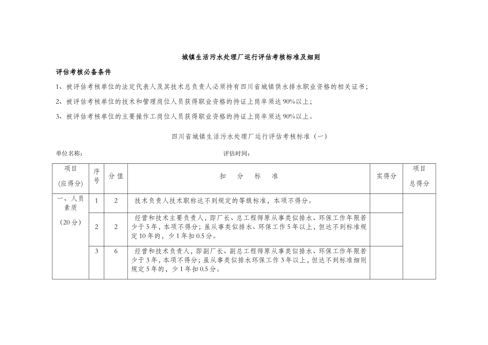
城镇生活污水处理厂运行评估考核标准及细则评估考核必备条件1、被评估考核单位的法定代表人及其技术总负责人必须持有四川省城镇供水排水职业资格的相关证书;2、被评估考核单位的技术和管理岗位人员获得职业资格的持证上岗率须达90%以上;3、被评估考核单位的主要操作工岗位人员获得职业资格的持证上岗率须达90%以上。四川省城镇生活污水处理厂运行评估考核标准(一)单位名称:评估时间:项目(应得分)序号分值扣分标准实得分项目总得分一、人员素质(20分)12技术负责人技术职称达不到规定的等级标准,本项不得分。22经营和技术主要负责人,即厂长、总工程师原从事类似排水、环保工作年限若少于5年,本项不得分;虽从事类似排水、环保工作5年以上,但达不到标准规定10年的,少1年扣0.5分。36经营和技术负责人,即副厂长、副总工程师原从事类似排水、环保工作年限若少于3年,本项不得分;虽从事类似排水环保工作3年以上,但达不到标准细则规定5年的,少1年扣0.5分。44专业技术人员占职工总人数的比例低于标准规定的一个百分点,扣0.5分。53技术和管理岗位人员持证上岗率虽达90%以上,但未达到标准细则规定的百分比比率,低一个百分点扣0.5分。63主要操作工岗位人员持证上岗率虽达到90%以上,但未达到标准细则规定的百分比比率,低一个百分点扣0.5分。二、基础管理(25)76制定有污水处理厂管理标准。未制定标准本项目不得分;标准不规范、欠完善扣2分至3分。87制定有防灾及重特大事故等应急预案。没有任何应急预案本项目不得分,较标准细则规定相比,每少一项预案扣2分。二、基础管理(25)910建立了水质监测化验机构和设施,按月有进、出厂水水质监测分析报告。未建立水质监测化验机构扣5分。有国家级的得5分,省级的得3分,自建的得2分。全无按月水质分析报告扣5分,较标准每漏1项扣1分。102按时限要求及时、准确、完整的上报各种报表、报告和资料。上报不及时扣0.5分;漏报一项扣0.5分。三、工艺管理(10)111各工艺段均应制定操作规程,明确工艺参数和工艺调整的范围和程序。未建操作规程本项不得分;规程不规范、不完整扣0.5分至1分。121各工艺段均应分别建有安全操作规程。未建安全操作规程本项不得分;不规范、不完整扣0.1分至0.5分。※132运行管理机构建全,管理办法规范,岗位职责健全。运行管理机构不健全扣0.1分至1分;运行管理办法不规范、不完整扣0.2分至1分;人员岗位职责不健全、不完整扣0.1分至0.5分。※141污水处理工艺段运转不正常扣0.5分至1分。※※151污泥处理不正常、出泥量偏少,且不稳定扣0.1分至0.5分;污泥含水率大于80%,每超出一个百分点扣0.1分。※※161污水处理量小于到厂水量,且达不到设计处理水量,少一个百分点扣0.5分。三、工艺管理(10)171.5进水水质在充许偏差范围内,标准细则1.4.3条规定的六项指标达不到表9规定的最低合格率,每个百分点扣0.5分,其中一项低于最低合格率10个百分点,本项不得分。180.5水质检测水样,未按规定取样和保存扣0.5分至1分。※191水样检测项目未按标准细则中表6、表7规定的方法、周期进行检测扣0.1分至0.5分。四、设备管理(15)202未按规定建立设备完好率统计表和设备清册(台帐),本项不得分;不完整、不规范扣0.5分至1分。214未按设备完好标准,认定设备完好台数,据此所计算出的完好率超过实际完好率,每超过1个百分点扣0.5分;设备完好率分三类计算,其中一类低于规定完好率10个百分点,本项不得分。221设备完好率未按规定的Ⅰ、Ⅱ、Ⅲ类进行分类统计本项不得分;分类不准确扣0.5分。232设备管理机构设置、专业人员配置不齐全不合理扣0.5分至1分。244设备管理制度不健全,职责不明确扣1分至2分。252设备档案不齐全、不完整、不规范扣0.5分至1分。五、安全管理(15)263安全无专人负责、无专职安全员或监职人员,或安全员未接受安全培训,职责不明确扣1分至2分。272安全设施、安全标志不齐全,不合理扣0.5分至1分。284无安全管理制度或不健全扣1分至3分。292厂内重点安全防护部位和设备无明显标识扣1分。302吊装设备压力管道等无检测合格标识扣1分。312厂内存在安全隐患扣1分,存在重大安全隐患本项不得分。...

1、当您付费下载文档后,您只拥有了使用权限,并不意味着购买了版权,文档只能用于自身使用,不得用于其他商业用途(如 [转卖]进行直接盈利或[编辑后售卖]进行间接盈利)。
2、本站所有内容均由合作方或网友上传,本站不对文档的完整性、权威性及其观点立场正确性做任何保证或承诺!文档内容仅供研究参考,付费前请自行鉴别。
3、如文档内容存在违规,或者侵犯商业秘密、侵犯著作权等,请点击“违规举报”。

碎片内容

城镇生活污水处理厂运行评估考核标准及细则

您可能关注的文档

确认删除?
VIP
微信客服
  • 扫码咨询
会员Q群
  • 会员专属群点击这里加入QQ群
客服邮箱
回到顶部