电脑桌面
添加小米粒文库到电脑桌面
安装后可以在桌面快捷访问

石油物流有限公司南疆港区燃料油仓储项目工艺管道安装施工方案VIP免费

石油物流有限公司南疆港区燃料油仓储项目工艺管道安装施工方案_第1页
1/22
石油物流有限公司南疆港区燃料油仓储项目工艺管道安装施工方案_第2页
2/22
石油物流有限公司南疆港区燃料油仓储项目工艺管道安装施工方案_第3页
3/22
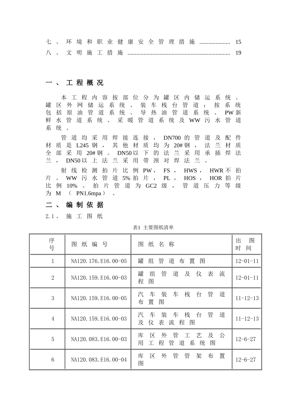
区燃料油仓储项目工艺管道安装施工方案目录一、工程概况.......................................................................................1二、编制依据.......................................................................................12.1、施工图纸................................................................................12.2、规范性文件、标准、图集...............................12.3、企业质量、环境、职业安全管理体系及其他依据.......................................................................................2三、施工准备.......................................................................................23.1、施工技术准备..................................................................23.2、施工设备材料准备....................................................33.3、施工机具准备..................................................................43.4、现场准备................................................................................5四、施工工艺流程.........................................................................5五、主要工序施工方法...........................................................75.1管道预制....................................................................................75.2管道组对....................................................................................75.3管道支架预制......................................................................75.4管道安装....................................................................................85.5管道焊接....................................................................................95.6管道支架安装..................................................................105.7阀门和法兰部件安装.............................................105.8管道试压................................................................................115.9管道吹扫................................................................................12六、质量标准及控制要点.................................................12七、环境和职业健康安全管理措施.....................15八、文明施工措施......................................................................19一、工程概况本工程内容按部位分为罐区内储运系统、罐区外网储运系统、装车栈台管道;按系统包括原油管道系统、导热油管道系统、PW新鲜水管道系统、采暖管道系统及WW污水管道系统。管道均采用焊接连接,DN700的管道及配件材质是L245钢,其他材质均为20#钢,法兰材质全部采用20#钢。DN50以下的法兰采用承插焊法兰,DN50以上法兰采用带颈对焊法兰。射线检测拍片比例PW,FS,HWS,HWR不拍片。WW污水管道5%拍片,PL,HOS,HOR拍片比例10%。拍片管道为GC2级,管道压力等级为M(PN1.6mpa)。二、编制依据2.1、施工图纸表1主要图纸清单序号图纸编号图纸名称出图时间1NA120.176.E16.00-05罐组管道布置图12-01-112NA120.159.E16.00-03罐组管道及仪表流程图12-01-113NA120.159.E16.00-05汽车装车栈台管道布置图11-12-134NA120.159.E16.00-03汽车装车栈台管道及仪表流程图11-12-135NA120.083.E16.00-03库区外管工艺及公用工程管道系统图12-6-276NA120.083.E16.00-04库区外管管架布置图12-6-277NA120.083.E16.00-05库区外管管道布置图12-6-272.2、规范性文件、标准、图集表2:主要标准规范类别施工规范图集号《工业金属管道工程施·工及验收规范管道施工规范》GB50235-1997《现场设备、工业管道焊接工程施工规范》GB50236-2010《现场设备、工业管道焊接工程施工质量验收规范》GB50683《工业设备及管道绝热工程施工规范》GB50126《工业设备及管道绝热工程施工质量验收规范》GB50...

1、当您付费下载文档后,您只拥有了使用权限,并不意味着购买了版权,文档只能用于自身使用,不得用于其他商业用途(如 [转卖]进行直接盈利或[编辑后售卖]进行间接盈利)。
2、本站所有内容均由合作方或网友上传,本站不对文档的完整性、权威性及其观点立场正确性做任何保证或承诺!文档内容仅供研究参考,付费前请自行鉴别。
3、如文档内容存在违规,或者侵犯商业秘密、侵犯著作权等,请点击“违规举报”。

碎片内容

石油物流有限公司南疆港区燃料油仓储项目工艺管道安装施工方案

您可能关注的文档

确认删除?
VIP
微信客服
  • 扫码咨询
会员Q群
  • 会员专属群点击这里加入QQ群
客服邮箱
回到顶部