电脑桌面
添加小米粒文库到电脑桌面
安装后可以在桌面快捷访问

矿业有限公司煤矿重点岗位应急处置卡VIP免费

矿业有限公司煤矿重点岗位应急处置卡_第1页
1/20
矿业有限公司煤矿重点岗位应急处置卡_第2页
2/20
矿业有限公司煤矿重点岗位应急处置卡_第3页
3/20
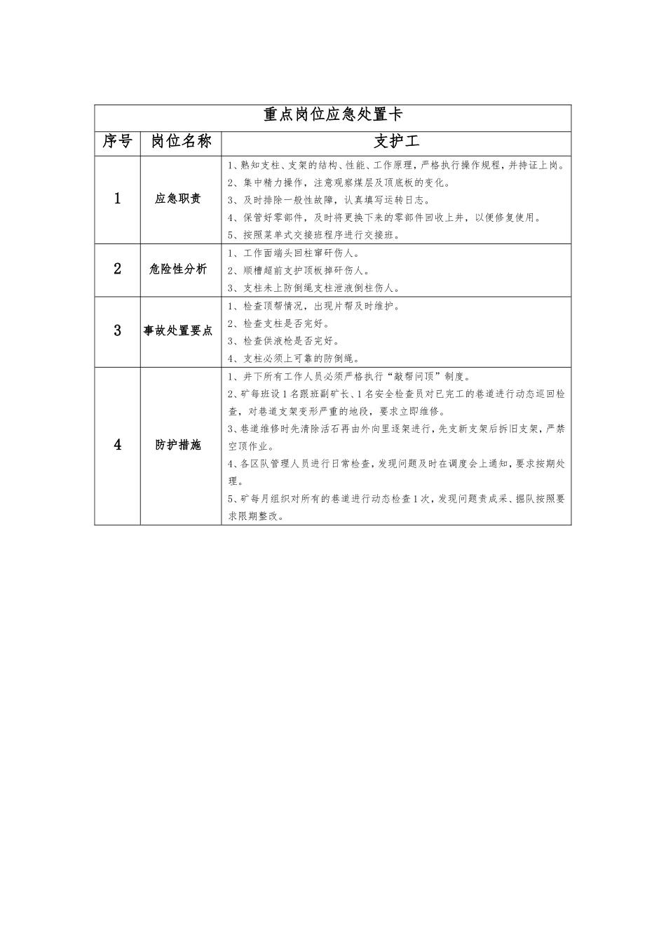
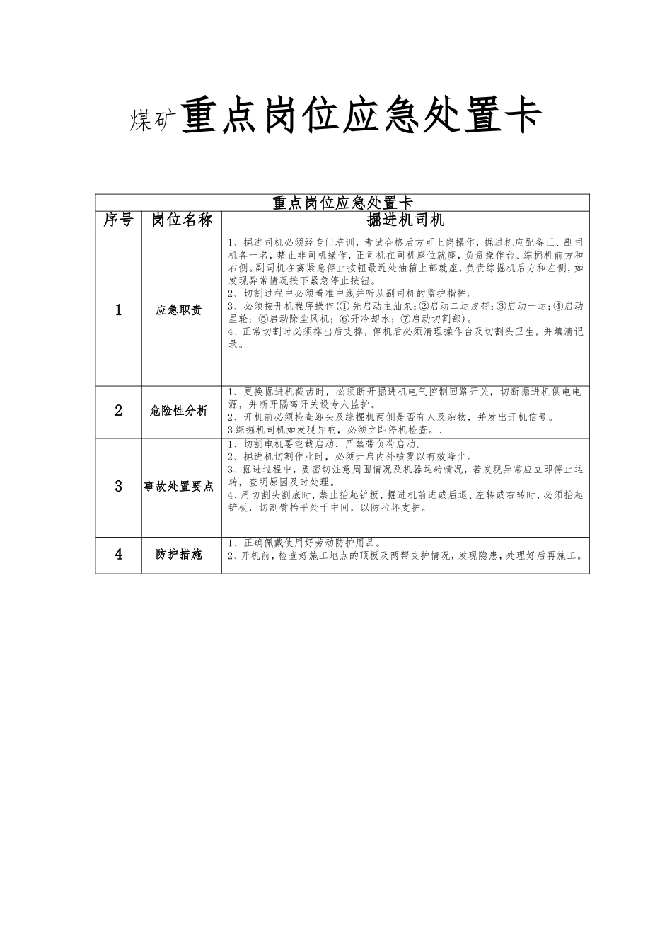
煤矿重点岗位应急处置卡重点岗位应急处置卡序号岗位名称掘进机司机1应急职责1、掘进司机必须经专门培训,考试合格后方可上岗操作,掘进机应配备正、副司机各一名,禁止非司机操作,正司机在司机座位就座,负责操作台、综掘机前方和右侧。副司机在离紧急停止按钮最近处油箱上部就座,负责综掘机后方和左侧,如发现异常情况按下紧急停止按钮。2、切割过程中必须看准中线并听从副司机的监护指挥。3、必须按开机程序操作(①先启动主油泵;②启动二运皮带;③启动一运;④启动星轮;⑤启动除尘风机;⑥开冷却水;⑦启动切割部)。4、正常切割时必须撑出后支撑,停机后必须清理操作台及切割头卫生,并填清记录。2危险性分析1、更换掘进机截齿时,必须断开掘进机电气控制回路开关,切断掘进机供电电源,并断开隔离开关设专人监护。2、开机前必须检查迎头及综掘机两侧是否有人及杂物,并发出开机信号。3综掘机司机如发现异响,必须立即停机检查。、3事故处置要点1、切割电机要空载启动,严禁带负荷启动。2、掘进机切割作业时,必须开启内外喷雾以有效降尘。3、掘进过程中,要密切注意周围情况及机器运转情况,若发现异常应立即停止运转,查明原因及时处理。4、用切割头割底时,禁止抬起铲板,掘进机前进或后退、左转或右转时,必须抬起铲板,切割臂抬平处于中间,以防拉坏支护。4防护措施1、正确佩戴使用好劳动防护用品。2、开机前,检查好施工地点的顶板及两帮支护情况,发现隐患,处理好后再施工。重点岗位应急处置卡序号岗位名称支护工1应急职责1、熟知支柱、支架的结构、性能、工作原理,严格执行操作规程,并持证上岗。2、集中精力操作,注意观察煤层及顶底板的变化。3、及时排除一般性故障,认真填写运转日志。4、保管好零部件,及时将更换下来的零部件回收上井,以便修复使用。5、按照菜单式交接班程序进行交接班。2危险性分析1、工作面端头回柱窜矸伤人。2、顺槽超前支护顶板掉矸伤人。3、支柱未上防倒绳支柱泄液倒柱伤人。3事故处置要点1、检查顶帮情况,出现片帮及时维护。2、检查支柱是否完好。3、检查供液枪是否完好。4、支柱必须上可靠的防倒绳。4防护措施1、井下所有工作人员必须严格执行“敲帮问顶”制度。2、矿每班设1名跟班副矿长、1名安全检查员对已完工的巷道进行动态巡回检查,对巷道支架变形严重的地段,要求立即维修。3、巷道维修时先清除活石再由外向里逐架进行,先支新支架后拆旧支架,严禁空顶作业。4、各区队管理人员进行日常检查,发现问题及时在调度会上通知,要求按期处理。5、矿每月组织对所有的巷道进行动态检查1次,发现问题责成采、掘队按照要求限期整改。重点岗位应急处置卡序号岗位名称掘进工1应急职责1、巷道掘进工必须熟悉掘进工作地区的地质构造及水文地质情况。2、巷道掘进工必须熟悉所掘进巷道的作业规程和工程质量标准要求以及安全技术措施。3、掘进工作前要备好掘进工作所用的工具,并保证工具的完好使用。4、掘进工作前要备好掘进工作所使用的支架材料,不合格的支架材料不得使用。5、按照作业规程的要求,进行掘进支护,确保工程质量合格。6、维护好掘进工作范围内的一切电器设备完好无损。2危险性分析1、施工地点顶板及两帮支护是否稳定,有无危岩、活矸。2、巷道所在地点范围内的涌水情况。3、使用的工、器具是否完好。4、使用的支护材料是否符合规定要求。3事故处置要点1、进行支护前,必须有已有的完好支护保护下,用长把长具敲帮问顶,摘除悬矸危岩和松动的煤帮。2、随时观察工作面动态,发现异常现象(如:巨大的震顶声、大量支柱卸荷或钻底严重、顶板来压显现强烈或出现台阶下沉现象等),必须立即发出警报,撤离所有人员,待顶板稳定后,由班(组)长按规定处理。3、按作业规程的规定进行铺、联网。联网时不得出现空联。4、顶梁与顶板应紧密接触。若顶板不平或局部冒顶时,必须用木料背实。5、不准将支柱架设在浮煤(矸)上,坚硬底板要刨柱窝、见麻面;底板松软时,支柱必须穿鞋。4防护措施1、施工时、每组人员不得少于2人以上作业。2、佩戴使用好劳动防护用品。3、严格按照《煤矿安全规程》和《作业规程》的规定施工。重点岗位应急处置卡序号岗...

1、当您付费下载文档后,您只拥有了使用权限,并不意味着购买了版权,文档只能用于自身使用,不得用于其他商业用途(如 [转卖]进行直接盈利或[编辑后售卖]进行间接盈利)。
2、本站所有内容均由合作方或网友上传,本站不对文档的完整性、权威性及其观点立场正确性做任何保证或承诺!文档内容仅供研究参考,付费前请自行鉴别。
3、如文档内容存在违规,或者侵犯商业秘密、侵犯著作权等,请点击“违规举报”。

碎片内容

矿业有限公司煤矿重点岗位应急处置卡

文章天下+ 关注
实名认证
内容提供者

各种文档应有尽有

确认删除?
VIP
微信客服
  • 扫码咨询
会员Q群
  • 会员专属群点击这里加入QQ群
客服邮箱
回到顶部