电脑桌面
添加小米粒文库到电脑桌面
安装后可以在桌面快捷访问

安徽省工程竣工验收报告(官方版)

安徽省工程竣工验收报告(官方版)_第1页
1/24
安徽省工程竣工验收报告(官方版)_第2页
2/24
安徽省工程竣工验收报告(官方版)_第3页
3/24
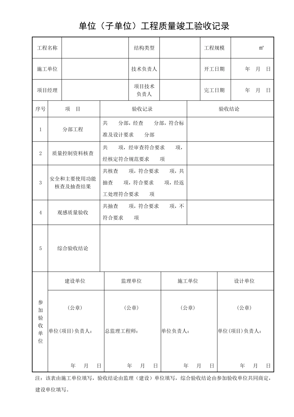
编号: 工程竣工验收报告 工程名称: 竣工日期: 年 月 日 验收组织单位(章): 安徽省住房和城乡建设厅印制 房屋建筑工程和市政基础设施工程概况一览表 工程名称 工程地点 工程规划 许可证号 工程施工 许可证号 质量监督 注册号 工程用途 设计能力 造价 工程主要内容 开工日期 年 月 日 竣工日期 年 月 日 建设单位 法定代表人 单位地址 项目负责人 勘察单位 资质等级 项目负责人 设计单位 资质等级 项目负责人 施工总包单位 资质等级 法定代表人 项目经理 分包单位 资质等级 分包单位 资质等级 分包单位 资质等级 监理单位 资质等级 总监理 工程师 岗位证书号 工程质量 监督机构 注:本表由建设单位填写。 单位(子单位)工程质量竣工验收记录 工程名称 结构类型 工程规模 ㎡ 施工单位 技术负责人 开工日期 年 月 日 项目经理 项目技术 负责人 完工日期 年 月 日 序号 项 目 验收记录 验收结论 1 分部工程 共 分部,经查 分部,符合标 准及设计要求 分部 2 质量控制资料核查 共 项,经审查符合要求 项, 经核定符合规范要求 项 3 安全和主要使用功能核查及抽查结果 共核查 项,符合要求 项,共 抽查 项,符合要求 项,经返 工处理符合要求 项 4 观感质量验收 共抽查 项,符合要求 项,不 符合要求 项 5 综合验收结论 参 加 验 收 单 位 建设单位 监理单位 施工单位 设计单位 (公章) 单位(项目)负责人: 年 月 日 (公章) 总监理工程师: 年 月 日 (公章) 单位负责人: 年 月 日 (公章) 单位(项目)负责人: 年 月 日 注:该表由施工单位填写,验收结论由监理(建设)单位填写,综合验收结论由参加验收单位共同商定,建设单位填写。 工程竣工验收意见 验收组组长(签名): 注:建设单位根据验收组织意见填写包括设计功能、指标实现情况;建设单位守法情况;对工程勘察、设计、施工、监理等方面的简单评价;工程质量等级(要说明各分部工程质量等级及验收标准);难以弥补的质量缺陷记录(不得影响安全使用)。 验收组成员名单 姓名 验收组职务 工作单位 职务、职称 本人签名 专业管理部门验收意见 单位 验收意见 公安消防部门 年 月 日 规划部门 年 月 日 环保部门 年 月 日 城建档案管理机构 年 月 日 监督验收意见: 工程质量监督站(公章): 年 月 日 ...

1、当您付费下载文档后,您只拥有了使用权限,并不意味着购买了版权,文档只能用于自身使用,不得用于其他商业用途(如 [转卖]进行直接盈利或[编辑后售卖]进行间接盈利)。
2、本站所有内容均由合作方或网友上传,本站不对文档的完整性、权威性及其观点立场正确性做任何保证或承诺!文档内容仅供研究参考,付费前请自行鉴别。
3、如文档内容存在违规,或者侵犯商业秘密、侵犯著作权等,请点击“违规举报”。

碎片内容

安徽省工程竣工验收报告(官方版)

确认删除?
VIP
微信客服
  • 扫码咨询
会员Q群
  • 会员专属群点击这里加入QQ群
客服邮箱
回到顶部