电脑桌面
添加小米粒文库到电脑桌面
安装后可以在桌面快捷访问

安徽省建设工程质量检测和建筑材料试验服务收费标准

安徽省建设工程质量检测和建筑材料试验服务收费标准_第1页
1/16
安徽省建设工程质量检测和建筑材料试验服务收费标准_第2页
2/16
安徽省建设工程质量检测和建筑材料试验服务收费标准_第3页
3/16
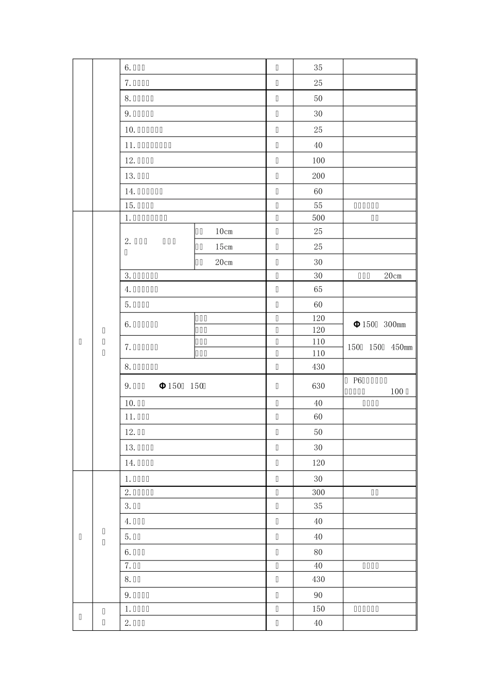
安徽省物价局、建设厅关于 制定建设工程质量检测收费标准的通知 皖价服〔2006〕177号 二○○六年六月十九日 各市、县物价局、建委(局)、合肥市建管局: 为加强我省建设工程质量检测收费管理,保证建设工程质量和安全,促进建设工程质量检测工作的健康发展,根据《建设工程质量检测管理办法》和《安徽省经营性服务收费管理办法》等有关规定,现就制定我省建设工程质量检测收费标准的有关事项通知如下: 一、本通知所指的建设工程质量检测包括:建设工程质量检测和建筑材料试验服务(以下简称检测试验服务),民用建筑工程室内环境质量检测服务(以下简称室内环境检测)。 二、建设工程检测试验服务是指依法取得省级建设行政主管部门颁发的《建设工程质量检测机构资质证书》、省物价部门确认的收费资格,并具有独立法人资格的建设工程质量检测机构,接受委托,依据国家的法律、法规、技术标准与规范,对涉及建筑结构安全项目的抽样检测和对进入施工现场的建筑材料、构配件的见证取样检测等。 室内环境检测是获得省建设行政主管部门认可,取得省物价主管部门确认的收费资格,并具有法人资格的检测机构,依据国家的法律、法规、技术标准与规范,对民用建筑工程室内环境进行的检测服务。 三、建设工程质量检测服务应本着自愿委托、有偿服务的原则。检测机构按有关规定与委托单位签订检测合同,明确双方的权利和义务。任何部门和单位不得利用职权强制服务,强行收费。 四、建设工程质量检测服务收费实行政府定价。收费标准按照提供检测的项目分别计费。具体检测项目和标准见附件。本通知中未列的检测项目,实际工作中又确实需要的,由检测单位参照相近项目收费标准与委托方协商确定。 五、建设工程质量检测机构应坚持“科学性、公正性、准确性”,对其提供的检测结果负经济、法律责任。 六、省建设工程质量监督管理机构对各建设工程质量检测机构具有政策指导、技术认定、信息技术、对比试验等服务职能。各检测机构按检测服务费的1%上交省建设工程质量监督管理机构。专项用于全省建设工程检测服务的技术指导等工作。 七、建设工程质量检测收费属省管的经营性服务收费,根据《安徽省经营性服务收费管理办法》的规定,检测机构收费前,应按隶属关系到物价部门办理《安徽省经营性服务收费许可证》变更手续,并将收费项目和收费标准在收费场所醒目位置公布。收费时使用税票,按章纳税,主动接受物价部门和社会的监督。 八、各级物价部门要加...

1、当您付费下载文档后,您只拥有了使用权限,并不意味着购买了版权,文档只能用于自身使用,不得用于其他商业用途(如 [转卖]进行直接盈利或[编辑后售卖]进行间接盈利)。
2、本站所有内容均由合作方或网友上传,本站不对文档的完整性、权威性及其观点立场正确性做任何保证或承诺!文档内容仅供研究参考,付费前请自行鉴别。
3、如文档内容存在违规,或者侵犯商业秘密、侵犯著作权等,请点击“违规举报”。

碎片内容

安徽省建设工程质量检测和建筑材料试验服务收费标准

小辰7+ 关注
实名认证
内容提供者

出售各种资料和文档

确认删除?
VIP
微信客服
  • 扫码咨询
会员Q群
  • 会员专属群点击这里加入QQ群
客服邮箱
回到顶部