电脑桌面
添加小米粒文库到电脑桌面
安装后可以在桌面快捷访问

安科瑞AKH0.66系列测量型电流互感器

安科瑞AKH0.66系列测量型电流互感器_第1页
1/8
安科瑞AKH0.66系列测量型电流互感器_第2页
2/8
安科瑞AKH0.66系列测量型电流互感器_第3页
3/8
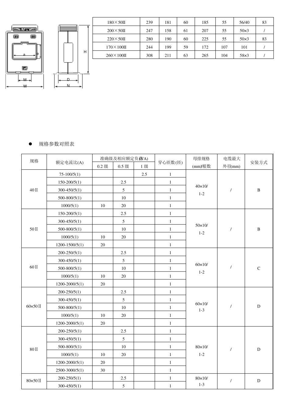
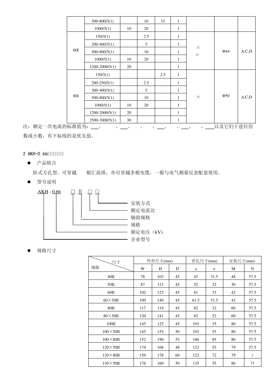
安科瑞AKH-0.66系列测量型电流互感器 1 AKH-0.66Ⅰ型电流互感器  产品特点 专利产品,翻盖式设计,外形美观,接线方便。翻盖材料选用透明聚碳酸酯,能清楚看到二次引线接线情况。方圆组合孔型,既可穿越电缆,也可穿越汇流排,作为交流电流信号采集元件,一般与电气测量仪表配套使用。  型号说明 AKH - 0.66 - □ I □ □  规格尺寸  规格参数对照表 规格 额定电 流比(A) 准确级及相应额定负荷(VA) 穿心 匝数 (匝) 母排规格(m m )/根数 电缆最大 外径(m m ) 安装方式 0.2 级 0.5 级 1 级 30I 15/5(1) 2.5 5 / Φ22 A 20/5(1) 2.5 4 25-30/5(1) 2.5 3 40-60/5(1) 2.5 2 75-100/5(1) 2.5 1 30×10/1 A,B 150/5(1) 2.5 5 1 200-400/5(1) 5 7.5 1 500/5(1) 10 1 40I 15/5(1) 2.5 5 / Φ30 A 20/5(1) 2.5 4 25-30/5(1) 2.5 3 40-60/5(1) 2.5 2 75-100/5(1) 2.5 1 40×10/1 A,C 150/5(1) 2.5 3.75 1 200-450/5(1) 5 7.5 1 尺寸 规格 外形尺寸(m m ) 穿孔尺寸(m m ) 安装尺寸(m m ) W H D a e Φ M N 30 I 60 78 36 31 11 23 34 57.5 40 I 75 95 45 42 11 31 40 57.5 60 I 102 130 45 61.5 21 45 42 57.5 80 I 118 140 45 82 11 52 60 57.5 额定电流比 辅助规格 规格 额定电压(kV) 企业型号 安装方式 aeφMDWNH500-800/5(1) 10 15 1 1000/5(1) 10 20 1 60I 150/5(1) 2.5 1 60×10/1 60×6/1-2 Φ44 A,C,D 200-400/5(1) 5 1 500-800/5(1) 10 1 1000/5(1) 10 20 1 1200-2000/5(1) 20 1 80I 150/5(1) 2.5 1 80×10/1 Φ50 A,C,D 200-250/5(1) 2.5 1 300-400/5(1) 5 1 500-800/5(1) 10 1 1000/5(1) 10 20 1 1200-2000/5(1) 20 1 2500-3000/5(1) 30 1 注:额定一次电流的标准值为:10A、12.5A、15A、20A、25A、30A、40A、50A、60A、75A以及它们十进位倍数或小数,有下标线的是优先值。 2 AKH-0.66Ⅱ型电流互感器  产品特点 卧式方孔型,可穿越 1-6根汇流排,亦可穿越多根电缆,一般与电气测量仪表配套使用。  型号说明 AKH - 0.66 - □ Ⅱ □ □  规格尺寸 尺寸 规格 外形尺寸(m m ) 穿孔尺寸(m m ) 安装尺寸(m m ) W H D a e M N 40II 78 103 45 43 31.5 48 ...

1、当您付费下载文档后,您只拥有了使用权限,并不意味着购买了版权,文档只能用于自身使用,不得用于其他商业用途(如 [转卖]进行直接盈利或[编辑后售卖]进行间接盈利)。
2、本站所有内容均由合作方或网友上传,本站不对文档的完整性、权威性及其观点立场正确性做任何保证或承诺!文档内容仅供研究参考,付费前请自行鉴别。
3、如文档内容存在违规,或者侵犯商业秘密、侵犯著作权等,请点击“违规举报”。

碎片内容

安科瑞AKH0.66系列测量型电流互感器

小辰+ 关注
实名认证
内容提供者

出售各种文档和资料

确认删除?
VIP
微信客服
  • 扫码咨询
会员Q群
  • 会员专属群点击这里加入QQ群
客服邮箱
回到顶部