电脑桌面
添加小米粒文库到电脑桌面
安装后可以在桌面快捷访问

完整的单片机驱动TFT彩屏的程序设计

完整的单片机驱动TFT彩屏的程序设计_第1页
1/84
完整的单片机驱动TFT彩屏的程序设计_第2页
2/84
完整的单片机驱动TFT彩屏的程序设计_第3页
3/84
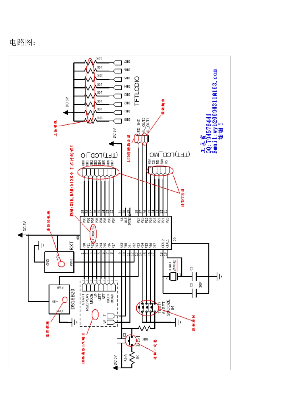
单片机驱动TFT 彩屏的程序设计 一种完整的复杂的单片机驱动TFT 彩屏的程序设计。 同步显示有星期;温度;时间;遥控指示;以及强大的定时功能… 废话不多说,自已向下看吧… 显示效果图: 说明图: 电路图: 彩屏部分数据:(网上有资料,陶宝网上有买) 以下是汇编程序: (本程序可直接复制使用,但请指明出处。) 本程序本人用时2. 5 个月制作(当然是工作闲余的时候),本程序是本人为学习汇编而编写(为做到“入森而不迷”)。其已经做过实物测试,除时间不是十分精确外,其它都没有问题(因为问题已经解决了~~)。 遥控码数请参照程序中的以下两个子程序: 子程序1:遥控按键处理(码数这里面,很容易找的) 子程序2:遥控外部中断处理程序(遥控器不同码数长度也不一样,这里要注意) ;制作:王永宾 ;QQ:794576441 ;Email:******************* ;---------------------------------------复制以下------------------------ --------------------------------- ;TFT 彩屏程序(STC89C52) ;制作:王永宾 ;QQ:794576441 ;Email:*******************LCDRS EQU P2.0 LCDRW EQU P2.1 LCDCS EQU P2.3 LCDRST EQU P2.4 ;------------------ SU00 EQU 30H ;时间字符的地址 2440(0-9) SU01 EQU 31H SU10 EQU 32H SU11 EQU 33H SU20 EQU 34H SU21 EQU 35H SU30 EQU 36H SU31 EQU 37H SU40 EQU 38H SU41 EQU 39H SU50 EQU 3AH SU51 EQU 3BH SU60 EQU 3CH SU61 EQU 3DH SU70 EQU 3EH SU71 EQU 3FH SU80 EQU 40H SU81 EQU 41H SU90 EQU 42H SU91 EQU 43H ;--------时间寄存器定义---------- RR0 EQU 44H RR1 EQU 45H RR2 EQU 46H RR3 EQU 47H RR4 EQU 48H RR5 EQU 49H RR6 EQU 4AH RR7 EQU 4BH SUZR0 EQU 4DH ;星期?字符的地址(日-六) SUZR1 EQU 4EH SUZ10 EQU 4FH SUZ11 EQU 50H SUZ20 EQU 51H SUZ21 EQU 52H SUZ30 EQU 53H SUZ31 EQU 54H SUZ40 EQU 55H SUZ41 EQU 56H SUZ50 EQU 57H SUZ51 EQU 58H SUZ60 EQU 59H SUZ61 EQU 5AH WD1 EQU 5BH WD2 EQU 5CH WD3 EQU 5DH WD4 EQU 5EH ;-------星期?寄存器定义 ------------ RR8 EQU 4CH ;定时字符的地址 1616(六-日) GUAN0 EQU 60H GUAN1 EQU 61H SL10 EQU 62H SL11 EQU 63H SL20 EQU ...

1、当您付费下载文档后,您只拥有了使用权限,并不意味着购买了版权,文档只能用于自身使用,不得用于其他商业用途(如 [转卖]进行直接盈利或[编辑后售卖]进行间接盈利)。
2、本站所有内容均由合作方或网友上传,本站不对文档的完整性、权威性及其观点立场正确性做任何保证或承诺!文档内容仅供研究参考,付费前请自行鉴别。
3、如文档内容存在违规,或者侵犯商业秘密、侵犯著作权等,请点击“违规举报”。

碎片内容

完整的单片机驱动TFT彩屏的程序设计

小辰6+ 关注
实名认证
内容提供者

出售各种资料和文档

确认删除?
VIP
微信客服
  • 扫码咨询
会员Q群
  • 会员专属群点击这里加入QQ群
客服邮箱
回到顶部