电脑桌面
添加小米粒文库到电脑桌面
安装后可以在桌面快捷访问

定向钻穿越工程施工方案中石油管道局

定向钻穿越工程施工方案中石油管道局_第1页
1/18
定向钻穿越工程施工方案中石油管道局_第2页
2/18
定向钻穿越工程施工方案中石油管道局_第3页
3/18
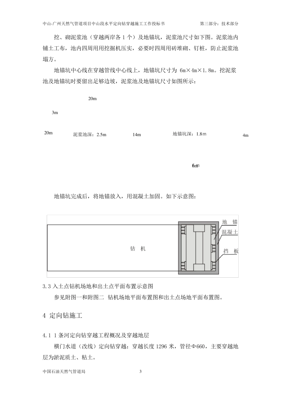
中山-广州天然气管道项目中山段水平定向钻穿越施工工作投标书 第三部分:技术部分 中国石油天然气管道局 1 定向钻穿越工程施工方案 1 穿越施工工艺流程 定向钻穿越施工程序如下图所示: 2 测量放线 根据设计交底(桩)与施工图纸放出钻机场地控制线及设备摆放位置线,确保钻机中心线与入土点、出土点成一条直线。 3 进场道路及场地的平整 3.1 入土点钻机作业、出土点场地及进场便道 本次中山-广州天然气管道定向钻穿越中共投入6 台钻机,各钻机施工场地要求各异,具体每条河流的穿越场地要求详见表 6-1 各河流穿越施工场地及临时进场道路施工表。 清管、测径 竣工验收 钻导向孔 穿越管线回拖 预扩孔洗孔,回拖准备 接桩 测量放线 修筑便道、场地铺垫 钻机进场组装、调试 地貌恢复 中山-广州天然气管道项目中山段水平定向钻穿越施工工作投标书 第三部分:技术部分 中国石油天然气管道局 2 表 1 各河流穿越施工场地及进场道路施工表 3.2 地锚坑及排浆池 序号 河流名称 施工钻机 入土点场地 入土点 进场道路 出土点场地 出土点 进场道路 1 横门水道 HK450 70m×70m,入土点开挖表层 700m3花岗岩碎石后回填素填土 100m 长 4m 宽 铺垫厚度 40cm 40m×40m 铺垫厚度40cm 400m 长 4m 宽 铺垫厚度 40cm 2 三宝沥 HK150C 55×55m,需对入土点多处的鱼塘进行抽水约 5000m3,清淤 2000m3,对场地进行碎石土铺垫约6000m3 需修筑入土点进场便道约 400m,铺垫碎石土约900m3,并在便道下放置 4 排总长约 120 米水泥涵管供水流通过 40m×40m 铺垫厚度40cm 200m 铺垫厚度40cm 3 洪奇沥 HK450 70m×70m 铺垫厚度 40cm 200m 长 4m 宽 铺垫厚度 40cm 40m×40m 铺垫厚度40cm 400m 长 4m 宽 铺垫厚度 40cm 4 正涌 HK150C 55m×55m 铺垫厚度 40cm 500m 长 4m 宽 铺垫厚度 40cm 40m×40m 铺垫厚度40cm 500m 长 4m 宽 铺垫厚度 40cm 5 利生围水道 HDR-220 60m×60m 铺垫厚度 40cm 400m 长 4m 宽 铺垫厚度 40cm 40m×40m 铺垫厚度40cm 500m 长 4m 宽 铺垫厚度 40cm 6 三宝沥支流 DD-625 60m×60m 铺垫厚度 40cm 300m 长 4m 宽 铺垫厚度 40cm 40m×40m 铺垫厚度40cm 600m 长 4m 宽 铺垫厚度 40cm 7 卢四顷水道 DD-330 60m×60m 铺垫厚度 40cm 600m 长 4m 宽 铺垫厚度 40cm 40m×40m 铺垫厚...

1、当您付费下载文档后,您只拥有了使用权限,并不意味着购买了版权,文档只能用于自身使用,不得用于其他商业用途(如 [转卖]进行直接盈利或[编辑后售卖]进行间接盈利)。
2、本站所有内容均由合作方或网友上传,本站不对文档的完整性、权威性及其观点立场正确性做任何保证或承诺!文档内容仅供研究参考,付费前请自行鉴别。
3、如文档内容存在违规,或者侵犯商业秘密、侵犯著作权等,请点击“违规举报”。

碎片内容

定向钻穿越工程施工方案中石油管道局

您可能关注的文档

确认删除?
VIP
微信客服
  • 扫码咨询
会员Q群
  • 会员专属群点击这里加入QQ群
客服邮箱
回到顶部