电脑桌面
添加小米粒文库到电脑桌面
安装后可以在桌面快捷访问

实测实量记录表

实测实量记录表_第1页
1/6
实测实量记录表_第2页
2/6
实测实量记录表_第3页
3/6
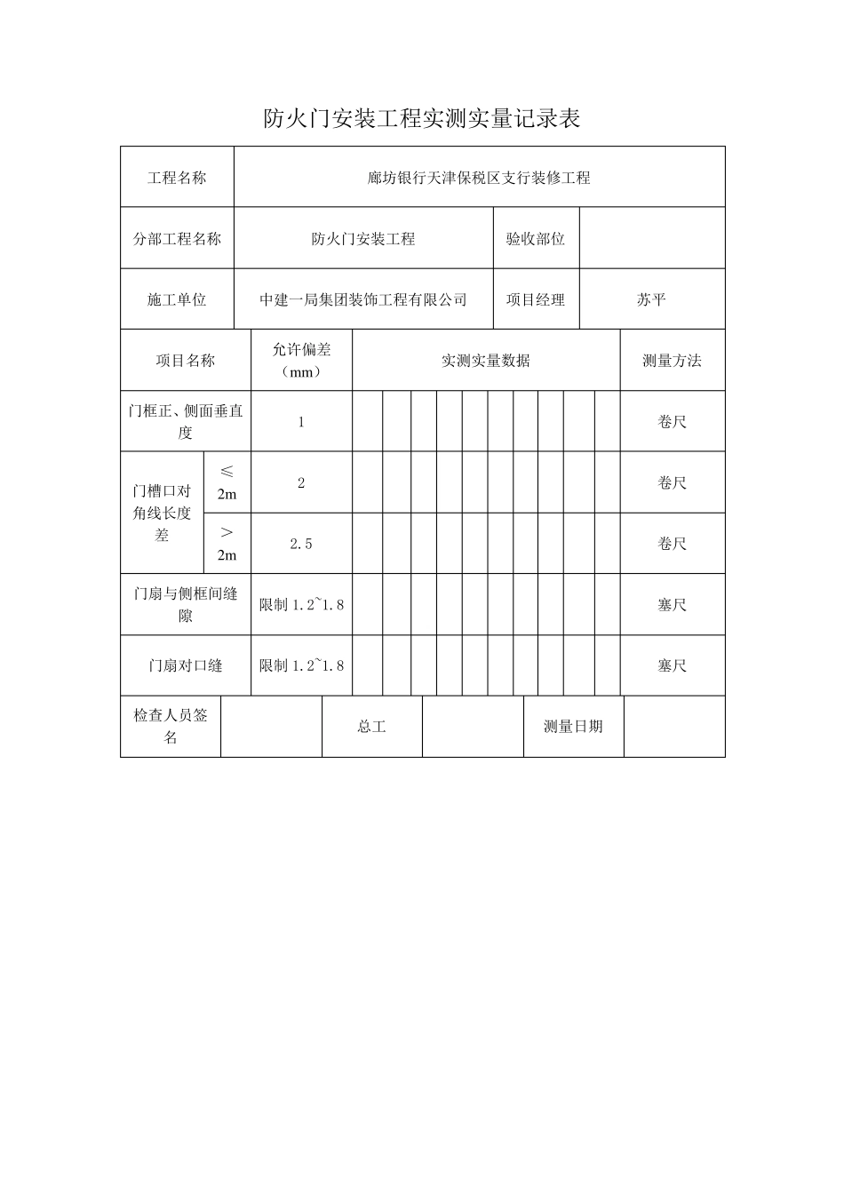
防火门安装工程实测实量记录表 工程名称 廊坊银行天津保税区支行装修工程 分部工程名称 防火门安装工程 验收部位 施工单位 中建一局集团装饰工程有限公司 项目经理 苏平 项目名称 允许偏差(m m ) 实测实量数据 测量方法 门框正、侧面垂直度 1 卷尺 门槽口对角线长度差 ≤2m 2 卷尺 >2m 2.5 卷尺 门扇与侧框间缝隙 限制 1.2~1.8 塞尺 门扇对口缝 限制 1.2~1.8 塞尺 检查人员签名 总工 测量日期 现浇混凝土实测实量记录表 工程名称 廊坊银行天津保税区支行装修工程 分部工程名称 混凝土结构 验收部位 施工单位 中建一局集团装饰工程有限公司 项目经理 苏平 项目名称 允许偏差(m m ) 实测实量数据 测量方法 轴线位置 基础 10 卷尺 独立基础 10 墙、柱、梁 5 剪力墙 5 垂直度 层高 ≤5m 5 2m 靠尺 >5m 8 标高 层高 ±5 卷尺 截面尺寸 基础宽、高 ±5 卷尺 柱、墙、梁宽、高 ±3 卷尺 表面平整度 3 2m 靠尺 角线顺直度 3 2m 靠尺 检查人员 签字 总工签字 测量日期 抹灰工程实测实量记录表 工程名称 廊坊银行天津保税区支行装修工程 分部工程名称 抹灰工程 验收部位 施工单位 中建一局集团装饰工程有限公司 项目经理 苏平 项目名称 允许偏差(m m ) 实测实量数据 测量方法 立面垂直度 4 2m 靠尺 表面平整度 4 2m 靠尺 阴阳角方正 4 直角检测尺 墙裙、勒脚上口直线度 4 卷尺 检查人员签名 总工签字 测量日期 砌筑工程实测实量记录表 工程名称 廊坊银行天津保税区支行装修工程 分部工程名称 砌筑工程 验收部位 施工单位 中建一局集团装饰工程有限公司 项目经理 苏平 项目名称 允许偏差(m m ) 实测实量数据 测量方法 轴线位移 10 卷尺 垂直度 ≤3m 5 2m 靠尺 >3m 10 2m 靠尺 表面平整度 8 2m 靠尺 门窗洞口 ±5 卷尺 灰缝宽度 限值 8~12 卷尺 检查人员签名 总工 测量日期 饰面砖粘贴工程实测实量记录表 工程名称 廊坊银行天津保税区支行装修工程 分部工程名称 饰面砖粘贴 验收部位 施工单位 中建一局集团装饰工程有限公司 项目经理 苏平 工程名称 廊坊银行天津保税区支行装修工程 项目名称 允许偏差 实 测 数 据 测量方法 外墙饰面 内墙饰面 立面垂直度 3 2 靠尺测量 表面平整度 4 3 靠尺、塞尺测量 阴阳角方正 3 3 方尺测量 接缝...

1、当您付费下载文档后,您只拥有了使用权限,并不意味着购买了版权,文档只能用于自身使用,不得用于其他商业用途(如 [转卖]进行直接盈利或[编辑后售卖]进行间接盈利)。
2、本站所有内容均由合作方或网友上传,本站不对文档的完整性、权威性及其观点立场正确性做任何保证或承诺!文档内容仅供研究参考,付费前请自行鉴别。
3、如文档内容存在违规,或者侵犯商业秘密、侵犯著作权等,请点击“违规举报”。

碎片内容

实测实量记录表

确认删除?
VIP
微信客服
  • 扫码咨询
会员Q群
  • 会员专属群点击这里加入QQ群
客服邮箱
回到顶部