电脑桌面
添加小米粒文库到电脑桌面
安装后可以在桌面快捷访问

室内镀锌钢管安装技术交底

室内镀锌钢管安装技术交底_第1页
1/6
室内镀锌钢管安装技术交底_第2页
2/6
室内镀锌钢管安装技术交底_第3页
3/6
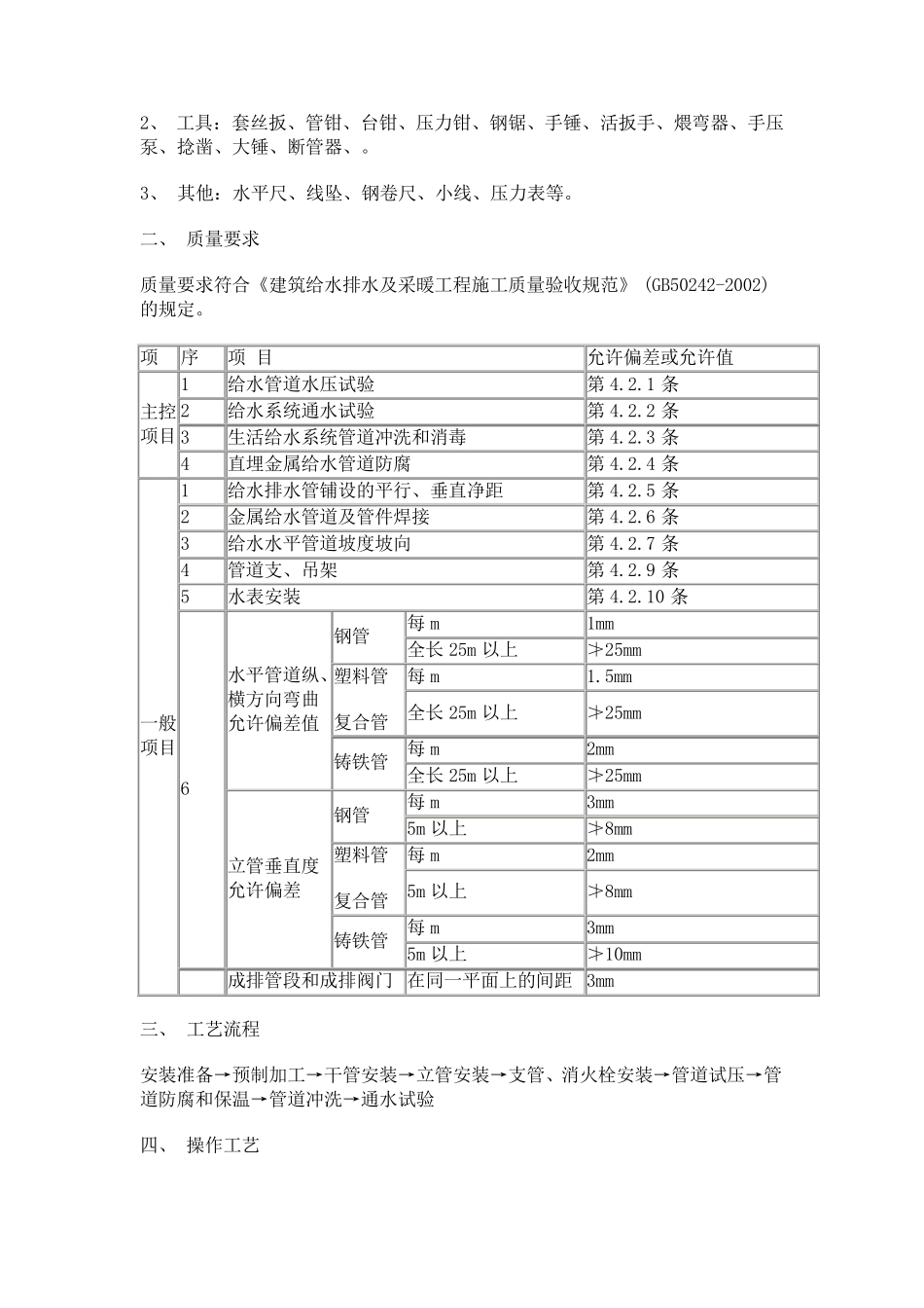
室内给水管道安装工程 分项工程质量技术交底 一、 施工准备 (一) 作业条件 1、 地下管道铺设必须在房心土回填夯实或挖到管底标高,沿管线铺设位置清理干净,管道穿墙处巳留管洞或安装套管,其洞口尺寸和套管规格符合要求,坐标、标高正确。 2、 暗装管道应在地沟盖板前或吊顶封闭前进行安装。 3、 明装托、吊干管安装必须在安装层的结构顶板完成后进行。沿管线安装位置的模板及杂物清理干净,托吊卡件均已安装牢固,位置正确。 4、 立管安装宜在主体结构完成后进行。高层建筑在主体结构达到安装条件后,适当插入进行。每层均应有明确的标高线,暗装竖井管道,应把竖井内的模板及杂物清除干净,并有防坠落措施。 5、 支管安装应在墙体砌筑完毕墙面未装修前进行。 (二) 材料要求 1、 镀锌给水管及管件质量标准应执行 GB/T3091。其规格种类应符合设计要求,管内外镀锌均匀,无锈蚀,无毛刺。管件无偏扣、乱扣、丝扣不全或角度 不准等现 象 。将 几 个 相 同 直 径 的管件串 起 来 ,看 是 否 乱扣、偏扣、角度 不准,然 后试 压 。 2、 水表 的规格应符合设计图 纸 要求,其中 每户 使 用DN15 水表 。热 水系 统 选 用符合温 度 要求的热 水表 。表 壳 铸 造 规矩 ,无砂 眼 、裂 纹 ,表 玻 璃 盖无损 坏 ,铅 封完整 。 3、 阀 门 的规格型 号 应符合设计要求,热 水系 统 阀 门 符合温 度 要求。阀 体铸 造 规矩 ,表 面光 洁 ,无裂 纹 ,开 关 灵 活 ,关 闭严 密 ,填料密 封完好 无渗 漏 ,手 轮 完整无损 坏 ,干管上 的阀 门 全部 试 压 检 验 ,一般 阀 门 抽 查 10%。若 有不合格的,则 抽查 20%,还 有不合格的,则 逐 个 检 验 。 4、 不得 使 用 国 家 限 制 使 用 和淘 汰 落后的建材。 以 上 工程物资 都 应有产 品 质量合格证 及相 关 检 验 报 告 。对 于 国 家 及北 京 市 有规定的特 定 设备及材料,如 消 防、卫 生 、压 力 容 器 ,应附 有相 应资 质等 级 检 验 单 位提供 的检 验 报 告 ; 如 安全阀 、减 压 阀 的调 试 报 告 ,给水管道材料卫 生 检 验 报 告 ,卫生 器 具 环 保 检 测 报 告 ,水表 和热 量表 应经 校 准检 定 合格,有计量检 定 证 书 。 (三 ) 主要机...

1、当您付费下载文档后,您只拥有了使用权限,并不意味着购买了版权,文档只能用于自身使用,不得用于其他商业用途(如 [转卖]进行直接盈利或[编辑后售卖]进行间接盈利)。
2、本站所有内容均由合作方或网友上传,本站不对文档的完整性、权威性及其观点立场正确性做任何保证或承诺!文档内容仅供研究参考,付费前请自行鉴别。
3、如文档内容存在违规,或者侵犯商业秘密、侵犯著作权等,请点击“违规举报”。

碎片内容

室内镀锌钢管安装技术交底

确认删除?
VIP
微信客服
  • 扫码咨询
会员Q群
  • 会员专属群点击这里加入QQ群
客服邮箱
回到顶部