电脑桌面
添加小米粒文库到电脑桌面
安装后可以在桌面快捷访问

密封胶作业指导书

密封胶作业指导书_第1页
1/12
密封胶作业指导书_第2页
2/12
密封胶作业指导书_第3页
3/12
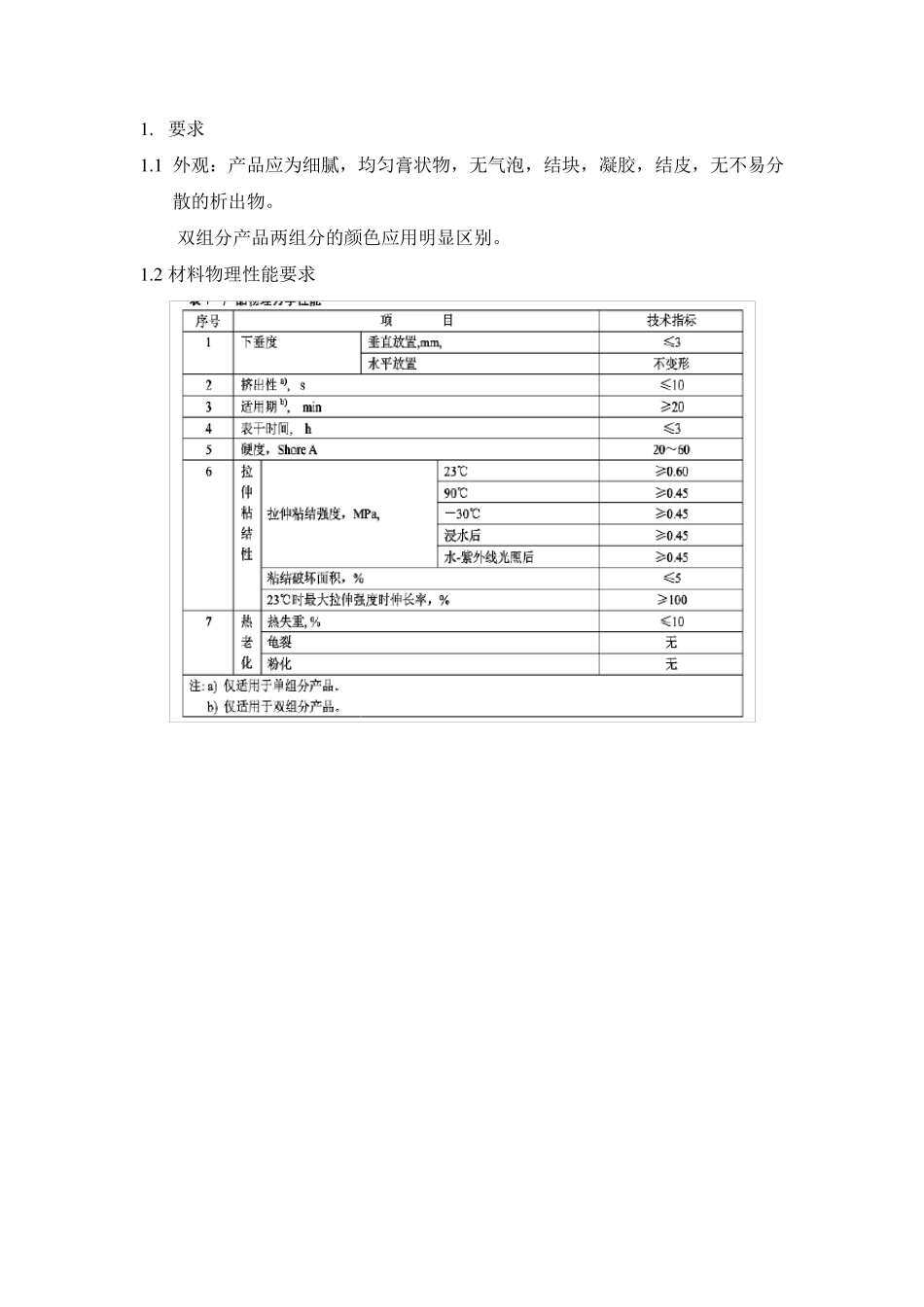
密 封 胶 作 业 指 导 书 审批: 毛成秀 实施日期: 2 0 1 4 年 1 1 月 0 1 日 四川省科信建设工程质量检测鉴定有限公司 1 . 要求 1 .1 外观:产品应为细腻,均匀膏状物,无气泡,结块,凝胶,结皮,无不易分散的析出物。 双组分产品两组分的颜色应用明显区别。 1 .2 材料物理性能要求 相容性试验方法 1.依据标准 GB 16776-2005 建筑用硅酮结构密封胶 2.仪器设备:玻璃板,无色透明浮法玻璃,75mm×50mm×6mm, 隔离胶带,25mm×75mm。 温度计:20℃~100℃ 紫外线荧光灯:UVA-340 型 紫外辐照箱 清洗剂:50%异丙醇一蒸馏水溶液 参照密封胶,浅色或半透明密封胶 3.试验原理: 将一个有附件的试验试件放在紫外灯下直接辐照,在热条件下透过玻璃辐照另一个试件,再对没有附件的对比试件同样试验,观察两组试件颜色的变化,对比试验密封胶同参照玻璃及附件粘接性的变化。 光照试件的位置 4. 试样的制备 4.1 在玻璃表面用50%异丙醇一蒸馏水溶液并用洁净布擦拭干净。 4.2 按下图在玻璃的一端粘贴隔离胶带,覆盖宽度约为25mm。 4.3 按照上图制作 8 块试件,4 块是无附件的对比试件,另外 4 块是有附件的试验试件截切成条状,尺寸为 6mm×6mm×50mm,放在玻璃板中间,对比试件和试验 试 件 的 制 备 方 法 相 同 , 只 是 不 加 附 件 。 4.4 将 试 验 密 封 胶 挤 注 在 附 件 的 一 侧 , 参 照 密 封 胶 挤 在 附 件 的 另 一 侧 , 用 刮 刀 整理 密 封 胶 与 附 件 上 端 面 及 侧 面 紧 密 接 触 , 并 与 玻 璃 密 实 粘 结 , 两 种 胶 的 相 接 处 应高 于 附 件 上 端 约 3mm。 5.试 件 的 养 护 和 处 理 5.1 制 备 的 试 件 在 标 准 条 件 下 养 护 7d, 取 两 个 实 验 试 件 和 两 个 对 比 试 件 , 玻 璃 面朝 下 放 置 在 紫 外 辐 照 箱 中 , 再 放 入 两 个 实 验 试 件 和 两 个 对 比 试 件 , 玻 璃 面 朝 上 放置 , 在 紫 外 灯 下 辐 照 21d。 5.2 为 保 证 紫 外 辐 照 强 度 在 一 定 范 围 内 , 紫 外 灯 使 用 8 周 后 应 更 换 , 为 保 证 均 匀辐 照 , 每 两 周 按 下 图 更 换 灯 泡 , 去 除 3#灯 泡 ...

1、当您付费下载文档后,您只拥有了使用权限,并不意味着购买了版权,文档只能用于自身使用,不得用于其他商业用途(如 [转卖]进行直接盈利或[编辑后售卖]进行间接盈利)。
2、本站所有内容均由合作方或网友上传,本站不对文档的完整性、权威性及其观点立场正确性做任何保证或承诺!文档内容仅供研究参考,付费前请自行鉴别。
3、如文档内容存在违规,或者侵犯商业秘密、侵犯著作权等,请点击“违规举报”。

碎片内容

密封胶作业指导书

小辰8+ 关注
实名认证
内容提供者

出售各种资料和文档

确认删除?
VIP
微信客服
  • 扫码咨询
会员Q群
  • 会员专属群点击这里加入QQ群
客服邮箱
回到顶部