电脑桌面
添加小米粒文库到电脑桌面
安装后可以在桌面快捷访问

建设工程清单计价取费费率

建设工程清单计价取费费率_第1页
1/16
建设工程清单计价取费费率_第2页
2/16
建设工程清单计价取费费率_第3页
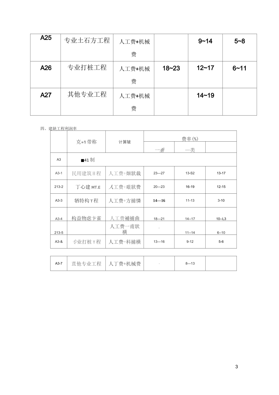
3/16
1建设工程清单计价取费费率第一节建筑工程去费费率一、建筑工程施工技术措施费建筑工程施工技术措施费按建筑工程计价规范和建筑工程消耗量定额规定执行二、建筑工程施工组织措施费费率定额编号项目名称计算基数费率(%)A1施工组织措施费A1-1环境保护费人工费+机械费0・4~1・0A1-2文明施[费A1-2.1其非市区工程人工费+机械费3・2~4.0A1-2.2中市区工程人工费+机械费4・0~6・0A1-3安全施[费人工费+机械费3・0~5・0A1-4临时设施费人工费+机械费4・8~9・2A1-5夜间施[费人工费+机械费0・0~0・2A1-6缩短工期措施费A1-6.1其中缩短工期10%以内人工费+机械费0・0~2・5A1-6.2缩短工期人工费+机械费2・5~3・5220%以内A16・3缩短工期30%以内人工费+机械费3・5~4.5A17二次搬运费人工费+机械费0・9~1・3A18已完工程及设备保护费人工费+机械费0・0~0・1A19冬雨季施工增加费人工费+机械费1・3~3・0A110工程定位复测、工程点交、场地清理费人工费+机械费2・0~4・5A111生产工具用具使用费人工费+机械费1・8~3・5注:专业工程施工组织措施费费率乘以系数 0.6。三、建筑工程企业管理费费率定额编号项目名称计算基数费率(%)一类二类三类A2企业管理费A21民用建筑工程人工费+机械费31~3625~3019~24A22工业建筑工程人工费+机械费26~3120~2514~19A23钢结构工程人工费+机械费20~2514~198~13A24构筑物及其他人工费+机械费31~3625~3019~243A25专业土石方工程人工费+机械费9~145~8A26专业打桩工程人工费+机械费18~2312~176~11A27其他专业工程人工费+机械费14~19四、建缺工程利润率克=1 带称计算皱费率(%)一垂—类A3■41 制A3-1民用建筑 H 程人工费+畑狀裁23—2713-S213-17213-2丁心建 MT.E人工费+艰狀费20—2316-1912-15A3-3牺特构 T 程人工费+方捕憐14—1611-133-10A3-4构益物虑卞雀人工费補捕曲18—2114--1710--L3213-5人工费一甫狀橫-11--146--10A3-&专业打桩 T 程人工费-科捕橫13—169-125-6A3-7苴他专业工程人丁费+机械费-8—134五、建筑工程规费费率疋额编号项日席称让算基数费率⑹A4-1社会保障哦A4-11养老保险费分和分项项目泊单人 T 夷十疏 T 按朋拾施项 d滑雌人工量20-35A4-1.2先业保脸赍分翔井项顼日消单人 T 糊+施 T 按貳州施项 U 淸樂2-aA4-1.3医疗棵险赍分部井项项目清单人 T 掛 MS丁按朋描诞项 H 睹草人 T 蚩B-15A4-2住房处枳金夕刑 P 项项目清单人 T 费+临 T 扶术描俺项 H 清單人 T 费10—20A4-3尬险作世 J&外尿脸...

1、当您付费下载文档后,您只拥有了使用权限,并不意味着购买了版权,文档只能用于自身使用,不得用于其他商业用途(如 [转卖]进行直接盈利或[编辑后售卖]进行间接盈利)。
2、本站所有内容均由合作方或网友上传,本站不对文档的完整性、权威性及其观点立场正确性做任何保证或承诺!文档内容仅供研究参考,付费前请自行鉴别。
3、如文档内容存在违规,或者侵犯商业秘密、侵犯著作权等,请点击“违规举报”。

碎片内容

建设工程清单计价取费费率

wxg+ 关注
实名认证
内容提供者

该用户很懒,什么也没介绍

确认删除?
VIP
微信客服
  • 扫码咨询
会员Q群
  • 会员专属群点击这里加入QQ群
客服邮箱
回到顶部