电脑桌面
添加小米粒文库到电脑桌面
安装后可以在桌面快捷访问

导热油炉施工方案

导热油炉施工方案_第1页
1/11
导热油炉施工方案_第2页
2/11
导热油炉施工方案_第3页
3/11
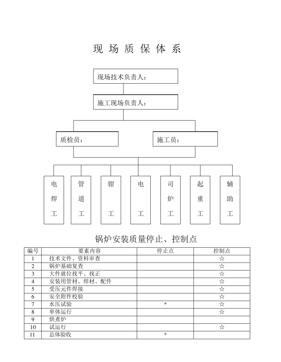
有机热载体炉安装施工方案 用户单位: 工程项目: 有机热载体炉安装 设备型号: 方案编号: 工 程 概 况 使用单位: 设备型号: YLW2300(200) 设备容量:2300KW 工作压力: 0.8MPa 工作温度:320℃ 设备制造厂:锅炉有限公司 出厂编号: 用 途: 生产 安装地址: 燃烧方式: 层状燃烧 燃料品种:AⅡ 规 程 规 范 为了提高锅炉安装质量,确保锅炉安全运行,本锅炉安装严格执行下列规程、范规、标准、制度: 1 、《特种设备安全监察条例》 2 、《江苏省特种设备安全监察条例》 3 、《蒸汽锅炉安全技术监察规程》 4 、《有机热载体炉安全技术监察规程》 5 、《工业锅炉安装工程施工及验收规范》 6 、《锅炉安装质量保证手册》 现 场 质 保 体 系 锅炉安装质量停止、控制点 编号 要素内容 停止点 控制点 1 技术文件、资料审查 ☆ 2 锅炉基础复查 ☆ 3 大件就位找平、找正 ☆ 4 安装用管材、焊材、配件 ☆ 5 受压元件焊接 ☆ 6 安全附件校验 ☆ 7 水压试验 * ☆ 8 单体运行 ☆ 9 烘煮炉 1 0 试运行 ☆ 1 1 总体验收 * 现场技术负责人: 施工现场负责人: 质检员: 施工员: 电 焊 工 管 道 工 钳 工 电 工 司 炉 工 起 重 工 辅助工 机 具 计 划 序号 机具名称、型号 数量 状况 备注 1 电焊机,氩弧焊机 1 /1 良好 2 试压泵 1 良好 3 空压机 1 套 良好 4 氧气乙炔气割设备 1 套 良好 5 角向磨光机 1 良好 6 烘筒 1 良好 7 小型工具箱 1 套 良好 8 检验检测工具箱 1 套 良好 劳 动 力 计 划 序号 工 种 姓 名 持证情况 备 注 1 电焊工 持证 2 电焊工 持证 3 管钳工 持证 4 管钳工 持证 5 电工 持证 工 程 进 度 工程开工日期 工程竣工日期 时间 项目 1 、锅炉技术资料、 辅机验收 2 、锅炉本体就位、 校正 3 、锅炉辅机的安装 4 、锅炉汽水管路的安装 5 、锅炉仪表、 阀门的安装 6 、锅炉烟道 的安装 7 、锅炉水处理设备安装 8 、锅炉水压试验 9 、锅炉烘炉 1 0 、锅炉煮炉 1 1 、锅炉试运行 1 2 、锅炉总体试验 备注 施 工 质 量 要 求 为确保锅炉安装质量,保证锅炉经济安全运行,应严格执行《锅炉安装通用工艺》、《锅炉安装质保手册》和下列质量要求。 项 目 质 量 要 求 锅炉就位 中心线与基准线偏差≤3m m...

1、当您付费下载文档后,您只拥有了使用权限,并不意味着购买了版权,文档只能用于自身使用,不得用于其他商业用途(如 [转卖]进行直接盈利或[编辑后售卖]进行间接盈利)。
2、本站所有内容均由合作方或网友上传,本站不对文档的完整性、权威性及其观点立场正确性做任何保证或承诺!文档内容仅供研究参考,付费前请自行鉴别。
3、如文档内容存在违规,或者侵犯商业秘密、侵犯著作权等,请点击“违规举报”。

碎片内容

导热油炉施工方案

您可能关注的文档

确认删除?
VIP
微信客服
  • 扫码咨询
会员Q群
  • 会员专属群点击这里加入QQ群
客服邮箱
回到顶部