电脑桌面
添加小米粒文库到电脑桌面
安装后可以在桌面快捷访问

公司产品生产的全过程停止点和见证点管理标准VIP免费

公司产品生产的全过程停止点和见证点管理标准_第1页
1/4
公司产品生产的全过程停止点和见证点管理标准_第2页
2/4
公司产品生产的全过程停止点和见证点管理标准_第3页
3/4
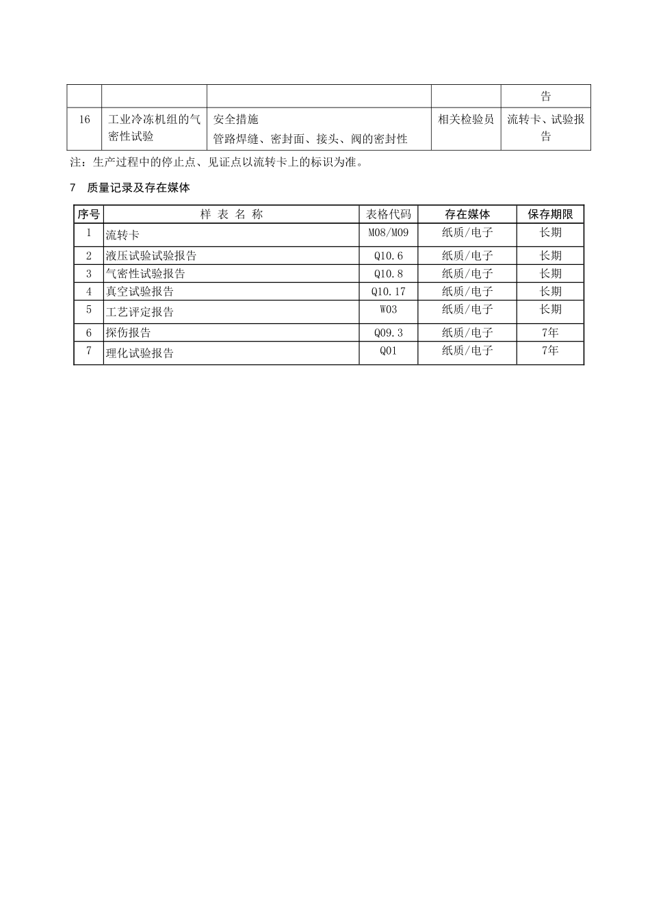
1范围本标准规定了公司产品、零部件在生产过程中停止点和见证点设立和控制的职责与接口,停止点和控制点的设立、工作程序和控制方法。本标准适用于公司所有产品生产的全过程停止点和见证点的管理。2定义下列定义适用于本标准文件2.1停止点H:指产品在本公司制造过程中必须检验的项目或工序。在制造过程中当产品或零件到达该点时,应经检验人员检验合格,并在相应见证资料上签字确认后,方可进行下道工序的操作。2.2见证点W:指产品的关键检验项目或工序,是停止点的一种特殊形式。产品或零件在制造过程中到达该点时,应通知检验员和相关人员到场,经检验员检验合格,并在相应的见证资料上签字确认以后才能转入下道工序。制造中专指压力容器的耐压试验和第二方、第三方指定工序。2.3第二方人员指客户;第三方人员指本公司外的检验人员。2.4“相关人员”可以是监检人员或第三方人员,亦可是客户;“检验员”指质保部检验员或被授权人员。3职责与接口3.1合同评审组负责将客户控制要求(第二方要求)传达给运作部和技术部,并负责与客户联系。3.2质保部检验人员负责将第三方要求传达给生产组和产品设计组,并负责与第三方人员联络。3.3产品设计组负责按规定制定并在流转卡相应工序/项目上标识停止点、见证点。3.4产品设计组和生产组各岗位人员按本规定要求执行。3.5相关检验人员和第二、第三方人员负责对停止点和见证点进行确认。4停止点、见证点的设立4.1停止点应按照国家有关压力容器的法规、工序质量对产品质量的影响程度、公司的实际情况进行设立。4.2对产品质量和安全性能有较大影响的工序应设立为停止点。4.3见证点的设立按国家有关规定或第二、第三方的要求设立。4.4常规产品的停止点由工艺人员会同设计人员、质保部、运作部车间讨论决定。4.5非标产品或特殊产品的停止点及见证点的设立在设计评审、工艺评审时确定。4.6ASME、AS产品的停止点的设立由AI在检验卡(流转卡)上指定。4.7工艺人员有权根据生产过程中的实际质量状况临时增加本规定以外的停止点。5工作程序5.1工艺人员根据本规定及相关方要求,在流转卡上的工序序号前进行标识,停止点标识符号“H”,见证点标识符号“W”。5.2车间操作人员在进行W点工序和H点工序(仅指压力试验和气密试验)操作前,应通知检验员。5.3间操作人员在完成H点工序操作后(压力试验和气密试验除外),应通知检验员进行检验,合格后才能转入下道工序。5.4生产前的停止点由相关责任人员进行控制。6停止点、见证点的控制内容和方法停止点的控制方法为对实物或操作过程进行确认和测量;设立数量、控制内容等按下表:序号停止点名称控制内容控制人控制见证资料1压力容器图纸审查设计单位资格、设计符合法规和相关标准设计责任人监检标记2压力容器受压元件原材料入厂检验质量证明书项目、内容齐全正确;标记清晰与质保书一致;外观和几何尺寸符合要求材料责任人入库检验单监检标记3焊接工艺评定按JB4708进行工艺评定,保证评定能100%覆盖焊接接点。焊接责任人工艺评定报告4压力容器受压元件材料标记移植以下情况应进行材料标记移植1.下料分割前(数控下料的在下料后)2.加工过程中材料标记被加工掉3.加工过程中材料标记被覆盖4.加工过程中材料标记模糊不清或丢失相关检验员流转卡、钢印5焊缝探伤焊缝按图纸和标准要求进行探伤合格后才能转入下道工序(必要时纵、环焊缝可一起探伤)探伤责任人探伤报告流转卡、底片6产品焊接试板1.按规定设置产品试板;2.产品试板在筒体延长部位同时施焊;3.经监检确认后才能割下试板,或有与筒体相连的底片。相关检验员监检钢印或底片流转卡7划线排孔筒体、封头上的划线排孔,需检验确认后方可开孔。(注:用工装划线或数控开孔以及简单的排孔除外)相关检验员流转卡8压力容器耐压试验(见证点)1.试压前所有资料的齐全性;2.产品试板机械性能试验已合格;3.试压时经总检和监检确认。4.容器强度和密封性符合要求。总检或检验责任人压力试验报告流转卡机械性能试验报告9《容规》范围外的受压容器(或腔)的耐压试验强度和密封性符合要求。相关检验员压力试验报告或流转卡10容器气密试验安全措施胀管、焊缝、密封面的...

1、当您付费下载文档后,您只拥有了使用权限,并不意味着购买了版权,文档只能用于自身使用,不得用于其他商业用途(如 [转卖]进行直接盈利或[编辑后售卖]进行间接盈利)。
2、本站所有内容均由合作方或网友上传,本站不对文档的完整性、权威性及其观点立场正确性做任何保证或承诺!文档内容仅供研究参考,付费前请自行鉴别。
3、如文档内容存在违规,或者侵犯商业秘密、侵犯著作权等,请点击“违规举报”。

碎片内容

公司产品生产的全过程停止点和见证点管理标准

确认删除?
VIP
微信客服
  • 扫码咨询
会员Q群
  • 会员专属群点击这里加入QQ群
客服邮箱
回到顶部